地上波アンテナと衛星アンテナにつなぐ(地上デジタル+BS/110度CSデジタル放送)
<テレビチューナー搭載モデル>
-
アンテナのつなぎかたは、壁のアンテナ端子の形や使用するケーブルによって異なります。下の例から最も近いものを選び、接続してください。なお、いずれにも当てはまらない場合は、販売店にご相談ください。
-
VHF/UHF用同軸アンテナケーブル(別売り)をつなぐときは必ず電源コードをコンセントから抜いた状態で行ってください。
地上波アンテナと衛星アンテナが個別の場合

-
壁のアンテナ端子にVHF/UHF用同軸アンテナケーブル(別売り)(A)をつなぐ。
-
衛星アンテナ(別売り)の端子に衛星用同軸アンテナケーブル(別売り)(B)をつなぐ。
-
VAIOの
地上デジタル(アンテナ)端子にVHF/UHF用同軸アンテナケーブル(別売り)(A)をつなぐ。
-
VAIOの
BS/110度CS IF入力端子に衛星用同軸アンテナケーブル(別売り)(B)をつなぐ。
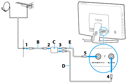
地上波アンテナと衛星アンテナが混合の場合

-
壁のアンテナ端子に衛星用同軸アンテナケーブル(別売り)(B)をつなぐ。
-
分波器(別売り)(C)に衛星用同軸アンテナケーブル(別売り)(B)をつなぐ。
-
分波器(別売り)(C)にVHF/UHF用同軸アンテナケーブル(別売り)(D)と衛星用同軸アンテナケーブル(別売り)(E)をつなぐ。
-
VAIOの
地上デジタル(アンテナ)端子にVHF/UHF用同軸アンテナケーブル(別売り)(D)をつなぐ。
-
VAIOの
BS/110度CS IF入力端子に衛星用同軸アンテナケーブル(別売り)(E)をつなぐ。
-
壁にBS/110度CS用のアンテナ端子が用意されている場合は、VHF/UHF用同軸アンテナケーブル(別売り)を使用して、BS/110度CS用のアンテナ端子とVAIOの
BS/110度CS IF入力端子をつないでください。
-
テレビなど他の機器も接続する場合は、より口の多い分波器や分配器をお使いください。
-
BS/110度CSデジタル放送のアンテナを接続する場合、VAIOから電源を供給する必要がある場合があるので、衛星用同軸アンテナケーブル(別売り)で接続してください。
-
BS/110度CSデジタル放送のアンテナを接続する場合、VAIOの電源を入れたまま接続しようとすると、発火するおそれがあります。危険ですので、必ずVAIOの電源を切ってからアンテナを接続してください。
