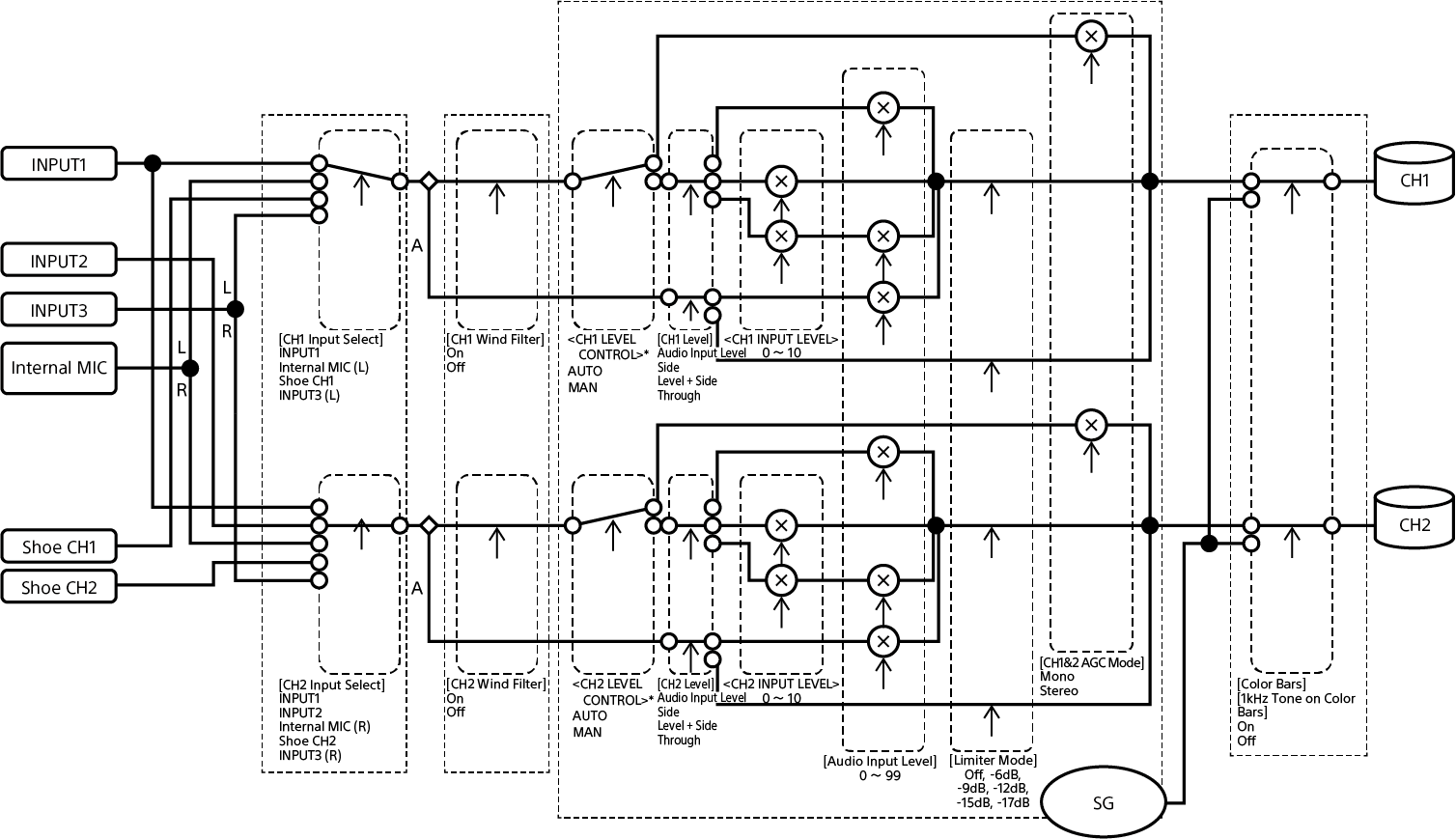
Scheme sinoptice
Schemele sinoptice sunt legate de sunet și meniul [Audio].
[Audio Input] (CH1&CH2)

A: cu adaptor XLR
* Setat de [Audio Input] – [CH1 Level Control] la [CH4 Level Control] pe ecranul de stare [Audio] pentru intrarea audio de la un adaptor XLR.
[Audio Input] (CH3&CH4)

A: cu adaptor XLR
* Setat de [Audio Input] – [CH1 Level Control] la [CH4 Level Control] pe ecranul de stare [Audio] pentru intrarea audio de la un adaptor XLR.
TP1001670422