도움말 안내
Color Video Camera
BRC-AM7
JavaScript가 비활성화되어 있습니다.
JavaScript를 활성화하고 페이지를 다시 로드하십시오.
뒤로
맨 위로 돌아가기
인쇄
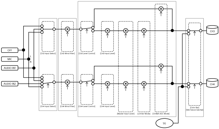
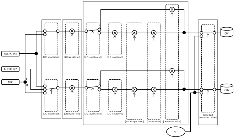
블록 다이어그램
Audio Input
Audio Output
페이지 맨 위로
TP1001869788
개요
일반적인 사용 애플리케이션
시스템 구성
제공된 적외선 리모컨을 사용하여 단일 기기 제어
태블릿 또는 컴퓨터를 사용하여 단일 기기 제어
외부 원격 제어기를 사용하여 단일 기기 제어
외부 원격 제어기를 사용하여 다중 기기 제어
부품 위치 및 기능
전면 보기
커넥터 블록
측면 보기
하단 보기
적외선 리모컨(제공됨) 부분의 위치 및 기능
웹 앱 화면
웹 앱 화면 개요
화면의 공통 영역 구조
라이브 작동 화면의 구조
PTZ AFR 설정 화면의 구조
재생 작동 화면의 구조
설정 화면의 구조
카메라 메뉴
카메라 화면 표시
준비
기기 장착
고정된 위치에 수직으로 장착
높고 고정된 위치에 수직으로 장착
천장에 장착
케이블 연결
유선 연결을 통해 기기를 네트워크 장치에 연결
원격 제어기(옵션)를 사용하여 RS-422를 통해 기기에 연결
전원 공급 장치 연결
DC 전원 사용
PoE++ 전원 사용
팬/틸트 재설정
촬영 전 구성
웹 앱을 사용하여 기기 초기화
웹 브라우저에서 웹 앱 액세스
기기 초기화
기기 설정 재설정
기본 작동 구성
메모리 카드 준비
메모리 카드
권장 메모리 카드
메모리 카드 삽입
메모리 카드 꺼내기
메모리 카드 포맷(초기화)
남은 녹화 시간 확인
메모리 카드 복원
촬영
기본 작동
녹화 시작/중지
메모리 카드 사이 전환
오디오 확인
시간 데이터 지정
녹화 검토(Rec Review)
프레이밍 조정
프레이밍 조정 화면
촬영 방향 조정
웹 앱을 사용하여 촬영 방향 조정
팬/틸트 작동 속도 설정
팬/틸트 작동 가속 설정
제공된 적외선 리모컨을 사용하여 촬영 방향 조정
줌 조정
줌 유형 설정
Tele Convert 설정
웹 앱을 사용하여 줌 조정
웹 앱을 사용하여 줌 작동 속도 설정
제공된 적외선 리모컨을 사용하여 줌 조정
카메라 팬/틸트/줌 위치 저장/복원
웹 앱을 사용하여 팬/틸트, 줌 위치 및 초점 설정 저장/복원
웹 앱을 사용하여 사전 설정 위치 이름 변경
웹 앱을 사용하여 저장된 사전 설정 위치를 새로운 위치로 교체
웹 앱을 사용하여 저장된 사전 설정 위치 삭제
사전 설정 위치 복원 시 팬/틸트 작동 및 줌/초점 작동 동기화
사전 설정 위치 복원 시 전환 속도(팬-틸트/줌/초점) 변경
사전 설정 위치 복원 시 전환 시간(팬-틸트/줌) 변경
사전 설정 위치 복원 후 인물 자동 추적 시작
사전 설정 위치 복원 후 PTZ 자동 프레이밍 설정 복원
제공된 적외선 리모컨을 사용하여 팬/틸트 및 줌 위치 저장/복원
자동 카메라 프레이밍(PTZ 자동 프레이밍)
PTZ 자동 프레임 정보
PTZ 자동 프레이밍 중 웹 앱 화면 표시
PTZ 자동 프레이밍 초기 설정 구성("인물" 모드)
자동 추적을 위한 피사체 지정(인물 수동 추적 시작 모드)
지정된 위치에서 피사체 선택 및 자동 추적(인물 자동 추적 시작 모드)
높은 곳에서 구기 종목(농구) 자동 추적
PTZ 자동 프레이밍의 사전 설정 프레이밍 불러오기
PTZ 자동 프레이밍의 사전 설정 프레이밍 이름 변경
PTZ 자동 프레이밍의 사전 설정 프레이밍 편집
PTZ 자동 프레이밍의 사전 설정 프레이밍을 새 구도로 교체
PTZ 자동 프레이밍의 사전 설정 프레이밍 재설정
PTZ 자동 프레이밍 중 추적할 사람의 수 변경
PTZ 자동 프레이밍의 자동 제어 범위 및 추적 중 속도/감도 변경
PTZ 자동 프레이밍 구성 데이터 저장 및 로드
PTZ AFR 파일 저장
PTZ AFR 파일 로드
제공된 적외선 리모컨을 사용한 PTZ 자동 프레이밍
원격으로 PTZ 자동 프레이밍 상태 확인
초점 조정
초점 조정 화면
초점을 수동으로 조정(수동 초점)
웹 앱을 사용하여 수동으로 초점 조정
제공된 적외선 리모컨을 사용하여 수동으로 초점 조정
초점 위치를 지정하여 초점 맞추기(스팟 초점)
임시로 자동 초점 사용(푸시 자동 초점(AF))
초점을 자동으로 조정(자동 초점)
웹 앱을 사용하여 자동으로 초점 조정
제공된 적외선 리모컨을 사용하여 자동으로 초점 조정
자동 초점 영역/위치 설정(초점 영역)
초점 영역을 빠르게 바꾸기(초점 설정)
터치 조작으로 초점 영역 프레임 이동(터치 초점 영역)
자동 초점 동작 조정(AF 전환 속도, AF 피사체 이동 감도)
웹 앱을 사용하여 수동으로 자동 초점 대상 설정(AF Assist)
제공된 적외선 리모컨을 사용하여 자동 초점 중 수동으로 초점 맞추기
자동 초점 중 임시로 수동 초점 사용(푸시 수동 초점)
사람 감지 및 AF 추적
AF 특정 피사체 추적(실시간 추적 AF)
촬영에 대한 참고 사항
플랜지 초점 거리 조정
밝기 조정
밝기 조정 화면
자동 밝기 조정을 위한 목표 레벨 설정
조리개 조정
조리개를 자동으로 조정
조리개를 수동으로 조정
게인 조정
게인을 자동으로 조정
게인을 수동으로 조정
셔터 조정
셔터를 자동으로 조정
셔터를 수동으로 조정
조도 조정(ND Filter)
ND 필터 정보
사전 설정 모드에서 조정
가변 모드에서 자동으로 조정
가변 모드에서 수동으로 조정
자연색 조정(화이트 밸런스)
화이트 밸런스 조정 화면
화이트 밸런스를 자동으로 조정
화이트 밸런스를 수동으로 조정
자동 화이트 밸런스 실행
이미지 안정화 구성
이미지 안정화 사용
녹음할 오디오 구성
오디오 구성 화면
오디오 입력 장치 선택
오디오 녹음 레벨을 자동으로 조정
오디오 녹음 레벨을 수동으로 조정
유용한 기능
다이렉트 메뉴 작동
할당 가능 버튼
Slow & Quick Motion
간헐적으로 비디오 녹화(Interval Rec)
픽처 캐시 녹화(Picture Cache Rec)
메모리 카드 A 및 B에 동시에 녹화(2-slot Simul Rec)
비디오 신호 모니터
클립 플래그
프록시 녹화
프록시 녹화 개요
프록시 녹화
원하는 보기로 촬영
보기 개요
보기 선택
원하는 기본 보기 가져오기
보기 사용자 지정
보기를 장면 파일로 저장
기본 보기 삭제
장면 파일 이름 바꾸기
다른 카메라와 보기 공유
내부 메모리에서 외부 기기로 장면 파일 저장
외부 기기에 저장된 장면 파일을 내부 메모리에 로드
포스트 프로덕션에서 보기 조정으로 촬영
포스트 프로덕션에서 보기 조정으로 촬영
SDI2 출력/HDMI 출력 및 스트리밍에 LUT 적용
LUT 변경
구성 데이터 저장 및 로드
구성 데이터 저장 및 로드 개요
ALL 파일 저장
ALL 파일 로드
네트워크 기능
파일 전송
파일 전송 정보
파일 전송 대상 등록
녹화된 프록시 클립을 순차적으로 전송
파일 선택 및 업로드
썸네일 화면에서 메모리 카드의 프록시 클립 업로드
썸네일 화면에서 메모리 카드의 원본 클립 업로드
파일 전송 상태 확인
보안 FTP를 사용하여 업로드
스트리밍 구성
스트리밍 정보
스트리밍 형식 설정
스트리밍용 비디오 코덱 설정
스트리밍용 오디오 코덱 설정
스트리밍 시작/중지
썸네일 화면
썸네일 화면
클립 재생 및 기타 클립 작업
녹화된 클립 재생
녹화된 클립에 대한 작업
카메라 메뉴 및 세부 설정
카메라 메뉴 구성
카메라 메뉴 조작
카메라 메뉴 조작
문자열 입력
User 메뉴
[User]
Edit User 메뉴
[Edit User]
Shooting 메뉴
[ISO/Gain]
[ND Filter]
[Shutter]
[Auto Exposure]
[White]
[White Setting]
[Offset White]
[Focus]
[S&Q Motion]
[LUT On/Off]
[NIGHTSHOT]
[
Soft Skin Effect
]
[Noise Suppression]
[Flicker Reduce]
[Image Stabilization]
Project 메뉴
[Base Setting]
[Rec Format]
[Flexible ISO Setting]
[Simul Rec]
[Proxy Rec]
[
Interval Rec
]
[
Picture Cache Rec
]
[SDI/HDMI Rec Control]
[Assignable Button]
Paint/Look 메뉴
[Scene File]
[Base Look]
[Reset Paint Settings]
[Black]
[Knee]
[Detail]
[Matrix]
[Multi Matrix]
Pan-Tilt 메뉴
[P/T Acceleration]
TC/Media 메뉴
[Timecode]
[TC Display]
[Users Bit]
[HDMI TC Out]
[Clip Name Format]
[Update Media]
[Format Media]
[Media Life]
Monitoring 메뉴
[Output Format]
[Display On/Off]
[Video Signal Monitor]
[Marker]
Audio 메뉴
[Audio Input]
[Audio Output]
Thumbnail 메뉴
[Display Clip Properties]
[Set Clip Flag]
[Lock/Unlock Clip]
[Delete Clip]
[Copy Clip]
[Transfer Clip]
[Transfer Clip (Proxy)]
[Filter Clips]
[Customize View]
Technical 메뉴
[Color Bars]
[Genlock]
[Tally]
[Rec Review]
[Zoom]
[Lens]
[APR]
[Measurement]
Network 메뉴
[Wired LAN]
[File Transfer]
Maintenance 메뉴
[Language]
[Hours Meter]
Shooting 메뉴 설정 및 기본값
[ISO/Gain] 설정 및 기본값
[AGC Limit] 설정 및 기본값
[Video Format] / [Quality] / [Bit Rate] 설정
각 촬영 모드에 저장된 이미지 품질 설정
웹 메뉴 및 세부 설정
웹 메뉴 구성
웹 메뉴 작업
Shooting 메뉴
[Focus]
Project 메뉴
[Base Setting]
[Rec Format]
[Simul Rec]
[Proxy Rec]
[
Interval Rec
]
[
Picture Cache Rec
]
[All File]
Paint/Look 메뉴
[
Scene File
]
[Base Look]
Pan-Tilt 메뉴
[P/T Speed]
[P/T Acceleration]
[P/T Range Limit]
[P/T Direction]
[P/T Preset]
Monitoring 메뉴
[Output Format]
[Output Display]
Audio 메뉴
[Audio Input]
[Audio Output]
Technical 메뉴
[Tracking Data Output]
[Tracking Data]
[Tally]
[Tele Convert]
[IR Remote]
[RCP/MSU]
Network 메뉴
[Camera Name]
[User]
[Wired LAN]
[File Transfer]
[
FTP Server 1
], [
FTP Server 2
], [
FTP Server 3
]
[SSL]
[SSH]
[Referer Check]
[Brute Force Attack Protection]
Stream 메뉴
[Stream]
[Video Stream]
[Audio Stream]
Maintenance 메뉴
[Language]
[Clock Set]
[Reset]
[Information]
[System Log]
[HTTP Access Log]
[Service]
[Software]
외부 장치 연결
외부 모니터 및 녹화 장치 연결
RCP/MSU 연결(옵션)
RCP/MSU/CNA-2와의 연결
기기와 RCP 간의 일대일 연결
MSU/CNA-2/카메라 원격 제어 소프트웨어로 멀티 카메라 환경에서 기기 사용
지원되는 기능 목록
RM-IP500 원격 제어기(옵션)를 사용한 작업
RM-IP500 원격 제어기(옵션)을 사용한 작업 정보
유선 LAN을 통해 RM-IP500 원격 제어기 연결
Camera Remote SDK 사용
Camera Remote SDK 정보
외부 장치와의 동기화
외부 장치와의 동기화 정보
비디오 신호의 위상 동기화(Genlock)
다른 장치에 타임코드 잠그기
외부 마이크 또는 외부 오디오 장치 연결
컴퓨터를 사용하여 클립 관리/편집
광섬유 신호 출력
기록 신호 연결
추적 데이터 출력
부록
사용 주의 사항
출력 형식 및 제한
문제 해결
오류/경고 메시지
메뉴 항목 목록
사전 설정 위치 저장 항목
블록 다이어그램
라이선스
사양
상표