사양
일반
질량
- 약 3.5 kg
치수
"외형 치수"를 참조하십시오.
전력 요구 사항
- 12 V DC(XLR 4핀)
- PoE++(IEEE802.3bt, Type 4, Class 8 준수)
전력 소비
- 132 W(최대)(DC IN 공급 장치 포함)
- PoE++: 71.3 W(최대)
작동 온도
- 0 °C~40 °C
보관 온도
- –20 °C~+60 °C
녹화 형식(비디오)
MP4 형식:
- XAVC HS Long 422/420
- XAVC S Long 422/420
- XAVC S Intra
MXF 형식:
- XAVC Long 422/420
- XAVC Intra
녹화 형식(오디오)
- LPCM 24비트, 48 kHz, 4채널
녹화 프레임 속도
MP4 형식:
- XAVC HS Long 422/420
3840×2160/119.88P*, 100P*, 59.94P, 50P, 23.98P - XAVC S Long 422/420
3840×2160/119.88P*, 100P*, 59.94P, 50P, 29.97P, 25P, 23.98P
1920×1080/119.88P*, 100P*, 59.94P, 50P, 29.97P, 25P, 23.98P - XAVC S Intra
3840×2160/59.94P, 50P, 29.97P, 25P, 23.98P
1920×1080/59.94P, 50P, 29.97P, 25P, 23.98P
* 슬로우 앤 퀵 모션이 켜져 있으면 119.88P 및 100P를 사용할 수 없습니다.
MXF 형식:
- XAVC Long 422
1920×1080P/59.94P, 50P, 29.97P, 25P, 23.98P
1920×1080i/59.94i, 50i
1280×720P/59.94P, 50P - XAVC Long 420
3840×2160P/59.94P, 50P, 29.97P, 25P, 23.98P - XAVC Intra
3840×2160P/59.94P, 50P, 29.97P, 25P, 23.98P
1920×1080P/59.94P, 50P, 29.97P, 25P, 23.98P
1920×1080i/59.94i, 50i
1280×720P/59.94P, 50P
녹화/재생 시간
- XAVC HS Long 420
3840×2160P/59.94P
약 100분(CEA-G160T 사용) - XAVC S Long 420/XAVC Long 420
3840×2160P/59.94P
약 100분(CEA-G160T 사용)
1920×1080P/59.94P
약 270분(CEA-G160T 사용) - XAVC S Intra/XAVC Intra
3840×2160P/59.94P
약 25분(CEA-G160T 사용)
1920×1080P/59.94P
약 75분(CEA-G160T 사용)
참고 사항
- 녹화/재생 시간은 사용 조건 및 메모리 특성에 따라 다를 수 있습니다. 녹화 및 재생 시간은 단일 클립으로의 연속 녹화 기준입니다. 녹화되는 클립 수에 따라 실제 시간이 더 짧은 수 있습니다.
팬/틸트 드라이브 섹션
- 팬 드라이브 범위/속도: ±175°, 0.004 °/초 ~ 180 °/초
- 틸트 드라이브 범위/속도: −30° ~ 210°, 0.004 °/초 ~ 180 °/초
- 소음 기준 등급: NC25 이하
- 사전 설정 위치 수: 100
개사용 가능한 사전 설정 위치 수는 사용하는 리모컨에 따라 다릅니다(웹 애플리케이션: 100개, RM-IP500: 100개, 제공되는 적외선 리모컨: 3개)
카메라 섹션
이미징 장치
- 1.0인치 ExmorRS CMOS 이미지 센서
픽셀 수
- 20.9M(전체)
- 14.0M(유효)
유효 픽셀 수는 촬영 모드 및 설정에 따라 달라집니다.
자동 초점
- 감지 방법: 위상 감지/콘트라스트 감지
내부 ND 필터
- [Clear]: 없음
- 1: 1/4ND
- 2: 1/16ND
- 3: 1/64ND
- 선형 가변 ND: 1/4ND~1/128ND
셔터 속도
- 64프레임 ~ 1/8000초(23.98P)
셔터 각도
- 5.6°~360°, 2~64프레임
Slow & Quick Motion
- XAVC S QFHD: 1 fps~120 fps
- XAVC S HD: 1 fps~240 fps
화이트 밸런스
- 2000 K~15000 K
게인
- –3 dB~+36 dB(1 dB 증가)
기본 보기
- [S-Cinetone], [ITU709], [709tone], [s709], [709(800%)], [S-Log3], [HLG Live], [HLG Mild], [HLG Natural]
렌즈 섹션
- 줌 비율: 광학 20배, 디지털 30배(4K 해상도) / 40배(Full HD 해상도)
- 초점 거리: f = 7.71~154.21 mm, 24~480 mm(35 mm 동급)
- 조리개: 열린 조리개(F-숫자) F2.8~F4.5, 최소 조리개(F-숫자) F11, 닫힘
- 수평 화각: 약 75°
- 최소 촬영 거리: 10 mm
오디오 섹션
샘플링 주파수
- 48 kHz
양자화
- 24비트
주파수 응답
- XLR 입력 MIC 모드: 20 Hz~20 kHz(±3 dB 이하)
- XLR 입력 LINE 모드: 20 Hz~20 kHz(±3 dB 이하)
동적 범위
- XLR 입력 MIC 모드: 80 dB(일반)
- XLR 입력 LINE 모드: 90 dB(일반)
왜곡
- XLR 입력 MIC 모드: 0.08% 이하(–40 dBu 입력 레벨)
- XLR 입력 LINE 모드: 0.08% 이하(+14 dBu 입력 레벨)
입력/출력 섹션
입력
DC IN 커넥터
- XLR 4핀, 11~17 V, 12 A(최대)
AUDIO IN 커넥터
- AUDIO IN 1 / AUDIO IN 2: XLR 3핀 × 2, 암
LINE / MIC / MIC+48V 전환 가능
MIC: 기준 –30 dBu~–80 dBu
- MIC: ø3.5 mm 스테레오 미니 잭, 플러그인 전원 호환
GENLOCK IN 커넥터
- BNC 커넥터, 1.0 Vp-p, 75 Ω
TC IN 커넥터
- BNC 커넥터
출력
SDI OUT 1(12G) 커넥터 / SDI OUT 2 커넥터
- SDI OUT 1(12G): 12G-SDI 출력 BNC 유형, 12G-SDI / 6G-SDI / 3G-SDI(Level A/B) / HD-SDI
- SDI OUT 2: 3G-SDI 출력 BNC 유형, 3G-SDI(Level A) / HD-SDI
HDMI 커넥터
- Type-A 커넥터
OPTICAL 출력 커넥터
- SFP+ 준수
* 12G-SDI 출력 커넥터와 동일한 신호가 출력됩니다. 본 기기는 광신호 입력을 지원하지 않습니다.
입력/출력
LAN(네트워크) 커넥터
- RJ-45, 1000BASE-T
OPTION 커넥터
- RJ-45 기록 입력/출력 커넥터
VISCA IN 커넥터 / VISCA OUT 커넥터
- 제어 프로토콜: VISCA RS-422
매체 슬롯 섹션
- CFexpress Type A/SD 카드 슬롯 (2)
제공되는 액세서리
- 적외선 리모컨 (1)
- QR 코드 씰 (1)
- 안전 수칙 (2)
- 품질 보증서 (1)
- 천장 브래킷 (A) (1)
- 천장 브래킷 (B) (1)
- 낙하 방지 와이어 로프 (1)
- +PSW M3×8 나사 (6)
- +PSW M4×8 낙하 방지 와이어 로프용 스테인리스 스틸 나사 (1)
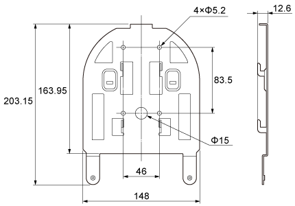
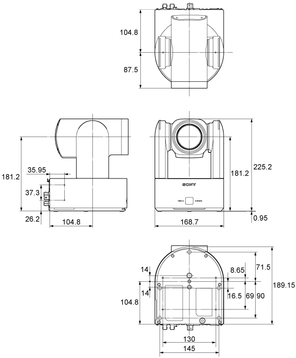
외형 치수
치수는 대략적인 값입니다.
단위: mm
카메라 본체
천장 브래킷 (B)
디자인 및 사양은 고지 없이 변경될 수 있습니다.
TP1001869790

