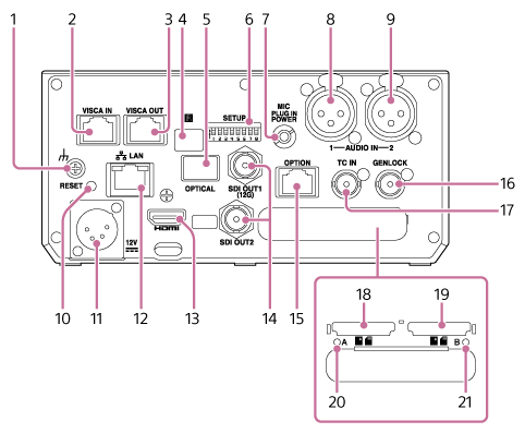
커넥터 블록
이 항목에서는 기기 커넥터 블록에 있는 부품의 위치와 기능에 대해 설명합니다.
-
(접지) 연결
전원 콘센트의 접지 단자 또는 접지 막대에 연결하여 접지에 연결합니다.
-
VISCA IN 커넥터
원격 제어기(옵션)에 연결합니다.
여러 대의 카메라를 연결할 경우, 이전 카메라의 VISCA RS-422 OUT 커넥터에 연결합니다.
-
VISCA OUT 커넥터
여러 대의 카메라를 연결할 경우, 다음 카메라의 VISCA RS-422 IN 커넥터에 연결합니다.
-
적외선 리모컨 센서(후면)
제공된 적외선 리모컨용 적외선 센서.
-
OPTICAL 출력 커넥터
SFP+ 모듈(옵션)이 연결된 경우 광학 형식으로 변환된 SDI OUT1(12G) 커넥터 신호를 출력합니다.
- 자세한 내용은 "광섬유 신호 출력"을 참조하십시오.
-
SETUP 스위치
다음 설정을 구성합니다.
스위치 1, 2: 작업을 수행할 적외선 리모컨(제공됨)을 선택합니다.
스위치 1 설정 스위치 2 설정 설명 OFF(기본값) OFF(기본값) 리모컨 ID가 1인 적외선 리모컨(제공됨)에서 작업을 수신합니다.
기본 설정입니다.OFF ON 리모컨 ID가 2인 적외선 리모컨(제공됨)에서 작업을 수신합니다. ON OFF 리모컨 ID가 3인 적외선 리모컨(제공됨)에서 작업을 수신합니다. ON ON 예약됨 스위치 3: RESET 스위치를 눌렀을 때 재설정되는 설정을 설정합니다.
설정 설명 OFF(기본값) 네트워크 연결 설정만 재설정합니다. 기기의 네트워크 설정, 보안 설정 및 사용자 정보(사용자 이름 및 암호)가 재설정됩니다. ON 모든 설정을 공장 기본값으로 재설정합니다. 스위치 4: VISCA 및 VISCA over IP 통신을 활성화/비활성화합니다. 카메라를 켜면 설정이 적용됩니다.
RM-IP500 원격 제어기에 연결했을 때 기기를 사용하려면 ON 위치로 설정하십시오.
설정 설명 OFF(기본값) VISCA 명령에 응답하지 않습니다. ON VISCA 명령을 수락합니다. 참고 사항
- 관리자 암호가 구성되지 않은 경우 스위치 설정에 관계없이 VISCA 통신이 비활성화됩니다. 관리자 암호 구성에 대한 자세한 내용은 "기기 초기화"을 참조하십시오.
스위치 5: VISCA IN/VISCA OUT 커넥터 보드 속도를 설정합니다. 카메라를 켜면 설정이 적용됩니다.
설정 설명 OFF(기본값) 보드 속도를 9600 bps로 설정합니다. ON 보드 속도를 38400 bps로 설정합니다. 스위치 6, 7: 예약되었습니다. 사용되지 않습니다.
스위치 8: IP 주소를 특정 값으로 설정합니다.
설정 설명 OFF(기본값) 사용자가 IP 주소를 설정합니다. ON 시작 시 기기의 IP 주소를 192.168.0.100으로 설정합니다(고정 IP 주소 모드). 참고 사항
- 시작 후 웹 메뉴에서 IP 주소가 변경되면 이 스위치를 OFF 위치로 설정합니다.
-
MIC 커넥터(스테레오 ø3.5 mm)
ø3.5 mm 스테레오 미니 잭(3극) 마이크에 연결합니다.
-
AUDIO IN 1 커넥터(XLR 유형 3핀 커넥터)
-
AUDIO IN 2 커넥터(XLR 유형 3핀 커넥터)
외부 마이크 또는 오디오 장치의 신호를 입력하는 데 사용합니다.
- 자세한 내용은 "외부 마이크 또는 외부 오디오 장치 연결"을 참조하십시오.
-
RESET 스위치
기기의 설정을 공장 기본값으로 재설정하려면 펜 끝이나 유사한 장치를 사용하여 5초 이상 누르십시오.
SETUP 스위치 3을 사용하여 네트워크 연결 설정만 재설정할지 아니면 모든 설정을 재설정할지 선택할 수 있습니다.
-
DC IN 커넥터(XLR 유형 4핀 커넥터)
DC IN(DC 전원 입력) 커넥터(XLR 4핀, 수)는 외부 전원 공급 장치를 기기에 연결하기 위한 것입니다. 12 V DC(11 V~17 V)의 입력 전압을 지원합니다.
번호 신호 1 GND 2 NC 3 NC 4 DC IN(11 V~17 V) 참고 사항
- 전원 케이블을 먼 거리까지 연장하면 부하에 의해 전압 강하가 발생합니다. 기기를 작동하기 전에 전원 커넥터의 입력 전압이 12 V 미만으로 떨어지지 않는지 확인합니다.
- 기기는 전압을 모니터링합니다. 전압이 11.5 V 이하로 떨어지면 [Voltage Low]가 감지되고 웹 앱, 녹화/기록 램프, POWER 램프/NETWORK 램프를 통해 경고가 표시됩니다.
- 전압이 11.0 V 이하로 떨어지면 [Insufficient Voltage]가 감지되고 각종 기능이 정지되며, 웹 앱, 녹화/기록 램프, POWER 램프/NETWORK 램프를 통해 경고가 표시됩니다. [Insufficient Voltage]가 감지되면 이후 전압이 상승하더라도 기기는 정상 작동 상태로 돌아가지 않습니다. 전원 공급 장치가 안정적인지 확인한 후 전원 케이블을 분리했다가 다시 연결하십시오.
-
LAN(네트워크) 커넥터(RJ-45)
네트워크 통신 및 PoE++* 전원 공급을 위한 네트워크 케이블(카테고리 5e 이상)을 기기에 연결합니다.
*PoE++: Power over Ethernet Plus Plus. IEEE802.3bt(Type 4 Class 8)를 준수합니다. 연결에 대한 자세한 내용은 전원 공급 장치의 사용 설명서를 참조하십시오.
참고 사항
- PoE++ 작동 중에는 일부 기능이 제한됩니다. 자세한 내용은 "PoE++ 전원 사용"을 참조하십시오.
A: 속도 LED 상태 표시
표시 연결 속도 꺼짐 10Mbps 연결 100Mbps 연결 주황색 켜짐 1000Mbps 연결 B: Link/ACT LED 상태 표시
표시 연결 상태 꺼짐 링크 없음 녹색 깜박임 링크 설정됨, 데이터 활성 녹색 켜짐 활성 링크 참고 사항
- 이 제품을 인터넷에 연결할 때는 라우터나 방화벽과 같은 보호 기능이 있는 시스템을 통해 연결하십시오. 이러한 보호 기능 없이 연결하면 보안 문제가 발생할 수 있습니다.
-
HDMI 커넥터
기기의 비디오를 HDMI 신호로 출력합니다.
- 자세한 내용은 "외부 모니터 및 녹화 장치 연결"의 "HDMI OUT 커넥터(Type A 커넥터)"를 참조하십시오.
-
SDI OUT 1(12G) 커넥터 / SDI OUT 2 커넥터
SDI OUT 1(12G) 커넥터: 기기의 비디오를 12G/6G/3G/1.5G SDI 신호로 출력합니다.
SDI OUT 2 커넥터: 기기의 비디오를 3G/1.5G SDI 신호로 출력합니다.
- 자세한 내용은 "외부 모니터 및 녹화 장치 연결"의 "SDI OUT 커넥터(BNC 유형)"를 참조하십시오.
-
OPTION 커넥터
외부 장치의 기록 신호를 연결하는 데 사용합니다.
- 자세한 내용은 "기록 신호 연결"을 참조하십시오.
-
GENLOCK 커넥터
외부 동기 신호를 입력할 때 사용합니다.
- 자세한 내용은 "비디오 신호의 위상 동기화(Genlock)"를 참조하십시오.
-
TC IN 커넥터
외부 기준 타임코드 신호를 입력합니다.
- 자세한 내용은 "다른 장치에 타임코드 잠그기"를 참조하십시오.
-
CFexpress Type A / SD 카드 슬롯(A)
-
CFexpress Type A / SD 카드 슬롯 (B)
녹화 매체를 삽입할 때 사용합니다.
- 자세한 내용은 "메모리 카드 삽입"을 참조하십시오.
-
액세스 표시등 A
-
액세스 표시등 B
녹화 매체가 삽입되면 표시등이 켜지거나 깜박입니다.
- 자세한 내용은 "메모리 카드 삽입"을 참조하십시오.

