دليل المساعدة
Color Video Camera
BRC-AM7
تم تعطيل JavaScript.
يرجى تمكين JavaScript وإعادة تحميل الصفحة.
رجوع
رجوع إلى الأعلى
طباعة
الرسوم التوضيحية التجميعية
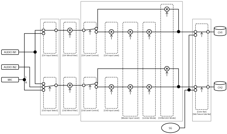
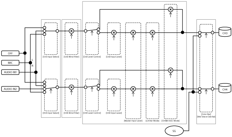
Audio Input
Audio Output
انتقال إلى أعلى الصفحة
TP1001868656
نظرة عامة
تطبيقات الاستخدام النموذجي
تهيئة النظام
التحكم في وحدة أحادية باستخدام جهاز التحكم عن بعد بالأشعة تحت الحمراء المرفق
التحكم في وحدة أحادية باستخدام جهاز لوحي أو حاسوب آلي
التحكم في وحدة أحادية باستخدام وحدة التحكم عن بُعد الخارجية
التحكم في وحدات متعددة باستخدام وحدة تحكم عن بُعد خارجية
مكان الأجزاء ووظائفها
الرؤية الأمامية
مجموعة طرف التوصيل
رؤية جانبية
العرض السفلي
موقع ووظيفة أجهزة التحكم عن بُعد بالأشعة تحت الحمراء (مرفقة)
شاشة تطبيق الويب
نظرة عامة على شاشة تطبيق الويب
بنية المنطقة المشتركة للشاشات
بنية شاشة التشغيل المباشر
بنية شاشة إعدادات PTZ AFR
بنية شاشة إعادة التشغيل
بنية شاشة الإعدادات
قائمة الكاميرا
عرض شاشة الكاميرا
الإعداد
تركيب الوحدة
التثبيت العمودي في مكان ثابت
التثبيت العمودي في مكان مرتفع وثابت
التثبيت في السقف
توصيل الكبلات
توصيل الوحدة بجهاز شبكة عبر اتصال سلكي
الاتصال بالوحدة باستخدام وحدة التحكم عن بُعد (خيار) عبر RS-422
توصيل مصدر طاقة
استخدام طاقة التيار المستمر
استخدام طاقة PoE++
إعادة ضبط التدوير/الإمالة
التهيئة قبل التصوير
تهيئة الوحدة باستخدام تطبيق الويب
الوصول إلى تطبيق الويب من متصفح الويب
تهيئة الوحدة
إعادة تعيين إعدادات الوحدة
تهيئة التشغيل الأساسي
تجهيز بطاقات الذاكرة
بطاقات الذاكرة
بطاقات الذاكرة الموصى بها
إدخال بطاقات الذاكرة
إخراج بطاقة الذاكرة
الصياغة (التهيئة الأولية) لبطاقات الذاكرة
التحقق من وقت التسجيل المتبقي
استعادة بطاقات الذاكرة
التصوير
التشغيل الأساسي
بدء/إيقاف التسجيل
التبديل بين بطاقات الذاكرة
فحص الصوت
تحديد بيانات الوقت
مراجعة التسجيل (Rec Review)
ضبط الإطارات
شاشة تعديل التأطير
ضبط اتجاه التصوير
ضبط اتجاه التصوير باستخدام تطبيق الويب
ضبط سرعة تشغيل التدوير/الإمالة
ضبط تسارع تشغيل التدوير/الإمالة
ضبط اتجاه التصوير باستخدام جهاز التحكم عن بعد بالأشعة تحت الحمراء المتوفر
ضبط الزوم
إعداد Zoom Type
تعيين Tele Convert
ضبط الزوم باستخدام تطبيق الويب
تعيين سرعة تشغيل الزوم باستخدام تطبيق الويب
ضبط الزوم باستخدام جهاز التحكم عن بعد بالأشعة تحت الحمراء
حفظ/استعادة موضع تدوير/إمالة/زوم الكاميرا
حفظ/استعادة التدوير/الإمالة، وموضع الزوم، وإعداد التركيز البؤري باستخدام تطبيق الويب
إعادة تسمية موضع ضبط مسبق باستخدام تطبيق الويب
استبدال موضع الضبط المسبق المحفوظ بموضع جديد باستخدام تطبيق الويب
حذف موضع الضبط المسبق المحفوظ باستخدام تطبيق الويب
مزامنة تشغيل التدوير/الإمالة وتشغيل الزوم/التركيز البؤري عند استعادة موضع الضبط المسبق
تغيير سرعة النقل (التدوير-الإمالة/الزوم/التركيز البؤري) عند استعادة موضع الضبط المسبق
تغيير زمن النقل (التدوير-الإمالة/الزوم) عند استعادة موضع ضبط مسبق
بدء التعقّب التلقائي لشخص بعد استعادة موضع الضبط المسبق
استعادة إعدادات التأطير التلقائي PTZ بعد استعادة موضع الضبط المسبق
حفظ/استعادة التدوير/الإمالة وموضع الزوم باستخدام جهاز التحكم عن بعد بالأشعة تحت الحمراء المتوفر
التأطير التلقائي للكاميرا (التأطير التلقائي PTZ)
نبذة عن التأطير التلقائي PTZ
عرض شاشة تطبيق الويب أثناء التأطير التلقائي PTZ
تهيئة الإعدادات الأولية للتأطير التلقائي PTZ (وضع «الشخص»)
تحديد الأهداف للتتبع التلقائي (وضع تشغيل التتبع اليدوي (الشخص))
تحديد الأهداف في وضع محدد والتتبع التلقائي (وضع تشغيل التتبع التلقائي (الشخص))
التتبع التلقائي لرياضات الكرة (كرة السلة) من موضع مرتفع
استدعاء تأطير معيّن مسبقًا للتأطير التلقائي PTZ
إعادة تسمية تأطير معين مسبقًا للتأطير التلقائي PTZ
تحرير التأطير المعين مسبقًا للتأطير التلقائي PTZ
استبدال التأطير المعين مسبقًا للتأطير التلقائي PTZ بتركيبة جديدة
إعادة ضبط تأطير معين مسبقًا للتأطير التلقائي PTZ
تغيير عدد الأشخاص المراد تعقبهم أثناء التأطير التلقائي PTZ
تغيير نطاق التحكم التلقائي للتأطير التلقائي PTZ والسرعة/الحساسية أثناء التتبع
حفظ بيانات تهيئة التأطير التلقائي PTZ وتحميلها
حفظ ملف PTZ AFR
تحميل ملف PTZ AFR
التأطير التلقائي PTZ باستخدام جهاز التحكم عن بعد بالأشعة تحت الحمراء المتوفر
التحقق من وضع التأطير التلقائي PTZ عن بعد
ضبط التركيز البؤري
شاشة تعديل التركيز البؤري
ضبط التركيز البؤري يدويًا (ضبط التركيز يدويًا)
ضبط التركيز البؤري يدويًا باستخدام تطبيق الويب
ضبط التركيز البؤري يدويًا باستخدام جهاز التحكم عن بعد بالأشعة تحت الحمراء المتوفر
التركيز البؤري من خلال تحديد موضع التركيز البؤري (تركيز موضعي)
استخدام التركيز البؤري التلقائي مؤقتًا (البؤري التلقائي بالضغط (AF))
ضبط التركيز البؤري تلقائيًا (ضبط التركيز تلقائيًا)
ضبط التركيز البؤري تلقائيًا باستخدام تطبيق الويب
ضبط التركيز البؤري تلقائيًا باستخدام جهاز التحكم عن بعد بالأشعة تحت الحمراء المتوفر
إعداد منطقة\وضع التركيز البؤري التلقائي (منطقة التركيز)
تغيير منطقة التركيز البؤري بسرعة (إعداد التركيز)
تحريك إطار منطقة التركيز البؤري باستخدام عملية اللمس (المس منطقة التركيز البؤري)
تعديل عملية التركيز البؤري التلقائي (سرعة النقل للتركيز البؤري التلقائي، حساسية تحويل هدف التركيز البؤري التلقائي)
إعداد هدف التركيز البؤري التلقائي يدويًا (AF Assist) باستخدام تطبيق الويب
التركيز البؤري يدويًا أثناء التركيز البؤري التلقائي باستخدام جهاز التحكم عن بعد بالأشعة تحت الحمراء المرفق
استخدام التركيز البؤري اليدوي مؤقتًا أثناء التركيز البؤري التلقائي (البؤري اليدوي بالضغط)
اكتشاف وتعقب شخص ما بالتركيز البؤري التلقائي
تعقب التركيز البؤري التلقائي لهدف محدد ( وضع AF للتعقب في الوقت الفعلي)
ملاحظات حول التصوير
ضبط البعد البؤري للحافة
تعديل السطوع
شاشة تعديل السطوع
إعداد مستوى الهدف لتعديل السطوع التلقائي
تعديل الحزقية
تعديل الحزقية تلقائيًا
تعديل الحزقية يدويًا
تعديل كسب الإشارة
تعديل كسب الإشارة تلقائيًا
تعديل كسب الإشارة يدويًا
تعديل الغالق
تعديل الغالق تلقائيًا
تعديل الغالق يدويًا
تعديل مستوى الإضاءة (مرشح ND)
معلومات حول مرشح ND
التعديل في وضع الضبط المسبق
التعديل تلقائيًا في الوضع المتغير
التعديل يدويًا في الوضع المتغير
التعديل للألوان الطبيعية (موازنة البياض)
شاشة ضبط موازنة البياض
تعديل موازنة البياض تلقائيًا
تعديل موازنة البياض يدويًا
تشغيل موازنة البياض التلقائي
تهيئة تثبيت الصورة
استخدام تثبيت الصورة
تهيئة الصوت للتسجيل
شاشة تهيئة الصوت
اختيار جهاز دخل الصوت
تعديل مستوى صوت التسجيل تلقائيًا
تعديل مستوى صوت التسجيل يدويًا
وظائف مفيدة
تشغيل القائمة المباشرة
الأزرار القابلة للتخصيص
الحركة السريعة والبطيئة
تسجيل فيديو بشكل متقطع (Interval Rec)
تسجيل الصور المخزنة مؤقتًا (Picture Cache Rec)
التسجيل إلى بطاقتي الذاكرة A وB في نفس الوقت (2-slot Simul Rec)
مراقب إشارة الفيديو
علامات المقطع
تسجيل بروكسي
نظرة عامة على تسجيل بروكسي
تسجيل بروكسي
التصوير بالمظهر المطلوب
نظرة عامة على المظهر
اختيار مظهر
استيراد مظهر أساسي ترغبه
إضفاء طابع خاص على المظهر
تخزين المظهر كملف مشهد
حذف المظهر الأساسي
إعادة تسمية ملف المشهد
مشاركة المظهر مع كاميرا أخرى
حفظ ملف مشهد من الذاكرة الداخلية إلى جهاز خارجي
تحميل ملف مشهد محفوظ على جهاز خارجي على الذاكرة الداخلية
التصوير مع تعديل المظهر في مرحلة ما بعد الإنتاج
التصوير مع تعديل المظهر في مرحلة ما بعد الإنتاج
تطبيق LUT على خرج SDI2/خرج HDMI وبث
تغيير LUT
حفظ وتحميل بيانات التهيئة
نظرة عامة على حفظ وتحميل بيانات التهيئة
حفظ ملف ALL
تحميل ملف ALL
وظائف الشبكة
نقل الملفات
معلومات حول نقل الملفات
تسجيل وجهة نقل ملفات
نقل مقاطع البروكسي المسجّلة تسلسليًا
اختيار ملف وتحميله
تحميل مقطع بروكسي على بطاقة ذاكرة من شاشة الصور المصغرة
تحميل مقطع أصلي على بطاقة ذاكرة من شاشة الصور المصغرة
التحقق من حالة نقل الملف
تحميل باستخدام FTP (بروتوكول نقل الملفات الآمن)
تهيئة البث
معلومات حول البث
إعداد صيغة البث
إعداد برنامج ترميز الفيديو للبث
إعداد برنامج ترميز الصوت للبث
بدء/إيقاف البث
شاشة الصور المصغرة
شاشة الصور المصغرة
تشغيل المقاطع وعمليات الاقتصاص الأخرى
عرض المقاطع المسجلة
العمليات على المقاطع المسجلة
قائمة الكاميرا والإعدادات التفصيلية
تهيئة قائمة الكاميرا
تشغيل قائمة الكاميرا
تشغيل قائمة الكاميرا
إدخال سلسلة أحرف
قائمة User
[User]
قائمة Edit User
[Edit User]
قائمة Shooting
[ISO/Gain]
[ND Filter]
[Shutter]
[Auto Exposure]
[White]
[White Setting]
[Offset White]
[Focus]
[S&Q Motion]
[LUT On/Off]
[NIGHTSHOT]
[
Soft Skin Effect
]
[Noise Suppression]
[Flicker Reduce]
[Image Stabilization]
قائمة Project
[Base Setting]
[Rec Format]
[Flexible ISO Setting]
[Simul Rec]
[Proxy Rec]
[
Interval Rec
]
[
Picture Cache Rec
]
[SDI/HDMI Rec Control]
[Assignable Button]
قائمة Paint/Look
[Scene File]
[Base Look]
[Reset Paint Settings]
[Black]
[Knee]
[Detail]
[Matrix]
[Multi Matrix]
قائمة Pan-Tilt
[P/T Acceleration]
قائمة TC/Media
[Timecode]
[TC Display]
[Users Bit]
[HDMI TC Out]
[Clip Name Format]
[Update Media]
[Format Media]
[Media Life]
قائمة Monitoring
[Output Format]
[Display On/Off]
[Video Signal Monitor]
[Marker]
قائمة Audio
[Audio Input]
[Audio Output]
قائمة Thumbnail
[Display Clip Properties]
[Set Clip Flag]
[Lock/Unlock Clip]
[Delete Clip]
[Copy Clip]
[Transfer Clip]
[Transfer Clip (Proxy)]
[Filter Clips]
[Customize View]
قائمة Technical
[Color Bars]
[Genlock]
[Tally]
[Rec Review]
[Zoom]
[Lens]
[APR]
[Measurement]
قائمة Network
[Wired LAN]
[File Transfer]
قائمة Maintenance
[Language]
[Hours Meter]
إعدادات قائمة Shooting والقيم المبدئية
إعدادات [ISO/Gain] والقيم المبدئية
إعدادات [AGC Limit] والقيم المبدئية
إعدادات [Video Format] / [Quality] / [Bit Rate]
إعدادات جودة الصورة المحفوظة لكل وضع تصوير
قائمة الويب والإعدادات التفصيلية
تهيئة قائمة الويب
عمليات قائمة الويب
قائمة Shooting
[Focus]
قائمة Project
[Base Setting]
[Rec Format]
[Simul Rec]
[Proxy Rec]
[
Interval Rec
]
[
Picture Cache Rec
]
[All File]
قائمة Paint/Look
[
Scene File
]
[Base Look]
قائمة Pan-Tilt
[P/T Speed]
[P/T Acceleration]
[P/T Range Limit]
[P/T Direction]
[P/T Preset]
قائمة Monitoring
[Output Format]
[Output Display]
قائمة Audio
[Audio Input]
[Audio Output]
قائمة Technical
[Tracking Data Output]
[Tracking Data]
[Tally]
[Tele Convert]
[IR Remote]
[RCP/MSU]
قائمة Network
[Camera Name]
[User]
[Wired LAN]
[File Transfer]
[
FTP Server 1
]، [
FTP Server 2
]، [
FTP Server 3
]
[SSL]
[SSH]
[Referer Check]
[Brute Force Attack Protection]
قائمة Stream
[Stream]
[Video Stream]
[Audio Stream]
قائمة Maintenance
[Language]
[Clock Set]
[Reset]
[Information]
[System Log]
[HTTP Access Log]
[Service]
[Software]
توصيل جهاز خارجي
توصيل شاشات المراقبة وأجهزة التسجيل الخارجية
توصيل RCP/MSU (اختياري)
الاتصال بـ RCP/MSU/CNA-2
التوصيل واحد إلى واحد بين الوحدة ولوحة RCP
استخدام الوحدة في بيئة متعددة الكاميرات مع وحدة MSU/محول CNA-2/برنامج التحكم عن بعد في الكاميرا
قائمة الوظائف المدعومة
التشغيل باستخدام جهاز التحكم عن بعد RM-IP500 (اختياري)
معلومات حول التشغيل باستخدام وحدة التحكم عن بعد RM-IP500 (اختياري)
توصيل وحدة التحكم عن بعد RM-IP500 عبر شبكة LAN السلكية
استخدام Camera Remote SDK
نبدة عن Camera Remote SDK
المزامنة مع جهاز خارجي
معلومات حول المزامنة مع جهاز خارجي
مزامنة مرحلة إشارة الفيديو (Genlock)
قفل رمز الوقت للأجهزة الأخرى
توصيل ميكروفون خارجي أو جهاز صوتي خارجي
إدارة/تحرير المقاطع باستخدام الحاسب الآلي
إخراج إشارة ألياف ضوئية
توصيل إشارة العد
إخراج بيانات التعقب
الملحق
الاحتياطات الخاصة بالاستخدام
صيغ الخرج وتقييداتها
تحري الخلل وإصلاحه
رسائل الخطأ\التحذير
قائمة بنود القائمة
البنود المحفوظة لمواضع الضبط المسبق
الرسوم التوضيحية التجميعية
التراخيص
المواصفات
العلامات التجارية