المواصفات
عامة
الوزن
- حوالي 3.5 كيلوجرامات
الأبعاد
راجع «الأبعاد الخارجية».
متطلبات الطاقة
- 12 فولت تيار مستمر (XLR مزوّد بـ 4 سنون)
- PoE++ (متوافق مع IEEE802.3bt Type 4 Class 8)
استهلاك الطاقة
- 132 واط (كحد أقصى) مع مصدر الإمداد بطاقة DC IN
- PoE++: 71.3 واط (بحد أقصى)
درجة حرارة التشغيل
- 0 درجة مئوية إلى 40 درجة مئوية
درجة حرارة التخزين
- –20 درجة مئوية إلى +60 درجة مئوية
صيغة التسجيل (الفيديو)
صيغة MP4:
- XAVC HS Long 422/420
- XAVC S Long 422/420
- XAVC S Intra
صيغة MXF:
- XAVC Long 422/420
- XAVC Intra
صيغة التسجيل (الصوت)
- LPCM 24 بت، 48 كيلوهرتز، 4 قنوات
معدل الإطار للتسجيل
صيغة MP4:
- XAVC HS Long 422/420
3840×2160/119.88P*، 100P*، 59.94P، 50P، 23.98P - XAVC S Long 422/420
3840×2160/119.88P*، 100P*، 59.94P، 50P، 29.97P، 25P، 23.98P
1920×1080/119.88P*، 100P*، 59.94P، 50P، 29.97P، 25P، 23.98P - XAVC S Intra
3840×2160/59.94P، 50P، 29.97P، 25P، 23.98P
1920×1080/59.94P، 50P، 29.97P، 25P، 23.98P
* عند تشغيل الحركة البطيئة والسريعة، سيتعذر استخدام 119.88P و100P.
صيغة MXF:
- XAVC Long 422
1920×1080P/59.94P، 50P، 29.97P، 25P، 23.98P
1920×1080i/59.94i، 50i
1280×720P/59.94P، 50P - XAVC Long 420
3840×2160P/59.94P، 50P، 29.97P، 25P، 23.98P - XAVC Intra
3840×2160P/59.94P، 50P، 29.97P، 25P، 23.98P
1920×1080P/59.94P، 50P، 29.97P، 25P، 23.98P
1920×1080i/59.94i، 50i
1280×720P/59.94P، 50P
زمن العرض/التسجيل
- XAVC HS Long 420
3840×2160P/59.94P
حوالي 100 دقيقة (باستخدام CEA-G160T) - XAVC S Long 420/XAVC Long 420
3840×2160P/59.94P
حوالي 100 دقيقة (باستخدام CEA-G160T)
1920×1080P/59.94P
حوالي 270 دقيقة (باستخدام CEA-G160T) - XAVC S Intra/XAVC Intra
3840×2160P/59.94P
حوالي 25 دقيقة (باستخدام CEA-G160T)
1920×1080P/59.94P
حوالي 75 دقيقة (باستخدام CEA-G160T)
ملاحظة
- قد يختلف زمن العرض/التسجيل نتيجة لظروف الاستخدام وخصائص الذاكرة. أزمنة العرض والتسجيل هي للتسجيل المتواصل كمقطع واحد. قد تكون الأزمنة الفعلية أقصر بحسب المقاطع المسجلة.
قسم التحكم في التدوير/الإمالة
- سرعة/نطاق حركة التدوير: ±175 درجة، 0.004 درجة/ثانية إلى 180 درجة/ثانية
- سرعة/نطاق حركة الإمالة: −30 درجة إلى 210 درجة، 0.004 درجة/ثانية إلى 180 درجة/ثانية
- تصنيف معيار الضوضاء: NC25 أو أقل
- عدد مواضع الضبط المسبق: 100
سيتنوع عدد مواضع الضبط المسبق المتوفرة بناءً على جهاز التحكم عن بعد المستخدم (تطبيق الويب: 100، RM-IP500: 100، جهاز التحكم عن بعد بالأشعة تحت الحمراء المتوفر: 3)
قسم الكاميرا
جهاز التصوير
- مستشعر الصورة ExmorRS CMOS مقاس 1.0 بوصة
إجمالي عدد البيكسلات
- 20.9 مليونًا (الإجمالي)
- 14.0 مليون (الفعال)
سيختلف عدد وحدات البكسل الفعالة تبعًا لوضع التصوير والإعدادات.
التركيز البؤري التلقائي
- أسلوب التحديد: تحديد مرحلة/تحديد تباين
مرشحات ND الداخلية
- [Clear]: لاشيء
- 1: 1/4ND
- 2: 1/16ND
- 3: 1/64ND
- ND متغير خطيًا: 1/4ND إلى 1/128ND
سرعة الغالق
- 64 إطارًا إلى 1/8000 ثانية (23.98P)
زاوية الغالق
- 5.6 درجات إلى 360 درجة، 2 إلى 64 إطارًا
الحركة السريعة والبطيئة
- XAVC S QFHD: 1 إطار في الثانية إلى 120 إطارًا في الثانية
- XAVC S HD: 1 إطار في الثانية إلى 240 إطارًا في الثانية
موازنة البياض
- 2000 K إلى 15000 K
الكسب
- –3 ديسبل إلى +36 ديسبل (بزيادات متدرجة بقيمة 1 ديسبل)
المظهر الأساسي
- [S-Cinetone]، [ITU709]، [709tone]، [s709]، [709(800%)]، [S-Log3]، [HLG Live]، [HLG Mild]، [HLG Natural]
قسم العدسة
- نسبة الزوم: البصرية ×20، الرقمية ×30 (دقة 4K) / 40× (دقة HD كاملة)
- الطول البؤري: f = من 7.71 إلى 154.21 مم، من 24 إلى 480 مم (يعادل 35 مم)
- القزحية: فتحة مفتوحة (العدد F) من F2.8 إلى F4.5، الحد الأدنى للفتحة (العدد F) F11، مغلقة
- الزاوية الأفقية للرؤية: حوالي 75 درجة
- الحد الأدنى لمسافة التصوير: 10 مم
قسم الصوت
تردد العينة
- 48 كيلوهرتز
التكميم
- 24 بت
استجابة التردد
- دخل XLR وضع MIC: 20 هرتز إلى 20 كيلوهرتز (±3 ديسبل أو أقل)
- دخل XLR وضع LINE: 20 هرتز إلى 20 كيلوهرتز (±3 ديسبل أو أقل)
النطاق الديناميكي
- دخل XLR وضع MIC: 80 ديسبل (نمطي)
- دخل XLR وضع LINE: 90 ديسبل (نمطي)
التشوه
- دخل XLR وضع MIC: 0.08% أو أقل (مستوى دخل –40 ديسبل جهد)
- دخل XLR وضع LINE: 0.08% أو أقل (مستوى دخل +14 ديسبل جهد)
قسم الخرج/الدخل
وصلات الدخل
موصل DC IN
- XLR بـ 4 سنون، من 11 إلى 17 فولط، 12 أمبير (كحد أقصى)
موصّل AUDIO IN
- AUDIO IN 1 / AUDIO IN 2: XLR بـ 3 سنون × 2، أنثى
LINE / MIC / MIC+48V فولط قابل للتحويل
MIC: مرجعي –30 ديسبل جهد إلى –80 ديسبل جهد
- MIC: مقبس صغير ø3.5 مم ستيريو، متوافق مع التوصيل بالكهرباء
طرف توصيل GENLOCK IN
- موصل BNC، 1.0 Vp-p، 75 أوم
طرف توصيل TC IN
- موصل BNC
وصلات الخرج
موصل SDI OUT 1 (12G) / موصل SDI OUT 2
- SDI OUT 1 (12G): خرج 12G-SDI من النوع BNC، 12G-SDI / 6G-SDI / 3G-SDI (Level A/B) / HD-SDI
- SDI OUT 2: خرج 3G-SDI من النوع BNC، 3G-SDI (Level A) / HD-SDI
طرف توصيل HDMI
- موصل Type-A
موصل OPTICAL البصري
- متوافق مع SFP+
* يتم إخراج نفس إشارة طرف توصيل خرج 12G-SDI. لا تدعم الوحدة دخل الإشارة الضوئية.
الدخل/الخرج
طرف توصيل LAN (شبكة)
- RJ-45، 1000BASE-T
موصل OPTION
- RJ-45 طرف توصيل دخل/خرج العد
طرف توصيل VISCA IN / طرف توصيل VISCA OUT
- بروتوكول التحكم: VISCA RS-422
قسم فتحة الوسط
- لبطاقة الذاكرة CFexpress Type A / SD (2)
الكماليات المرفقة
- جهاز التحكم عن بعد بالأشعة تحت الحمراء (1)
- ختم رمز QR (1)
- لوائح السلامة (2)
- كتيب الضمان (1)
- ذراع التثبيت بالسقف (A) (1)
- ذراع التثبيت بالسقف (B) (1)
- حبل سلكي واقٍ من السقوط (1)
- براغي +PSW M3×8 (6)
- براغي +PSW M4×8 من الإستانلس ستيل للحبل السلكي الواقي من السقوط (1)
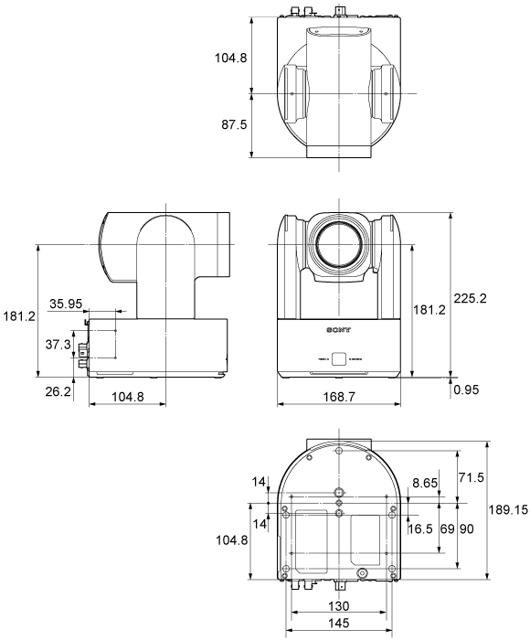
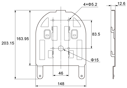
الأبعاد الخارجية
الأبعاد قيم تقريبية.
الوحدة: مم
جسم الكاميرا
ذراع التثبيت بالسقف (B)
التصميم والمواصفات عرضة للتغيير دون إشعار.
TP1001868658

