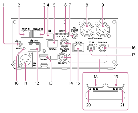
مجموعة طرف التوصيل
يصف هذا الموضوع مكان ووظائف الأجزاء الموجودة على مجموعة طرف التوصيل بالوحدة.
-
توصيل
(التأريض)
قم بالتوصيل بالأرض عن طريق التوصيل بالطرف الأرضي لمأخذ الطاقة أو بقضيب تأريض.
-
موصل VISCA IN
اتصل بجهاز تحكم عن بعد (اختياري).
عند توصيل كاميرات متعددة، قم بتوصيل موصل VISCA RS-422 OUT للكاميرا السابقة.
-
موصل VISCA OUT
عند توصيل كاميرات متعددة، قم بتوصيل موصل VISCA RS-422 IN للكاميرا التالية.
-
مستشعر التحكم عن بعد بالأشعة تحت الحمراء (خلفي)
مستشعر الأشعة تحت الحمراء لجهاز التحكم عن بُعد بالأشعة تحت الحمراء.
-
موصل OPTICAL البصري
يتم تحويل إشارة SDI OUT1 (12G) إلى صيغة بصري عند توصيل وحدة SFP+ (اختياري).
- للحصول على التفاصيل، راجع «إخراج إشارة ألياف ضوئية».
-
مفاتيح SETUP
لتهيئة الإعدادات التالية.
المفتاح 1، 2: يُحدد جهاز التحكم عن بعد بالأشعة تحت الحمراء (مرفق) الذي سيجري العمليات.
إعداد المفتاح 1 إعداد المفتاح 2 الوصف OFF (مبدئيًا) OFF (مبدئيًا) يتلقى العمليات من جهاز التحكم عن بعد بالأشعة تحت الحمراء (مرفق) مع معرّف التحكم عن بعد رقم 1.
الإعداد الافتراضي.OFF ON يتلقى العمليات من جهاز التحكم عن بعد بالأشعة تحت الحمراء (مرفق) مع معرّف التحكم عن بعد رقم 2. ON OFF يتلقى العمليات من جهاز التحكم عن بعد بالأشعة تحت الحمراء (مرفق) مع معرّف التحكم عن بعد رقم 3. ON ON محفوظ المفتاح 3: يعين الإعدادات التي تتم إعادة تعيينها عند الضغط على مفتاح RESET.
الإعدادات الوصف OFF (مبدئيًا) يعيد تعيين إعدادات اتصال الشبكة فقط. ستتم إعادة تعيين إعدادات الشبكة وإعدادات الأمان ومعلومات المستخدم (اسم المستخدم وكلمة المرور) للوحدة. ON لإعادة تعيين كل الإعدادات إلى التهيئة المبدئية للمصنع. المفتاح 4: لتفعيل/تعطيل اتصال VISCA و VISCA over IP. يتم تطبيق الإعدادات عند تشغيل الكاميرا.
عيّن على وضع ON لاستخدام الوحدة عند توصيلها بوحدة تحكم عن بُعد RM-IP500.
الإعدادات الوصف OFF (مبدئيًا) لن تتم الاستجابة لأوامر VISCA. ON يتم قبول أوامر VISCA. ملاحظة
- إذا لم تتم تهيئة كلمة مرور المسؤول، فسيتم تعطيل اتصال VISCA، بغض النظر عن إعداد المفتاح. للحصول على تفاصيل حول تهيئة كلمة مرور المسؤول، راجع «تهيئة الوحدة».
المفتاح 5: يعين معدل الباود لموصل VISCA IN/VISCA OUT. يتم تطبيق الإعدادات عند تشغيل الكاميرا.
الإعدادات الوصف OFF (مبدئيًا) يعين معدل الباود إلى 9600 bps. ON يعين معدل الباود إلى 38400 bps. المفتاح 6، 7: محفوظ. غير مستخدم.
المفتاح 8: يعين عنوان IP إلى قيمة محددة.
الإعدادات الوصف OFF (مبدئيًا) يعين المستخدم عنوان IP. ON يعين عنوان IP للوحدة إلى 192.168.0.100 عند بدء التشغيل (وضع عنوان IP الثابت). ملاحظة
- إذا تغيّر عنوان IP بعد بدء التشغيل في قائمة الويب، فعيّن هذا المفتاح إلى وضع OFF.
-
موصل MIC (ستيريو مقاس ø3.5 مم)
وصل بميكروفون ذي مقبس صغير ستيريو مقاس ø3.5 مم (ثلاثي الأقطاب).
-
موصل 1 AUDIO IN (موصل من 3 سنون من نوع XLR)
-
موصل 2 AUDIO IN (موصل من 3 سنون من نوع XLR)
يُستخدم لإدخال الإشارة من ميكروفون خارجي أو جهاز صوت.
- للحصول على تفاصيل، راجع «توصيل ميكروفون خارجي أو جهاز صوتي خارجي».
-
مفتاح RESET
اضغط لمدة 5 ثوانٍ على الأقل باستخدام طرف قلم أو جهاز مشابه لإعادة ضبط إعدادات الوحدة إلى التهيئة المبدئية للمصنع.
يمكنك تحديد ما إذا كنت تريد إعادة تعيين إعدادات اتصال الشبكة فقط أو جميع الإعدادات باستخدام مفتاح SETUP 3.
-
موصل DC IN (موصل من 4 سنون من نوع XLR)
موصل DC IN (الإمداد بطاقة DC) (4 سنون من النوع XLR، وصلة بارزة) لتوصيل إمداد خارجي بالطاقة بالوحدة. يدعم جهد دخل يعادل 12 فولط تيار مستمر (11 فولط إلى 17 فولط).
الرقم إشارة 1 GND 2 NC 3 NC 4 DC IN (11 فولط إلى 17 فولط) ملاحظة
- إذا تم تمديد كابل الطاقة إلى مسافة بعيدة، فسيحدث انخفاض في الجهد نظرًا للحمل. تحقق من أن جهد الدخل عند موصل الطاقة لا يقع تحت 12 فولط قبل تشغيل الوحدة.
- تراقب الوحدة الجهد. في حالة انخفاض الجهد إلى أقل من 11.5 فولط، يتم اكتشاف [Voltage Low] وتُعرض رسالة تحذيرية عبر تطبيق الويب، ومصباح التسجيل/الإشارة، ومصباح POWERمصباح NETWORK.
- في حالة انخفاض الجهد إلى أقل من 11.0 فولط، يتم اكتشاف [Insufficient Voltage] وتُعرض رسالة تحذيرية عبر تطبيق الويب، ومصباح التسجيل/الإشارة، ومصباح POWERمصباح NETWORK. عند اكتشاف [Insufficient Voltage]، فلن تعود الوحدة إلى وضع التشغيل الطبيعي إذا ارتفع الجهد بعد ذلك. تأكد من أن الإمداد بالطاقة مستقر، ثم افصل كابل الطاقة ووصل الإمداد بالطاقة مرة أخرى.
-
طرف توصيل
LAN (الشبكة) (RJ-45)
وصّل كبل شبكة (فئة 5e أو أعلى) لاتصالات الشبكة ومصدر طاقة PoE++* بالوحدة.
*PoE++: Power over Ethernet Plus Plus. يتوافق مع IEEE802.3bt (Type 4 Class 8). للتعرف على التفاصيل المتعلقة بالاتصال، راجع تعليمات التشغيل الخاصة بجهاز التزويد بالطاقة.
ملاحظة
- بعض الوظائف مقيّدة أثناء تشغيل PoE++. للتفاصيل، راجع «استخدام طاقة PoE++».
A: مؤشر حالة LED للسرعة
المعروض على الشاشة سرعة الاتصال دون إضاءة اتصال 10 Mbps اتصال 100 Mbps إضاءة برتقالية اتصال 1000 Mbps B: مؤشر حالة Link/ACT LED
المعروض على الشاشة وضع التوصيل دون إضاءة لا يوجد رابط أخضر وامض تم إنشاء الارتباط، البيانات نشطة إضاءة خضراء ارتباط نشط ملاحظة
- عند توصيل هذا المنتج بالإنترنت، أجر الاتصال عبر نظام يوفر وظيفة حماية، مثل الموجه أو جدار الحماية. في حالة الاتصال بدون هذه الحماية، فقد تحدث مشكلات أمنية.
-
طرف توصيل HDMI
يخرج الفيديو من الوحدة كإشارة HDMI.
- للحصول على تفاصيل، راجع «طرف توصيل HDMI OUT (موصل Type A)» في «توصيل شاشات المراقبة وأجهزة التسجيل الخارجية».
-
موصل SDI OUT 1 (12G) / موصل SDI OUT 2
موصل SDI OUT 1 (12G): يخرج الفيديو من الوحدة كإشارة 12G/6G/3G/1.5G SDI.
موصل SDI OUT 2: يخرج الفيديو من الوحدة كإشارة 3G/1.5G SDI.
- للحصول على تفاصيل، راجع «طرف توصيل SDI OUT (طراز BNC)» في «توصيل شاشات المراقبة وأجهزة التسجيل الخارجية».
-
موصل OPTION
استخدمه لتوصيل إشارة العد من جهاز خارجي.
- للحصول على التفاصيل، راجع «توصيل إشارة العد».
-
طرف توصيل GENLOCK
يُستخدم لإدخال إشارة المزامنة الخارجية.
- للحصول على تفاصيل، راجع «مزامنة مرحلة إشارة الفيديو (Genlock)».
-
طرف توصيل TC IN
يدخل إشارة مرجعية خارجية للوقت.
- للحصول على التفاصيل، راجع «قفل رمز الوقت للأجهزة الأخرى».
-
فتحة بطاقة CFexpress Type A / SD (A)
-
فتحة بطاقة CFexpress Type A / SD (B)
استخدمه لإدخال وسط التسجيل.
- للحصول على تفاصيل، «إدخال بطاقات الذاكرة».
-
مؤشر الوصول A
-
مؤشر الوصول B
يضيء المؤشر أو يومض عند إدخال وسائط التسجيل.
- للحصول على تفاصيل، «إدخال بطاقات الذاكرة».

