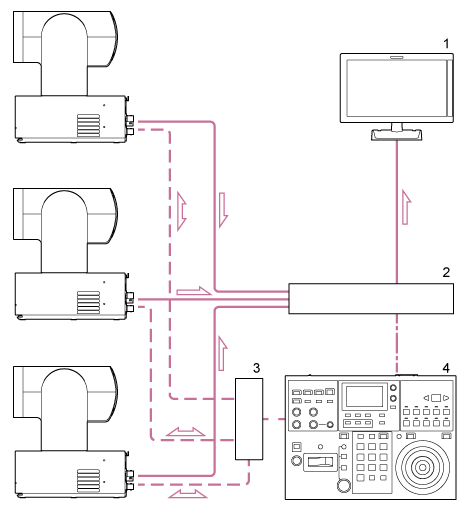
التحكم في وحدات متعددة باستخدام وحدة تحكم عن بُعد خارجية
اتصال VISCA over IP
يمكنك التحكم فيما يصل إلى 100 وحدة عن بُعد باستخدام وحدة تحكم عن بُعد واحدة.
إشارة الفيديو
إشارة التحكم عن بُعد
إشارة العد/الاتصال
تدفق الإشارة
-
شاشة فيديو
-
محول الفيديو
-
موزع Ethernet
-
وحدة التحكم عن بعد RM-IP500
TP1001868385

