Dane techniczne
Ogólne
Masa
- ok. 4,6 kg (sam korpus)
- ok. 6,0 kg (z obiektywem SELP28135G)
Wymiary
Patrz: „Wymiary zewnętrzne”.
Wymagania dotyczące zasilania
- 19,5 V DC
- PoE++ (zgodność ze standardem IEEE802.3bt, Type 4, Class 8)
Pobór mocy
- 19,5 V DC: 80,0 W (maks.)
- PoE++: 71,3 W (maks.)
Temperatura pracy
- od 0 °C do 40 °C
Temperatura przechowywania
- od −20 °C do +60 °C
Format nagrywania (wideo)
- XAVC Intra
Tryb XAVC-I 4K/QFHD: VBR, szybkość bitowa (maks.): 600 Mb/s, MPEG-4 AVC/H.264
Tryb XAVC-I HD: CBG, 223 Mb/s (maks.), MPEG-4 AVC/H.264
- XAVC Long
Tryb XAVC-L QFHD: VBR, szybkość bitowa (maks.): 150 Mb/s, MPEG-4 H.264/AVC
Tryb XAVC-L HD 50: VBR, 50 Mb/s (maks.), MPEG-4 H.264/AVC
Tryb XAVC-L HD 35: VBR, 35 Mb/s (maks.), MPEG-4 H.264/AVC
Format nagrywania (audio)
- LPCM, 24 bity, 48 kHz, 4 kanały
Szybkość klatek przy nagrywaniu
- XAVC Intra
Tryb XAVC-I 4K: 4096×2160/59.94P, 50P, 29.97P, 25P, 24P, 23.98P
Tryb XAVC-I QFHD: 3840×2160/59.94P, 50P, 29.97P, 25P, 23.98P
Tryb XAVC-I HD: 1920×1080/59.94P, 50P, 29.97P, 25P, 23.98P
- XAVC Long
Tryb XAVC-L QFHD: 3840×2160/59.94P, 50P, 29.97P, 25P, 23.98P
Tryb XAVC-L HD 50: 1920×1080/59.94P, 50P, 29.97P, 25P, 23.98P
Tryb XAVC-L HD 35: 1920×1080/59.94P, 50P, 29.97P, 25P, 23.98P
Czas nagrywania/odtwarzania
- XAVC Intra
Tryb XAVC-I QFHD: 59.94P, ok. 30 minut (w przypadku korzystania z karty pamięci CEA-G160T)
Tryb XAVC-I HD: 59.94P, ok. 78 minut (w przypadku korzystania z karty pamięci CEA-G160T)
- XAVC Long
Tryb XAVC-L QFHD: 59.94P, ok. 115 minut (w przypadku korzystania z karty pamięci CEA-G160T)
Tryb XAVC-L HD 50: 59.94P, ok. 155 minut (w przypadku korzystania z karty pamięci CEA-G80T)
Tryb XAVC-L HD 35: 59.94P, ok. 210 minut (w przypadku korzystania z karty pamięci CEA-G80T)
Uwaga
- Czas nagrywania/odtwarzania może się różnić w zależności od warunków użytkowania i parametrów karty pamięci. Czasy nagrywania i odtwarzania podano w odniesieniu do ciągłego nagrania w postaci pojedynczego klipu. Rzeczywiste czasy mogą być krótsze w zależności od liczby nagranych klipów.
Sekcja dotycząca napędu mechanizmu obrotu w poziomie/pionie
- Minimalna prędkość obrotu w poziomie: 0,02 st./s
- Minimalna prędkość obrotu w pionie: 0,02 st./s
- Maksymalna prędkość obrotu w poziomie: 60 st./s
- Maksymalna prędkość obrotu w pionie: 60 st./s
- Zakres obrotu w poziomie: od −170 st. do +170 st.
- Zakres obrotu w pionie: od −30 st. do +195 st.
- Poziom hałasu: NC35 lub niższy
- Ustawienia wstępne położenia: 100
Sekcja kamery
Przetwornik obrazu
- Przetwornik CMOS Exmor R, pełnoklatkowy 35mm (35,6 × 23,8 mm)
Liczba pikseli
- Około 12,9 megapiksela (łączna liczba pikseli)
- Około 10,3 megapiksela (efektywna liczba pikseli)
Automatyczne ustawianie ostrości
- Metoda pomiaru: pomiar kontrastu / przesunięcia fazowego
Wewnętrzne filtry ND
- CLEAR: OFF
- 1: 1/4ND
- 2: 1/16ND
- 3: 1/64ND
- Zmienny liniowo filtr ND: od 1/4ND do 1/128ND
Czułość ISO
- ISO 800/12800 (tryb Cine EI źródło światła D55)
Mocowanie obiektywu
- Mocowanie typu E
Zakres dynamiki
- Ponad 15 nastaw
Czas otwarcia migawki
- od 64F do 1/8000 s (23.98P)
Kąt otwarcia migawki
- od 5,6° do 360°, od 2 do 64 klatek
Zwolnione/przyspieszone tempo
- XAVC QFHD: od 1 kl./s do 120 kl./s
- XAVC HD: od 1 kl./s do 240 kl./s
- XAVC 4K: od 1 kl./s do 60 kl./s
- XAVC HD (S35): od 1 kl./s do 120 kl./s
Balans bieli
- od 2000 K do 15000 K
Wzmocnienie
- od −3 dB do +30 dB (z regulacją co 1 dB)
Wygląd podstawowy
- S-Cinetone, Standard, Still, ITU709, 709tone, s709, 709(800%), S-Log3, HLG Live, HLG Natural
Sekcja dźwięku
Częstotliwość próbkowania
- 48 kHz
Kwantyzacja
- 24-bitowa
Pasmo przenoszenia
- Tryb MIC wejścia XLR: od 20 Hz do 20 kHz (±3 dB lub mniej)
- Tryb LINE wejścia XLR: od 20 Hz do 20 kHz (±3 dB lub mniej)
Zakres dynamiczny
- Tryb MIC wejścia XLR: 80 dB (typowo)
- Tryb LINE wejścia XLR: 90 dB (typowo)
Zniekształcenie
- Tryb MIC wejścia XLR: 0,08% lub mniej (poziom wejściowy: −40 dBu)
- Tryb LINE wejścia XLR: 0,08% lub mniej (poziom wejściowy: +14 dBu)
Sekcja dotycząca wejść/wyjść
Wejścia
DC IN
- Złącze zgodne ze standardem EIAJ, 19,5 V DC
AUDIO IN
- Złącze żeńskie typu XLR, 5-stykowe
LINE / MIC / MIC+48V (możliwość przełączania)
MIC: poziom odniesienia od −30 dBu do −80 dBu
GENLOCK IN
- Złącze BNC, 1,0 Vp-p, 75 Ω
TC IN
- Złącze BNC
Wyjścia
SDI OUT
- Złącze BNC, 12G-SDI, 6G-SDI, 3G-SDI (Level A/B), HD-SDI
HDMI
- Złącze typu A
Złącze wyjściowe OPTICAL
- Zgodność ze standardem SFP+
* Urządzenie nie obsługuje optycznego sygnału wejściowego.
Wejścia/wyjścia
Złącze LAN
- RJ-45, 1000BASE-T
Złącze OPTION
- RJ-45, złącze wejścia/wyjścia lampki typu Tally
Sekcja dotycząca gniazd nośników
- Gniazdo na karty CFexpress Type A / karty SD (2)
Dołączone akcesoria
- Zasilacz sieciowy (1)
- Przewód zasilający (1)
- Pilot zdalnego sterowania na podczerwień (1)
- Dekielek na korpus (1) (zamocowany do urządzenia)
- Płytka mocująca do kabla HDMI (1)
- Przed użyciem tego urządzenia (1)
- Książeczka gwarancyjna (1)
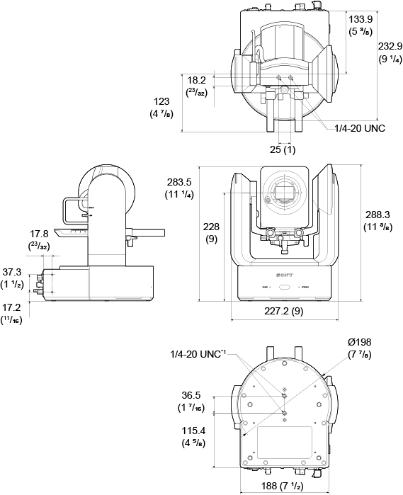
Wymiary zewnętrzne
Wartości wymiarów są przybliżone.
Jednostka: mm
Obudowa kamery
*1Wkręt do mocowania statywu
Uchwyt sufitowy
Konstrukcja i dane techniczne mogą ulec zmianie bez powiadomienia.

