帮助指南
彩色视频摄像机
BRC-AM7
JavaScript被禁用。
请启用JavaScript并重新加载页面。
返回
返回首页
打印
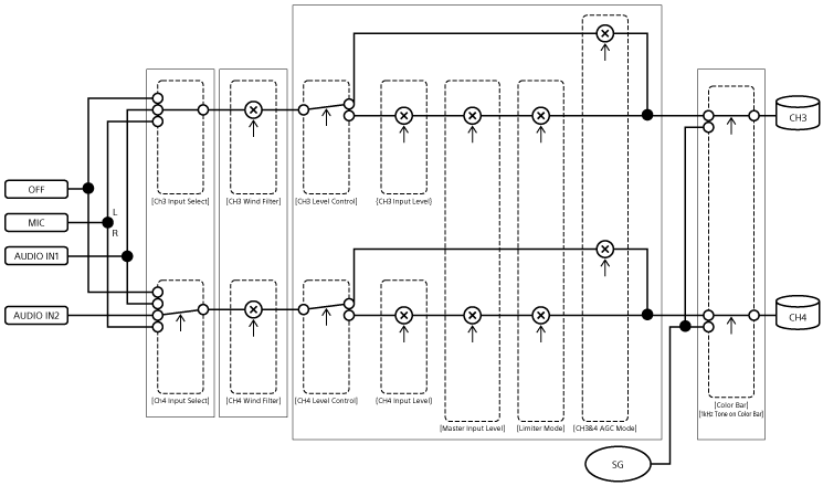
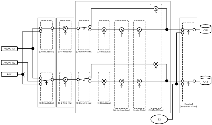
方框图
音频输入
音频输出
返回页首
TP1001868938
概述
主要用途
系统配置
使用随附的红外遥控器控制单个单元
使用平板电脑或计算机控制单个单元
使用外部遥控器控制单个单元
使用外部遥控器控制多个单元
部件的位置和功能
正视图
接口块
侧视图
底视图
红外遥控器(随附)的部件的位置和功能
Web App屏幕
Web App屏幕概述
屏幕通用区域的结构
实时操作屏幕的结构
PTZ AFR设置屏幕的结构
播放操作屏幕的结构
设置屏幕的结构
摄像机菜单
摄像机屏幕显示
准备工作
安装本机
在固定位置直立安装
在较高的固定位置直立安装
在天花板上安装
连接电缆
通过有线连接将本机连接到网络设备
通过RS-422使用遥控器(选件)连接到本机
连接电源
使用直流电源
使用PoE++电源
重设平移/俯仰
拍摄前的配置
使用Web App初始化本机
从Web浏览器访问Web App
初始化本机
重设本机设置
配置基本操作
准备存储卡
存储卡
推荐存储卡
插入存储卡
弹出存储卡
格式化(初始化)存储卡
检查剩余录制时间
恢复存储卡
拍摄
基本操作
开始/停止录制
在不同存储卡之间切换
检查音频
指定时间数据
预览录制(摄像预览)
调整框架
框架调整屏幕
调整拍摄方向
使用Web App调整拍摄方向
设置平移/俯仰操作速度
设置平移/俯仰操作加速度
使用随附的红外遥控器调整拍摄方向
调整变焦
设置变焦类型
设置长焦转换
使用Web App调整变焦
使用Web App设置变焦操作速度
使用随附的红外遥控器调整变焦
保存/恢复摄像机平移/俯仰/变焦位置
使用Web App保存/恢复平移/俯仰、变焦位置和对焦设置
使用Web App重命名预设位置
使用Web App将保存的预设位置更换为新位置
使用Web App删除保存的预设位置
在恢复预设位置时同步平移/俯仰操作和变焦/对焦操作
在恢复预设位置时更改过渡速度(平移-俯仰/变焦/对焦)
在恢复预设位置时更改过渡时间(平移-俯仰/变焦)
恢复预设位置后开始自动跟踪人物
恢复预设位置后恢复PTZ自动取景设置
使用随附的红外遥控器保存/恢复平移/俯仰和变焦位置
自动摄像机取景构图(PTZ自动取景构图)
关于PTZ自动取景构图
PTZ自动取景构图期间的Web App屏幕显示
配置PTZ自动取景构图初始设置(“人物”模式)
指定自动跟踪的被摄体(人物手动跟踪启动模式)
选择指定位置的被摄体并自动跟踪(人物自动跟踪启动模式)
从高处自动跟踪球类运动(篮球)
调出PTZ自动取景构图的预设取景构图
重命名PTZ自动取景构图的预设取景构图
编辑PTZ自动取景构图的预设取景构图
使用新构图替换PTZ自动取景构图的预设取景构图
重设PTZ自动取景构图的预设取景构图
更改PTZ自动取景构图时要跟踪的人数
更改PTZ自动取景构图的自动控制范围以及跟踪期间的速度/灵敏度
保存和加载PTZ自动取景构图配置数据
保存PTZ AFR文件
加载PTZ AFR文件
使用随附的红外遥控器进行PTZ自动取景构图
远程检查PTZ自动取景构图状态
调整对焦
对焦调整屏幕
手动调整对焦(手动对焦)
使用Web App手动调整对焦
使用随附的红外遥控器手动调整对焦
通过指定对焦位置进行对焦(点对焦)
暂时使用自动对焦(键控自动对焦(AF))
自动调整对焦(自动对焦)
使用Web App自动调整对焦
使用随附的红外遥控器自动调整对焦
设置自动对焦区域/位置(对焦区域)
快速更改对焦区域(对焦设置)
使用触摸操作移动对焦区域框(触摸对焦区域)
调整自动对焦操作(AF过渡速度、AF物体转换灵敏度)
使用Web App手动设置自动对焦目标(AF帮助)
自动对焦期间使用随附的红外遥控器手动对焦
自动对焦期间临时使用手动对焦(按键手动对焦)
检测和AF跟踪人物
AF跟踪指定被摄体(实时跟踪AF)
拍摄注意事项
调整法兰焦距
调整亮度
亮度调整屏幕
设置自动亮度调整的目标等级
调整光圈
自动调整光圈
手动调整光圈
调整亮度增益
自动调整亮度增益
手动调整亮度增益
调整快门
自动调整快门
手动调整快门
调整亮度等级(ND滤镜)
关于ND滤镜
在预设模式下调整
在可变模式下自动调整
在可变模式下手动调整
调整自然色(白平衡)
白平衡调整屏幕
自动调整白平衡
手动调整白平衡
运行自动白平衡
配置影像稳定功能
使用影像稳定功能
配置要录制的音频
音频配置屏幕
选择音频输入设备
自动调整音频录制等级
手动调整音频录制等级
有用的功能
直接菜单操作
可指定按钮
慢&快动作录制
断续录制视频(间隔录制)
录制缓存图像(缓存录制)
同时录制到存储卡A和B(双插槽同步录制)
视频信号监视
片段旗标
Proxy录制
Proxy录制概述
录制Proxy
根据所需风格进行拍摄
风格概述
选择风格
导入所需基本风格
自定义风格
将风格保存为场景文件
删除基本风格
重命名场景文件
与另一台摄像机共享风格
将场景文件从内部存储器保存至外部设备
将外部设备中保存的场景文件加载到内部存储器
通过后期制作中的风格调整进行拍摄
通过后期制作中的风格调整进行拍摄
将LUT应用到SDI2输出/HDMI输出和流媒体
更改LUT
保存和加载配置数据
保存和加载配置数据概述
保存全部文件
加载全部文件
网络功能
传输文件
关于文件传输
注册文件传输目的地
按顺序传输录制的Proxy片段
选择文件和上传
通过缩略图屏幕上传存储卡上的Proxy片段
通过缩略图屏幕上传存储卡上的原始片段
查看文件传输状态
使用安全的FTP上传
配置流媒体
关于流媒体
设置流媒体格式
设置流媒体的视频编解码器
设置流媒体的音频编解码器
开始/停止流媒体
缩略图屏幕
缩略图屏幕
播放片段和其他片段操作
播放已录制的片段
录制片段上的操作
摄像机菜单和详细设置
摄像机菜单配置
操作摄像机菜单
操作摄像机菜单
输入字符串
用户菜单
[用户]
编辑用户菜单
[编辑用户]
拍摄菜单
[ISO/增益]
[ND滤镜]
[快门]
[自动曝光]
[白平衡]
[白平衡设置]
[预制白平衡]
[对焦]
[S&Q Motion]
[LUT开/关]
[NIGHTSHOT]
[
美肤效果
]
[抑噪]
[减少闪烁]
[影像稳定]
项目菜单
[基本设定]
[录制格式]
[灵活ISO设置]
[同步录制]
[Proxy录制]
[
间隔录制
]
[
缓存录制
]
[SDI/HDMI录制控制]
[可指定按钮]
绘图/风格菜单
[场景文件]
[基本风格]
[重设绘图设置]
[黑]
[膝点]
[细节]
[矩阵]
[多种矩阵]
平移-俯仰菜单
[P/T加速度]
TC/媒体菜单
[时间码]
[TC显示]
[用户比特]
[HDMI TC输出]
[片段名称格式]
[更新媒体]
[格式化媒体]
[媒体使用寿命]
监看菜单
[输出格式]
[显示开/关]
[视频信号监视]
[标记]
音频菜单
[音频输入]
[音频输出]
缩略图菜单
[显示片段属性]
[设置片段旗标]
[锁定/取消锁定片段]
[删除片段]
[复制片段]
[传输片段]
[传输片段(Proxy)]
[片段筛选]
[自定义视图]
技术菜单
[彩条]
[强制同步]
[指示灯]
[摄像预览]
[变焦]
[镜头]
[APR]
[测量]
网络菜单
[有线LAN]
[文件传输]
维护菜单
[Language]
[时制]
拍摄菜单设置和默认值
[ISO/增益]设置和默认值
[AGC限定]设置和默认值
[视频格式] / [影像质量] / [比特率]设置
为每种拍摄模式保存的图像质量设置
Web菜单和详细设置
Web菜单配置
Web菜单操作
拍摄菜单
[对焦]
项目菜单
[基本设定]
[录制格式]
[同步录制]
[Proxy录制]
[
间隔录制
]
[
缓存录制
]
[全部文件]
绘图/风格菜单
[
场景文件
]
[基本风格]
平移-俯仰菜单
[P/T速度]
[P/T加速度]
[P/T范围限制]
[P/T方向]
[P/T预设]
监看菜单
[输出格式]
[输出显示]
音频菜单
[音频输入]
[音频输出]
技术菜单
[跟踪数据输出]
[跟踪数据]
[指示灯]
[望远倍率镜]
[红外线遥控]
[RCP/MSU]
网络菜单
[摄像机名称]
[用户]
[有线LAN]
[文件传输]
[
FTP服务器 1
]、[
FTP服务器 2
]、[
FTP服务器 3
]
[SSL]
[SSH]
[Referer检查]
[暴力攻击保护]
流媒体菜单
[流媒体]
[视频流媒体]
[音频流媒体]
维护菜单
[Language]
[时钟设定]
[重设]
[信息]
[系统日志]
[HTTP存取日志]
[服务]
[软件]
外部设备连接
连接外部显示屏和录制设备
连接RCP/MSU(选件)
连接RCP/MSU/CNA-2
本机和RCP之间的一对一连接
在多摄像机环境中借助MSU/CNA-2/摄像机遥控控制软件使用本机
支持功能的列表
使用RM-IP500遥控器(选件)的操作
关于使用RM-IP500遥控器(选件)的操作
通过有线LAN连接RM-IP500遥控器
使用Camera Remote SDK
关于Camera Remote SDK
与外部设备同步
关于与外部设备同步
同步视频信号的相位(强制同步)
将时间码锁定到其他设备
连接外部麦克风或外部音频设备
使用计算机管理/编辑片段
输出光纤信号
连接指示灯信号
输出跟踪数据
附录
使用注意事项
输出格式和限制
故障排除
操作警告
菜单项目列表
预设位置保存的项目
方框图
许可证
规格
商标