使用外部遥控器控制多个单元

VISCA over IP连接

可以使用单个遥控器远程控制最多100个单元。

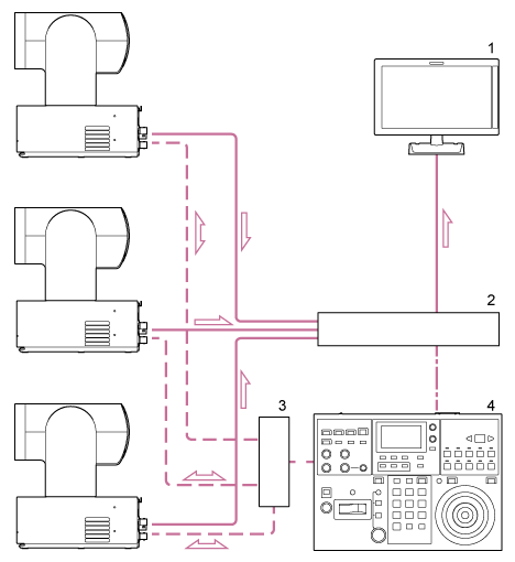
显示本机和相关设备之间连接以及信号流的插图

视频信号

遥控信号

提示/接触信号

信号流

  1. 视频显示器

  2. 视频切换器

  3. 以太网中心

  4. RM-IP500遥控器

 
TP1001868666