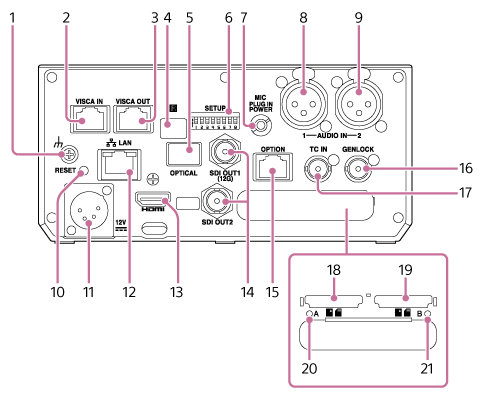
接口块
此主题介绍本机接口块上的部件的位置和功能。
-
(接地)连接
通过连接到电源插座的接地端子或接地排,连接到地面。
-
VISCA IN接口
连接到遥控器(选件)。
连接多台摄像机时,请连接到上一台摄像机的VISCA RS-422 OUT接口。
-
VISCA OUT接口
连接多个摄像机时,请连接到下一个摄像机的VISCA RS-422 IN接口。
-
红外遥控传感器(后部)
用于随附红外遥控器的红外传感器。
-
OPTICAL输出接口
连接SFP+模块(选件)时,输出转换为光学格式的SDI OUT1 (12G)接口信号。
- 有关详细信息,请参阅“输出光纤信号”。
-
SETUP开关
配置下列设置。
开关1、2:选择将要执行操作的红外遥控器(随附)。
开关1设置 开关2设置 说明 OFF(默认) OFF(默认) 接收遥控器ID为1的红外遥控器(随附)的操作。
默认设置。OFF ON 接收遥控器ID为2的红外遥控器(随附)的操作。 ON OFF 接收遥控器ID为3的红外遥控器(随附)的操作。 ON ON 保留 开关3:设置按下RESET开关时要重设的设置。
设置 说明 OFF(默认) 仅重设网络连接设置。可以重设本机的网络设置、安全设置和用户信息(用户名和密码)。 ON 将所有设置重设为出厂默认值。 开关4:允许/禁止VISCA和VISCA over IP通信。打开摄像机时会应用此设置。
连接到RM-IP500遥控器时,将此开关设置到ON位置以使用本机。
设置 说明 OFF(默认) 将不会响应VISCA命令。 ON 接受VISCA命令。 注意
- 如果尚未配置管理员密码,无论开关设置为何,都会禁止VISCA通信。有关配置管理员密码的详细信息,请参阅“初始化本机”。
开关5:设置VISCA IN/VISCA OUT接口波特率。打开摄像机时会应用此设置。
设置 说明 OFF(默认) 将波特率设为9600 bps。 ON 将波特率设为38400 bps。 开关6、7:保留。未使用。
开关8:将IP地址设为特定值。
设置 说明 OFF(默认) 用户设置IP地址。 ON 启动时,将本机的IP地址设为192.168.0.100(固定IP地址模式)。 注意
- 如果启动后在Web菜单中更改了IP地址,请将此开关设置到OFF位置。
-
MIC接口(ø3.5 mm立体声)
连接到ø3.5 mm立体声微型插孔(3极)麦克风。
-
AUDIO IN 1接口(XLR型3针接口)
-
AUDIO IN 2接口(XLR型3针接口)
用于从外部麦克风或音频设备输入信号。
- 有关详细信息,请参阅“连接外部麦克风或外部音频设备”。
-
RESET开关
使用笔尖或类似设备按下至少5秒,可将本机的设置重设为出厂默认值。
可以使用SETUP开关3选择是仅重设网络连接设置还是重设所有设置。
-
DC IN接口(XLR型4针接口)
DC IN(直流电源输入)接口(XLR 4针,公头),用于将外部电源连接到本机。支持12 V直流(11 V至17 V)输入电压。
编号 信号 1 GND 2 NC 3 NC 4 DC IN(11 V至17 V) 注意
- 如果电源线延伸很长的距离,会因负载而发生电压下降。操作本机之前,请检查电源接口的输入电压是否不低于12 V。
- 本机会监测电压。如果输入电压低于11.5 V,会检测到[电压过低],并通过Web App、录制/指示灯和POWER指示灯/NETWORK指示灯来显示警告。
- 如果输入电压低于11.0 V,会检测到[电压不足],各种功能将停止,并通过Web App、录制/指示灯和POWER指示灯/NETWORK指示灯来显示警告。检测到[电压不足]时,如果电压随后升高,本机不会恢复到正常运行状态。确保电源稳定后,断开电源线并重新连接电源。
-
LAN(网络)接口(RJ-45)
将网络电缆(5e类或更高级别)连接到本机,以用于网络通信和PoE++*电源。
*PoE++:Power over Ethernet Plus Plus.符合IEEE802.3bt (Type 4 Class 8)。有关连接的详细信息,请参阅电源设备的使用说明书。
注意
- PoE++操作期间,某些功能受到限制。有关详细信息,请参阅“使用PoE++电源”。
A:Speed LED状态指示
显示 连接速度 未亮起 10 Mbps 连接 100 Mbps 连接 亮起橙色 1000 Mbps 连接 B:Link/ACT LED状态指示
显示 连接状态 未亮起 未闪烁 闪烁绿色 已建立链接,数据有效 亮起绿色 活动链接 注意
- 将本产品连接到互联网时,请通过具有保护功能的系统(例如路由器或防火墙)进行连接。如果在没有此类保护的情况下进行连接,可能会发生安全问题。
-
HDMI接口
从本机输出视频作为HDMI信号。
- 有关详细信息,请参阅“连接外部显示屏和录制设备”中的“HDMI OUT接口(Type A接口)”。
-
SDI OUT 1 (12G)接口/SDI OUT 2接口
SDI OUT 1 (12G)接口:从本机输出视频作为12G/6G/3G/1.5G SDI信号。
SDI OUT 2:从本机输出视频作为3G/1.5G SDI信号。
- 有关详细信息,请参阅“连接外部显示屏和录制设备”中的“SDI OUT接口(BNC型)”。
-
OPTION接口
用于连接外部设备的指示灯信号。
- 有关详细信息,请参阅“连接指示灯信号”。
-
GENLOCK接口
用于输入外部同步信号。
- 有关详细信息,请参阅“同步视频信号的相位(强制同步)”。
-
TC IN接口
输入外部基准时间码信号。
- 有关详细信息,请参阅“将时间码锁定到其他设备”。
-
CFexpress Type A/SD卡插槽(A)
-
CFexpress Type A/SD卡插槽(B)
用于插入录制媒体。
- 有关详细信息,请参阅“插入存储卡”。
-
访问指示灯A
-
访问指示灯B
插入录制媒体时,指示灯会亮起或闪烁。
- 有关详细信息,请参阅“插入存储卡”。

