Guía de Ayuda
Color Video Camera
BRC-AM7
JavaScript está inhabilitado.
Habilita JavaScript y vuelve a cargar la página.
Atrás
Volver al principio
Imprimir
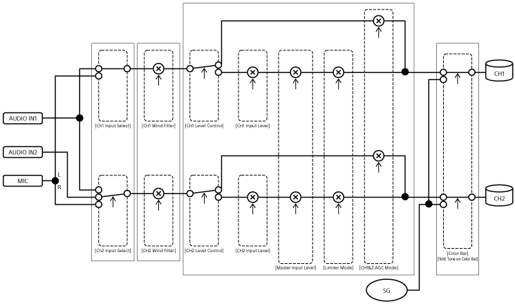
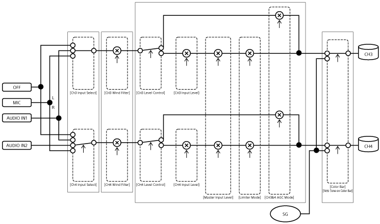
Diagramas de bloques
Audio Input
Audio Output
Ir al principio de la página
TP1001870069
Introducción
Aplicaciones de uso típicas
Configuración del sistema
Control de una sola unidad con el control remoto infrarrojo suministrado
Control de una sola unidad con una tablet u ordenador
Control de una sola unidad con un controlador remoto externo
Control de varias unidades con un controlador remoto externo
Ubicación y función de los componentes
Vista frontal
Bloque de conectores
Vista lateral
Vista inferior
Ubicación y función de las piezas del control remoto infrarrojo (suministrado)
Pantalla de la Aplicación Web
Descripción general de la pantalla de la Aplicación Web
Estructura del área común de las pantallas
Estructura de la pantalla de operación en directo
Estructura de la pantalla de ajustes PTZ AFR
Estructura de la pantalla de operación de reproducción
Estructura de la pantalla de ajustes
Menú de la cámara
Visualización de la pantalla de la cámara
Preparación
Montaje de la unidad
Montaje en vertical en un lugar fijo
Montaje en vertical en un lugar alto y fijo
Montaje en techo
Conexión de los cables
Conexión de la unidad a un dispositivo de red a través de una conexión por cable
Conexión a la unidad con un controlador remoto (opcional) con el conector RS-422
Conexión de una fuente de alimentación
Utilización de la alimentación por CC
Utilización de la alimentación de PoE++
Restablecimiento del giro/inclinación
Configuración antes de la filmación
Inicialización de la unidad con la aplicación web
Acceso a la Aplicación Web desde un explorador web
Inicialización de la unidad
Restablecimiento de los ajustes de la unidad
Configuración del funcionamiento básico
Preparación de tarjetas de memoria
Tarjetas de memoria
Tarjetas de memoria recomendadas
Introducción de las tarjetas de memoria
Extracción de una tarjeta de memoria
Formateo (inicialización) de tarjetas de memoria
Comprobación del tiempo de grabación restante
Restablecimiento de tarjetas de memoria
Filmación
Funcionamiento básico
Iniciar/detener grabación
Intercambio de tarjetas de memoria
Comprobación del audio
Especificación de los datos de tiempo
Revisión de la grabación (Rec Review)
Ajuste del encuadre
Pantalla de ajuste del encuadre
Ajuste de la dirección de filmación
Ajuste de la dirección de filmación mediante la Aplicación Web
Ajuste de la velocidad del giro/inclinación
Ajuste de la aceleración del giro/inclinación
Ajuste de la dirección de filmación mediante el control remoto infrarrojo suministrado
Ajuste del zoom
Ajuste del tipo de zoom
Configuración de Tele Convert
Ajuste del zoom mediante la Aplicación Web
Ajuste de la velocidad de funcionamiento del zoom con la Aplicación Web
Ajuste del zoom mediante el control remoto infrarrojo suministrado
Guardado/restauración de la posición de giro/inclinación/zoom de la cámara
Almacenamiento/restablecimiento de la posición de giro/inclinación, la posición del zoom y el ajuste de enfoque con la Aplicación Web
Cambio de nombre de una posición preajustada mediante la Aplicación Web
Sustitución de una posición preajustada almacenada por una posición nueva mediante la Aplicación Web
Eliminación de una posición preajustada almacenada mediante la Aplicación Web
Sincronización de las operaciones de giro/inclinación y zoom/enfoque al restaurar una posición preajustada
Cambio de la velocidad de transición (giro-inclinación/zoom/enfoque) al restaurar una posición preajustada
Cambio del tiempo de transición (giro-inclinación/zoom) al restaurar una posición preajustada
Inicio del seguimiento automático de una persona tras restaurar una posición preajustada
Restauración de los ajustes de encuadre automático PTZ tras restaurar una posición preajustada
Almacenamiento/restablecimiento de la posición de giro/inclinación y del zoom mediante el control remoto infrarrojo suministrado
Encuadre automático de la cámara (encuadre automático PTZ)
Acerca del encuadre automático PTZ
Visualización de la pantalla de la Aplicación Web durante el encuadre automático PTZ
Configuración de los ajustes iniciales de encuadre automático PTZ (modo “Persona”)
Especificación de los sujetos para el seguimiento automático (modo de inicio de seguimiento manual de personas)
Selección de los sujetos en una posición especificada y seguimiento automático (modo de inicio de seguimiento automático de personas)
Seguimiento automático de deportes de balón (Baloncesto) desde una posición elevada
Recuperación de un encuadre preajustado para el encuadre automático PTZ
Cambiar el nombre de un encuadre preajustado para el encuadre automático PTZ
Edición de un encuadre preajustado para el encuadre automático PTZ
Reemplazar un encuadre preajustado para el encuadre automático PTZ con una nueva composición
Restablecer un encuadre preajustado para el encuadre automático PTZ
Cambiar la cantidad de personas a seguir durante el Encuadre automático PTZ
Cambio del alcance del control automático para el encuadre automático PTZ y la velocidad/sensibilidad durante el seguimiento.
Guardar y cargar datos de configuración de encuadre automático PTZ
Guardar un archivo PTZ AFR
Cargar un archivo PTZ AFR
Encuadre automático PTZ usando el control remoto infrarrojo suministrado
Comprobación remota del estado del encuadre automático PTZ
Ajuste del enfoque
Pantalla de ajuste del enfoque
Ajuste manual del enfoque (enfoque manual)
Ajuste manual del enfoque mediante la Aplicación Web
Ajuste manual del enfoque mediante el control remoto infrarrojo suministrado
Enfoque mediante la especificación de una posición de enfoque (Spot Focus)
Uso del enfoque automático de forma temporal (enfoque automático mediante una pulsación (AF))
Ajuste automático del enfoque (enfoque automático)
Ajuste automático del enfoque mediante la Aplicación Web
Ajuste automático del enfoque mediante el control remoto infrarrojo suministrado
Especificación de la posición/área de enfoque automático (área de enfoque)
Cambio del área de enfoque rápidamente (ajustes de enfoque)
Desplazamiento del marco del área de enfoque mediante el funcionamiento táctil (área de enfoque táctil)
Ajuste del funcionamiento del enfoque automático (velocidad de transición AF, sensibilidad de desplazamiento del sujeto AF)
Ajuste del objetivo de enfoque manualmente (AF Assist) mediante la Aplicación Web
Enfoque manual durante el enfoque automático mediante el control remoto infrarrojo proporcionado
Uso temporal del enfoque manual durante el enfoque automático (enfoque manual mediante una pulsación)
Detección y seguimiento AF de una persona
Seguimiento AF de un sujeto especificado (AF de seguimiento en tiempo real)
Notas acerca de la filmación
Ajuste de la distancia focal de brida
Ajuste del brillo
Pantalla de ajuste del brillo
Establecimiento del nivel deseado para el ajuste de brillo automático
Ajuste del diafragma
Ajuste automático del diafragma
Ajuste manual del diafragma
Ajuste de la ganancia
Ajuste automático de la ganancia
Ajuste manual de la ganancia
Ajuste del obturador
Ajuste automático del obturador
Ajuste manual del obturador
Ajuste del nivel de luz (filtro ND)
Acerca del filtro ND
Ajuste en el modo predeterminado
Ajuste automático en el modo variable
Ajuste manual en el modo variable
Ajuste de colores naturales (balance de blancos)
Pantalla de ajuste del balance de blancos
Ajuste automático del balance de blancos
Ajuste manual del balance de blancos
Utilización del balance automático de blancos
Configuración de la estabilización de imagen
Uso de la estabilización de imagen
Configuración del audio que se va a grabar
Pantalla de configuración de audio
Selección del dispositivo de entrada de audio
Ajuste automático del nivel de grabación de audio
Ajuste manual del nivel de grabación de audio
Funciones útiles
Funcionamiento del menú directo
Botones asignables
Movimiento a cámara lenta y rápida
Grabación de vídeo de manera intermitente (Interval Rec)
Grabación de imágenes en memoria intermedia (Picture Cache Rec)
Grabación en la tarjetas de memoria A y B simultáneamente (2-slot Simul Rec)
Monitor de señal de vídeo
Marcas de clip
Grabación de proxy
Descripción general de la grabación de proxy
Grabación de un proxy
Filmación con el aspecto deseado
Descripción general del aspecto
Selección del aspecto
Importación del aspecto básico deseado
Personalización del aspecto
Almacenar un aspecto como archivo de escena
Eliminación de un aspecto básico
Cambiar el nombre de un archivo de escena
Compartir la apariencia con otra cámara
Guardar un archivo de escena desde la memoria interna en un dispositivo externo
Cargar un archivo de escena guardado en un dispositivo externo en la memoria interna
Filmación con ajuste del aspecto en posproducción
Filmación con ajuste del aspecto en posproducción
Aplicación de una LUT a la salida SDI2/transmisión y salida HDMI
Cambio de una LUT
Guardar y cargar datos de configuración
Descripción general del proceso para guardar y cargar datos de configuración
Guardar un archivo ALL
Cargar un archivo ALL
Funciones de red
Transferencia de archivos
Acerca de la transferencia de archivos
Registro de un destino de transferencia de archivo
Transferencia secuencial de clips de proxy grabados
Selección de un archivo y carga
Carga de un clip de proxy en una tarjeta de memoria desde la pantalla de imágenes en miniatura
Carga de un clip original en una tarjeta de memoria desde la pantalla de imágenes en miniatura
Comprobación del estado de transferencia de archivos
Carga mediante FTP segura
Configuración de la transmisión
Acerca de la transmisión
Configuración del formato de transmisión
Configuración del códec de vídeo para la transmisión
Configuración del códec de audio para la transmisión
Iniciar/detener transmisión
Pantalla de imágenes en miniatura
Pantalla de imágenes en miniatura
Reproducción de clips y otras operaciones de clips
Reproducción de clips grabados
Operaciones en clips grabados
Menú de la cámara y ajustes detallados
Configuración del menú de cámara
Funcionamiento del menú de la cámara
Funcionamiento del menú de la cámara
Introducción de una cadena de caracteres
Menú User
[User]
Menú Edit User
[Edit User]
Menú Shooting
[ISO/Gain]
[ND Filter]
[Shutter]
[Auto Exposure]
[White]
[White Setting]
[Offset White]
[Focus]
[S&Q Motion]
[LUT On/Off]
[NIGHTSHOT]
[
Soft Skin Effect
]
[Noise Suppression]
[Flicker Reduce]
[Image Stabilization]
Menú Project
[Base Setting]
[Rec Format]
[Flexible ISO Setting]
[Simul Rec]
[Proxy Rec]
[
Interval Rec
]
[
Picture Cache Rec
]
[SDI/HDMI Rec Control]
[Assignable Button]
Menú Paint/Look
[Scene File]
[Base Look]
[Reset Paint Settings]
[Black]
[Knee]
[Detail]
[Matrix]
[Multi Matrix]
Menú Pan-Tilt
[P/T Acceleration]
Menú TC/Media
[Timecode]
[TC Display]
[Users Bit]
[HDMI TC Out]
[Clip Name Format]
[Update Media]
[Format Media]
[Media Life]
Menú Monitoring
[Output Format]
[Display On/Off]
[Video Signal Monitor]
[Marker]
Menú Audio
[Audio Input]
[Audio Output]
Menú Thumbnail
[Display Clip Properties]
[Set Clip Flag]
[Lock/Unlock Clip]
[Delete Clip]
[Copy Clip]
[Transfer Clip]
[Transfer Clip (Proxy)]
[Filter Clips]
[Customize View]
Menú Technical
[Color Bars]
[Genlock]
[Tally]
[Rec Review]
[Zoom]
[Lens]
[APR]
[Measurement]
Menú Network
[Wired LAN]
[File Transfer]
Menú Maintenance
[Language]
[Hours Meter]
Ajustes y valores predeterminados del menú Shooting
Ajustes y valores predeterminados de [ISO/Gain]
Ajustes y valores predeterminados de [AGC Limit]
Ajustes [Video Format] / [Quality] / [Bit Rate]
Ajustes de calidad de imagen guardados para cada modo de filmación
Menú web y ajustes detallados
Configuración del menú web
Operaciones del menú web
Menú Shooting
[Focus]
Menú Project
[Base Setting]
[Rec Format]
[Simul Rec]
[Proxy Rec]
[
Interval Rec
]
[
Picture Cache Rec
]
[All File]
Menú Paint/Look
[
Scene File
]
[Base Look]
Menú Pan-Tilt
[P/T Speed]
[P/T Acceleration]
[P/T Range Limit]
[P/T Direction]
[P/T Preset]
Menú Monitoring
[Output Format]
[Output Display]
Menú Audio
[Audio Input]
[Audio Output]
Menú Technical
[Tracking Data Output]
[Tracking Data]
[Tally]
[Tele Convert]
[IR Remote]
[RCP/MSU]
Menú Network
[Camera Name]
[User]
[Wired LAN]
[File Transfer]
[
FTP Server 1
], [
FTP Server 2
], [
FTP Server 3
]
[SSL]
[SSH]
[Referer Check]
[Brute Force Attack Protection]
Menú Stream
[Stream]
[Video Stream]
[Audio Stream]
Menú Maintenance
[Language]
[Clock Set]
[Reset]
[Information]
[System Log]
[HTTP Access Log]
[Service]
[Software]
Conexión de dispositivos externos
Conexión de dispositivos de grabación y monitores externos
Conexión de un RCP/MSU (opcional)
Conexión con un RCP/MSU/CNA-2
Conexión de uno a uno entre la unidad y un RCP
Uso de la unidad en un entorno multicámara con una MSU/CNA-2/software de control remoto de la cámara
Lista de funciones compatibles
Funcionamiento con un controlador remoto RM-IP500 (opcional)
Acerca del funcionamiento con un controlador remoto RM-IP500 (opcional)
Conexión de un controlador remoto RM-IP500 mediante LAN con cable
Uso de Camera Remote SDK
Acerca de Camera Remote SDK
Sincronización con un dispositivo externo
Acerca de la sincronización con un dispositivo externo
Sincronización de la fase de la señal de vídeo (Genlock)
Bloqueo del código de tiempo en otros dispositivos
Conexión de un micrófono externo o un dispositivo de audio externo
Gestión/edición de clips con un ordenador
Emisión de una señal de fibra óptica
Conexión de una señal de registro
Emisión de datos de seguimiento
Apéndice
Precauciones de uso
Limitaciones y formatos de salida
Resolución de problemas
Advertencias de funcionamiento
Lista de elementos del menú
Elementos guardados de posición preajustada
Diagramas de bloques
Licencias
Especificaciones
Marcas comerciales