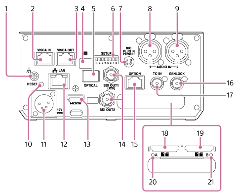
Bloque de conectores
En este tema se describe la ubicación y la función de las piezas del bloque de conectores de la unidad.
-
Conexión
(a tierra)
Establezca una conexión a tierra mediante la conexión al terminal de tierra de una toma de corriente o barra de puesta a tierra.
-
Conector VISCA IN
Establezca una conexión a un controlador remoto (opcional).
Cuando se conecten varias cámaras, establezca una conexión al conector VISCA RS-422 OUT de la cámara anterior.
-
Conector VISCA OUT
Cuando se conecten varias cámaras, establezca una conexión al conector VISCA RS-422 IN de la cámara siguiente.
-
Sensor de control remoto infrarrojo (trasero)
Sensor de infrarrojos para el control remoto infrarrojo suministrado.
-
Conector de salida OPTICAL
Emite una señal al conector SDI OUT1 (12G) convertida a formato óptico cuando se conecta un módulo SFP+ (opcional).
- Para obtener más detalles, consulte “Emisión de una señal de fibra óptica”.
-
Interruptores SETUP
Permiten configurar los siguientes ajustes:
Interruptor 1, 2: selecciona el control remoto infrarrojo (suministrado) que realizará las operaciones.
Ajuste del interruptor 1 Ajuste del interruptor 2 Descripción OFF (predeterminado) OFF (predeterminado) Recibe operaciones del control remoto infrarrojo (suministrado) con un ID de control remoto de 1.
Ajuste predeterminado.OFF ON Recibe operaciones del control remoto infrarrojo (suministrado) con un ID de control remoto de 2. ON OFF Recibe operaciones del control remoto infrarrojo (suministrado) con un ID de control remoto de 3. ON ON Reservado Interruptor 3: define qué ajustes se restablecen al pulsar el interruptor RESET.
Ajuste Descripción OFF (predeterminado) Restablece solo los ajustes de conexión de red. Se restablecerán los ajustes de red y de seguridad, así como la información del usuario (nombre de usuario y contraseña). ON Restablece todos los ajustes a los valores predeterminados de fábrica. Interruptor 4: activa/desactiva la comunicación VISCA y VISCA over IP. Los ajustes se aplican cuando la cámara está encendida.
Establézcalo en la posición ON para utilizar la unidad cuando se conecta a un controlador remoto RM-IP500.
Ajuste Descripción OFF (predeterminado) No responderá a los comandos de VISCA. ON Acepta los comandos de VISCA. Nota
- Si la contraseña del administrador no se ha configurado, la comunicación VISCA estará desactivada, independientemente del ajuste del interruptor. Para obtener más información acerca de la configuración de la contraseña del administrador, consulte “Inicialización de la unidad”.
Interruptor 5: establece la velocidad de transmisión en baudios del conector VISCA IN/VISCA OUT. Los ajustes se aplican cuando la cámara está encendida.
Ajuste Descripción OFF (predeterminado) Establece la velocidad de transmisión en baudios en 9600 bps. ON Establece la velocidad de transmisión en baudios en 38400 bps. Interruptor 6, 7: reservado. No se utilizan.
Interruptor 8: establece la dirección IP en un valor específico.
Ajuste Descripción OFF (predeterminado) El usuario establece la dirección IP. ON Establece la dirección IP de la unidad en 192.168.0.100 al inicio (modo de dirección IP fija). Nota
- Si la dirección IP se modifica tras el inicio en el menú web, establezca este interruptor en la posición OFF.
-
Conector MIC (estéreo, ø3,5 mm)
Conéctelo a un micrófono con minitoma estéreo de ø3,5 mm (3 polos).
-
Conector AUDIO IN 1 (conector de 3 contactos tipo XLR)
-
Conector AUDIO IN 2 (conector de 3 contactos tipo XLR)
Utilícelo para la entrada de la señal desde un dispositivo de audio o micrófono externo.
- Para obtener más detalles, consulte “Conexión de un micrófono externo o un dispositivo de audio externo”.
-
Interruptor RESET
Presiónelo durante al menos 5 segundos con la punta de un bolígrafo o similar para restablecer los ajustes de la unidad a sus valores predeterminados de fábrica.
Es posible restablecer solo los ajustes de conexión de red o todos los ajustes con el interruptor SETUP 3.
-
Conector DC IN (conector de 4 contactos tipo XLR)
Conector DC IN (entrada de alimentación de CC) (de 4 contactos tipo XLR, macho) para conectar una fuente de alimentación externa a la unidad. Admite una tensión de entrada de 12 V CC (de 11 V a 17 V).
N.º Señal 1 GND 2 NC 3 NC 4 DC IN (de 11 V a 17 V) Nota
- Si el cable de alimentación se extiende hasta una distancia larga, se producirá una caída de tensión debido a la carga. Compruebe que la tensión de entrada y el conector de alimentación no estén por debajo de 12 V antes de usar la unidad.
- La unidad monitoriza la tensión. Si cae por debajo de 11,5 V, se detecta [Voltage Low] se muestra una advertencia mediante la aplicación web, la lámpara indicadora/indicador de grabación y la luz indicadora POWER/NETWORK.
- Si cae por debajo de 11,0 V, se detecta [Insufficient Voltage] se muestra una advertencia mediante la aplicación web, la lámpara indicadora/indicador de grabación y la luz indicadora POWER/NETWORK. Cuando se detecte [Insufficient Voltage], la unidad no volverá a su estado operativo normal si la tensión aumenta posteriormente. Asegúrese de que la fuente de alimentación es estable. Desconecte el cable de alimentación y vuelva a conectar la fuente de alimentación.
-
Conector
LAN (red) (RJ-45)
Conecte un cable de red (categoría 5e o superior) para la comunicación de red y el suministro de alimentación PoE++* a la unidad.
*PoE++: Power over Ethernet Plus Plus. De conformidad con IEEE802.3bt (Type 4 Class 8). Para obtener más información acerca de la conexión, consulte las instrucciones de funcionamiento del dispositivo de la fuente de alimentación.
Nota
- Algunas funciones están restringidas durante el funcionamiento de PoE++. Para obtener más detalles, consulte “Utilización de la alimentación de PoE++”.
A: indicación de estado del LED de velocidad
Pantalla Velocidad de conexión No iluminado Conexión de 10 Mbps Conexión de 100 Mbps Iluminado en naranja Conexión de 1000 Mbps A: indicación de estado del LED ACT/de enlace
Pantalla Estado de conexión No iluminado No hay enlace Intermitente en verde Enlace establecido; datos activos Iluminado en verde Enlace activo Nota
- Cuando conecte este producto a Internet, conéctelo mediante un sistema con función de protección como, por ejemplo, un router o un firewall. Si se conecta sin dicha protección, pueden producirse problemas de seguridad.
-
Conector HDMI
Emite el vídeo desde la unidad como una señal HDMI.
- Para obtener más información, consulte “Conector HDMI OUT (conector Type A)” en “Conexión de dispositivos de grabación y monitores externos”.
-
Conector SDI OUT 1 (12G)/conector SDI OUT 2
Conector SDI OUT 1 (12G): emite el vídeo desde la unidad como una señal 12G/6G/3G/1.5G SDI.
Conector SDI OUT 2: emite el vídeo desde la unidad como una señal 3G/1.5G SDI.
- Para obtener más detalles, consulte “Conector SDI OUT (tipo BNC)” en “Conexión de dispositivos de grabación y monitores externos”.
-
Conector OPTION
Utilícelo para conectar una señal de registro desde un dispositivo externo.
- Para obtener más detalles, consulte “Conexión de una señal de registro”.
-
Conector GENLOCK
Utilícelo para la entrada de una señal de sincronización externa.
- Para obtener más detalles, consulte “Sincronización de la fase de la señal de vídeo (Genlock)”.
-
Conector TC IN
Introduce una señal externa de códigos de tiempo de referencia.
- Para obtener más detalles, consulte “Bloqueo del código de tiempo en otros dispositivos”.
-
Ranura de la tarjeta CFexpress Type A/SD (A)
-
Ranura de la tarjeta CFexpress Type A/SD (B)
Utilícela para insertar el soporte de grabación.
- Para obtener más detalles, consulte “Introducción de las tarjetas de memoria”.
-
Indicador de acceso A
-
Indicador de acceso B
El indicador se ilumina o parpadea cuando el soporte de grabación está insertado.
- Para obtener más detalles, consulte “Introducción de las tarjetas de memoria”.

