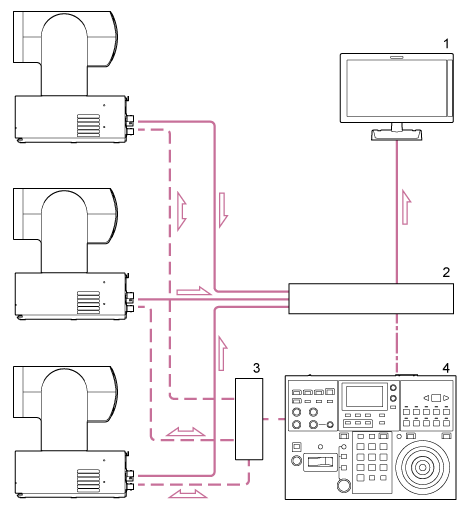
Control de varias unidades con un controlador remoto externo
Conexión de VISCA over IP
Es posible controlar hasta 100 unidades de manera remota con un solo controlador remoto.
Señal de vídeo
Señal de control remoto
Señal de contacto/registro
Flujo de la señal
-
Monitor de vídeo
-
Conmutador de vídeo
-
Concentrador Ethernet
-
Controlador remoto RM-IP500
TP1001869798

