Especificaciones
General
Peso
- Aprox. 3,5 kg
Dimensiones
Consulte “Dimensiones exteriores”.
Requisitos de alimentación
- 12 V CC (XLR de 4 contactos)
- PoE++ (compatible con IEEE802.3bt, Type 4, Class 8)
Consumo de energía
- 132 W (máx.) con alimentación DC IN
- PoE++: 71,3 W (máx.)
Temperatura de funcionamiento
- De 0 °C a 40 °C
Temperatura de almacenamiento
- De –20 °C a +60 °C
Formato de grabación (vídeo)
Formato MP4:
- XAVC HS Long 422/420
- XAVC S Long 422/420
- XAVC S Intra
Formato MXF:
- XAVC Long 422/420
- XAVC Intra
Formato de grabación (audio)
- LPCM de 24 bits, 48 kHz, 4 canales
Velocidad de fotogramas de grabación
Formato MP4:
- XAVC HS Long 422/420
3840×2160/119.88P*, 100P*, 59.94P, 50P, 23.98P - XAVC S Long 422/420
3840×2160/119.88P*, 100P*, 59.94P, 50P, 29.97P, 25P, 23.98P
1920×1080/119.88P*, 100P*, 59.94P, 50P, 29.97P, 25P, 23.98P - XAVC S Intra
3840×2160/59.94P, 50P, 29.97P, 25P, 23.98P
1920×1080/59.94P, 50P, 29.97P, 25P, 23.98P
* Cuando Slow & Quick Motion está activado, 119.88P y 100P no pueden utilizarse.
Formato MXF:
- XAVC Long 422
1920×1080P/59.94P, 50P, 29.97P, 25P, 23.98P
1920×1080i/59.94i, 50i
1280×720P/59.94P, 50P - XAVC Long 420
3840×2160P/59.94P, 50P, 29.97P, 25P, 23.98P - XAVC Intra
3840×2160P/59.94P, 50P, 29.97P, 25P, 23.98P
1920×1080P/59.94P, 50P, 29.97P, 25P, 23.98P
1920×1080i/59.94i, 50i
1280×720P/59.94P, 50P
Tiempo de grabación/reproducción
- XAVC HS Long 420
3840×2160P/59.94P
Aprox. 100 minutos (con CEA-G160T) - XAVC S Long 420/XAVC Long 420
3840×2160P/59.94P
Aprox. 100 minutos (con CEA-G160T)
1920×1080P/59.94P
Aprox. 270 minutos (con CEA-G160T) - XAVC S Intra/XAVC Intra
3840×2160P/59.94P
Aprox. 25 minutos (con CEA-G160T)
1920×1080P/59.94P
Aprox. 75 minutos (con CEA-G160T)
Nota
- El tiempo de grabación/reproducción puede variar debido a las condiciones de uso y a las características de la memoria. Los tiempos de grabación y reproducción son para una grabación continua como un solo clip. Los tiempos reales pueden ser inferiores, dependiendo del número de clips grabados.
Sección de movimiento de giro/inclinación
- Rango/velocidad de movimiento de giro: ±175°, de 0,004 °/sec a 180 °/sec
- Rango/velocidad de movimiento de inclinación: de −30° a 210°, de 0,004 °/sec a 180 °/sec
- Calificación de criterio de ruido: NC25 o inferior
- Número de posiciones predefinidas: 100
El número de posiciones predefinidas disponibles variará en función del control remoto empleado (aplicación web: 100, RM-IP500: 100, control infrarrojo remoto suministrado: 3)
Sección de la cámara
Dispositivo de generación de imágenes
- Sensor de imagen CMOS ExmorRS de 1,0 pulgada
Número de píxeles
- 20,9M (total)
- 14,0M (efectivos)
El número de píxeles efectivos variará según el modo de filmación y los ajustes.
Enfoque automático
- Método de detección: detección de fase / detección de contraste
Filtros ND internos
- [Clear]: ninguno
- 1: 1/4ND
- 2: 1/16ND
- 3: 1/64ND
- ND linealmente variable: de 1/4ND a 1/128ND
Velocidad del obturador
- 64 fotogramas a 1/8000 s (23.98P)
Ángulo del obturador
- De 5,6° a 360°, de 2 a 64 fotogramas
Movimiento a cámara lenta y rápida
- XAVC S QFHD: de 1 fps a 120 fps
- XAVC S HD: de 1 fps a 240 fps
Balance de blancos
- De 2000 K a 15000 K
Ganancia
- De –3 dB a +36 dB (incrementos de 1 dB)
Aspecto básico
- [S-Cinetone], [ITU709], [709tone], [s709], [709(800%)], [S-Log3], [HLG Live], [HLG Mild], [HLG Natural]
Sección del objetivo
- Relación de zoom: óptico 20×, digital 30× (resolución 4K)/40× (resolución Full HD)
- Distancia focal: f = 7,71 a 154,21 mm, 24 a 480 mm (35 mm equivalentes)
- Diafragma: apertura abierta (número F) de F2.8 a F4.5, apertura mínima (número F) F11, cerrada
- Ángulo de visión horizontal: aprox. 75°
- Distancia de filmación mínima: 10 mm
Sección de audio
Frecuencia de muestreo
- 48 kHz
Cuantificación
- 24 bits
Respuesta en frecuencia
- Modo MIC de la entrada XLR: de 20 Hz a 20 kHz (±3 dB o menos)
- Modo LINE de la entrada XLR: de 20 Hz a 20 kHz (±3 dB o menos)
Rango dinámico
- Modo MIC de la entrada XLR: 80 dB (típico)
- Modo LINE de la entrada XLR: 90 dB (típico)
Distorsión
- Modo MIC de la entrada XLR: 0,08% o inferior (nivel de entrada de –40 dBu)
- Modo LINE de la entrada XLR: 0,08% o inferior (nivel de entrada de +14 dBu)
Sección de entrada/salida
Entradas
Conector DC IN
- XLR de 4 contactos, de 11 a 17 V, 12 A (máx.)
Conector AUDIO IN
- AUDIO IN 1/AUDIO IN 2: 2 XLR de 3 contactos, hembra
Conmutable entre LINE/MIC/MIC+48V
MIC: de –30 dBu a –80 dBu de referencia
- MIC: minitoma estéreo de ø3,5 mm, enchufable
Conector GENLOCK IN
- Conector BNC, 1,0 Vp-p, 75 Ω
Conector TC IN
- Conector BNC
Salidas
Conector SDI OUT 1 (12G)/conector SDI OUT 2
- SDI OUT 1 (12G): salida 12G-SDI tipo BNC, 12G-SDI/6G-SDI/3G-SDI (Level A/B)/HD-SDI
- SDI OUT 2: salida 3G-SDI tipo BNC, 3G-SDI (Level A)/HD-SDI
Conector HDMI
- Conector Type-A
Conector de salida OPTICAL
- SFP+ compatible
* Se emite la misma señal que el conector de salida 12G-SDI. La unidad no admite entrada de señal óptica.
Entrada/salida
Conector LAN (red)
- RJ-45, 1000BASE-T
Conector OPTION
- Conector de entrada/salida de registro RJ-45
Conector VISCA IN/conector VISCA OUT
- Protocolo de control: VISCA RS-422
Sección de la ranura multimedia
- Ranura de la tarjeta CFexpress Type A/SD (2)
Elementos suministrados
- Control remoto infrarrojo (1)
- Código QR (1)
- Normativa de seguridad (2)
- Folleto de la garantía (1)
- Soporte de techo (A) (1)
- Soporte de techo (B) (1)
- Cable metálico para evitar la caída (1)
- Tornillos +PSW M3×8 (6)
- Tornillo de acero inoxidable +PSW M4×8 para cable metálico para evitar la caída (1)
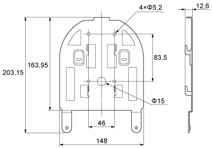
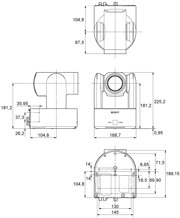
Dimensiones exteriores
Las dimensiones son valores aproximados.
Unidad: mm
Cuerpo de la cámara
Soporte de techo (B)
El diseño y las especificaciones están sujetos a cambios sin previo aviso.
TP1001870071

