仕様
一般
質量
- 約4.6 kg(本体のみ)
- 約6.0 kg(SELP28135Gレンズ含む)
外形寸法
「外形寸法」をご覧ください。
電源電圧
- DC 19.5 V
- PoE++ (IEEE802.3bt Type4 Class8準拠)
消費電力
- DC 19.5 V 80.0 W以下
- PoE++ 71.3 W以下
動作温度
- 0 ℃~40 ℃
保存温度
- -20 ℃~+60 ℃
記録フォーマット(ビデオ)
- XAVC Intra
XAVC-I 4K/QFHDモード:VBR、最大ビットレート600 Mbps、MPEG-4 AVC/H.264
XAVC-I HDモード:CBG、最大ビットレート223 Mbps、MPEG-4 AVC/H.264
- XAVC Long
XAVC-L QFHDモード:VBR、最大ビットレート150 Mbps、MPEG-4 H.264/AVC
XAVC-L HD 50モード:VBR、最大ビットレート50 Mbps、MPEG-4 H.264/AVC
XAVC-L HD 35モード:VBR、最大ビットレート35 Mbps、MPEG-4 H.264/AVC
記録フォーマット(オーディオ)
- LPCM 24ビット、48 kHz、4チャンネル
記録フレームレート
- XAVC Intra
XAVC-I 4Kモード:4096×2160/59.94P、50P、29.97P、25P、24P、23.98P
XAVC-I QFHDモード:3840×2160/59.94P、50P、29.97P、25P、23.98P
XAVC-I HDモード:1920×1080/59.94P、50P、29.97P、25P、23.98P
- XAVC Long
XAVC-L QFHDモード:3840×2160/59.94P、50P、29.97P、25P、23.98P
XAVC-L HD 50モード:1920×1080/59.94P、50P、29.97P、25P、23.98P
XAVC-L HD 35モード:1920×1080/59.94P、50P、29.97P、25P、23.98P
記録・再生時間
- XAVC Intra
XAVC-I QFHDモード:59.94P、約30分(CEA-G160T使用時)
XAVC-I HDモード:59.94P、約78分(CEA-G160T使用時)
- XAVC Long
XAVC-L QFHDモード:59.94P、約115分(CEA-G160T使用時)
XAVC-L HD 50モード:59.94P、約155分(CEA-G80T使用時)
XAVC-L HD 35モード:59.94P、約210分(CEA-G80T使用時)
ご注意
- 記録・再生時間は、使用条件やメモリーの特性などにより、多少の誤差が生じる場合があります。また、記録・再生時間は、1クリップとして連続記録したときの時間です。記録するクリップ数によっては記載の時間より短くなる場合があります。
パン・チルト駆動部
- パン最低速度:0.02°/s
- チルト最低速度:0.02°/s
- パン最高速度:60°/s
- チルト最高速度:60°/s
- パン動作範囲:-170° ~ +170°
- チルト動作範囲:-30° ~ +195°
- 静粛性:NC35以下
- プリセットポジション数:100個
カメラ部
撮像素子
- 35 mmフルサイズ(35.6 x 23.8 mm)、Exmor R CMOSセンサー
画素数
- 約1290万画素(総画素数)
- 約1030万画素(カメラ有効画素数)
オートフォーカス
- 検出方式:位相差検出方式/コントラスト検出方式
内蔵NDフィルター
- CLEAR:OFF
- 1:1/4ND
- 2:1/16ND
- 3:1/64ND
- リニア可変ND:1/4ND ~ 1/128ND
ISO感度
- ISO 800/12800(Cine EIモード、D55 Light source)
レンズマウント
- Eマウント
ラティチュード
- 15+ stop
シャッタースピード
- 64F ~ 1/8000秒(23.98P時)
シャッターアングル
- 5. 6°~ 360°、2 ~ 64frame
スロー&クイックモーション
- XAVC QFHD:1 ~ 120 fps
- XAVC HD:1 ~ 240 fps
- XAVC 4K:1 ~ 60 fps
- XAVC HD(S35):1 ~ 120 fps
ホワイトバランス
- 2000 K ~ 15000 K
ゲイン
- -3 dB ~+30 dB(1 dB単位)
基本ルック
- S-Cinetone、Standard、Still、ITU709、709tone、s709、709(800%)、S-Log3、HLG Live、HLG Natural
オーディオ部
サンプリング周波数
- 48 kHz
量子化特性
- 24ビット
周波数特性
- 本体XLR入力MICモード時:20 Hz ~ 20 kHz(±3 dB以内)
- 本体XLR入力LINEモード時:20 Hz ~ 20 kHz(±3 dB以内)
ダイナミックレンジ
- 本体XLR入力MICモード時:80 dB(Typical)
- 本体XLR入力LINEモード時:90 dB(Typical)
ひずみ率
- 本体XLR入力MICモード時:0.08%以下(入力レベル-40 dBu時)
- 本体XLR入力LINEモード時:0.08%以下(入力レベル+14 dBu時)
入出力部
入力
DC IN
- EIAJ標準、DC 19.5 V
AUDIO IN
- XLR型、5ピン、凹
LINE / MIC / MIC+48V切り替え可能
MIC:Reference -30 dBu ~-80 dBu
GENLOCK IN
- BNC端子、1.0 Vp-p、75 Ω
TC IN
- BNC端子
出力
SDI OUT
- BNC端子、12G-SDI、6G-SDI、3G-SDI(Level A/B)、HD-SDI
HDMI
- Type-A端子
OPTICAL出力端子
- SFP+準拠
* 本機は光信号入力には対応しておりません。
入出力
LAN端子
- RJ-45 1000BASE-T
OPTION端子
- RJ-45 タリー入出力端子
メディアスロット部
- CFexpress Type A/SDカードスロット(2)
付属品
- ACアダプター(1)
- 電源コード(1)
- 赤外線リモコン(1)
- ボディキャップ(1)(本機に装着)
- HDMIケーブル抜け止めプレート(1)
- ご使用になる前に(1)
- 保証書(1)
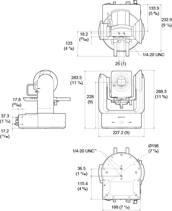
外形寸法
外形寸法は概算値です。
単位:mm (inches)
カメラ本体
*1三脚ネジ
シーリングブラケット
仕様および外観は、改良のため予告なく変更することがありますが、ご了承ください。

