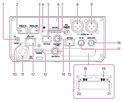
Bloc de connecteur
Cette rubrique décrit l’emplacement et les fonctions des pièces sur le bloc de connecteur de l’appareil.
-
Connexion
(terre)
Connectez à la terre en connectant à la borne de mise à la terre d’une prise secteur ou d’une barre de mise à la terre.
-
Connecteur VISCA IN
Connexion à une télécommande (en option).
Lors de la connexion de plusieurs caméras, connectez le connecteur VISCA RS-422 OUT de la caméra précédente.
-
Connecteur VISCA OUT
Lors de la connexion de plusieurs caméras, connectez le connecteur VISCA RS-422 IN de la caméra suivante.
-
Capteur de la télécommande infrarouge (arrière)
Capteur infrarouge de la télécommande infrarouge fournie.
-
Connecteur de sortie OPTICAL
Émet un signal au connecteur SDI OUT1 (12G) converti en format optique lorsque le module SFP+ (en option) est connecté.
- Pour plus de détails, consultez « Sortie d’un signal de fibre optique ».
-
Commutateurs SETUP
Configurez les réglages suivants.
Commutateur 1, 2 : sélectionne la télécommande infrarouge (fournie) qui effectuera les opérations.
Réglage du commutateur 1 Réglage du commutateur 2 Description OFF (par défaut) OFF (par défaut) Reçoit les opérations de la télécommande infrarouge (fournie) dont l’ID de télécommande est 1.
Réglage par défaut.OFF ON Reçoit les opérations de la télécommande infrarouge (fournie) dont l’ID de télécommande est 2. ON OFF Reçoit les opérations de la télécommande infrarouge (fournie) dont l’ID de télécommande est 3. ON ON Réservé Commutateur 3 : définit les réglages à réinitialiser lorsque le commutateur RESET est enfoncé.
Réglage Description OFF (par défaut) Réinitialise les réglages de connexion réseau uniquement. Les réglages de réseau, de sécurité et les informations utilisateur (nom d’utilisateur et mot de passe) de l’appareil seront réinitialisés. ON Réinitialise tous les réglages aux valeurs par défaut. Commutateur 4 : active/désactive la communication VISCA et VISCA over IP. Les réglages sont appliqués lorsque la caméra est mise sous tension.
Réglez sur la position ON pour utiliser l’appareil lorsqu’il est connecté à un pupitre de télécommande RM-IP500.
Réglage Description OFF (par défaut) Ne répondra pas aux commandes VISCA. ON Accepte les commandes VISCA. Note
- Si le mot de passe administrateur n’a pas été configuré, la communication VISCA est désactivée, quel que soit le réglage du commutateur. Pour plus de détails sur la configuration du mot de passe administrateur, consultez « Initialisation de l’appareil ».
Commutateur 5 : règle le débit en bauds du connecteur VISCA IN/VISCA OUT. Les réglages sont appliqués lorsque la caméra est mise sous tension.
Réglage Description OFF (par défaut) Règle le débit en bauds à 9 600 bps. ON Règle le débit en bauds à 38400 bps. Commutateur 6, 7 : réservé. Non utilisé.
Commutateur 8 : définit l’adresse IP à une valeur spécifique.
Réglage Description OFF (par défaut) L’utilisateur définit l’adresse IP. ON Définit l’adresse IP de l’appareil à 192.168.0.100 au démarrage (mode d’adresse IP fixe). Note
- Si l’adresse IP est modifiée après le démarrage dans le menu Web, mettez ce commutateur en position OFF.
-
Connecteur MIC (stéréo ø3,5 mm)
Permet de connecter un microphone à mini-prise stéréo ø3,5 mm (3 pôles).
-
Connecteur AUDIO IN 1 (Connecteur 3 broches type XLR)
-
Connecteur AUDIO IN 2 (Connecteur 3 broches type XLR)
Permet d’émettre le signal d’un microphone externe ou dispositif audio.
- Pour les détails, consultez « Connexion d’un microphone externe ou d’un dispositif audio externe ».
-
Commutateur RESET
Appuyez pendant au moins 5 secondes à l’aide de la pointe d’un stylo ou d’un dispositif similaire pour réinitialiser les réglages de l’appareil aux valeurs par défaut.
Vous pouvez sélectionner de réinitialiser les réglages de connexion réseau uniquement ou tous les réglages à l’aide du commutateur 3 SETUP.
-
Connecteur DC IN (Connecteur 4 broches type XLR)
Connecteur DC IN (entrée d’alimentation CC) (XLR 4 broches, mâle) pour connecter une alimentation externe à l’appareil. Prend en charge une tension en entrée de 12 V CC (11 V à 17 V).
N° Signal 1 GND 2 NC 3 NC 4 DC IN (11 V à 17 V) Note
- Si le câble d’alimentation est déployé sur une longue distance, une chute de tension se produira en raison de la charge. Vérifiez que la tension en entrée au niveau du connecteur d’alimentation n’est pas inférieure à 12 V avant d’utiliser l’appareil.
- L’appareil surveille la tension. Si elle descend en dessous de 11,5 V, [Voltage Low] est détecté et un avertissement est affiché à l’aide de l’application Web, du témoin d’enregistrement/de signalisation et du témoin POWER/témoin NETWORK.
- Si elle descend en dessous de 11,0 V, [Insufficient Voltage] est détecté, plusieurs fonctions s’arrêtent et un avertissement est affiché à l’aide de l’application Web, du témoin d’enregistrement/de signalisation et du témoin POWER/témoin NETWORK. Lorsque [Insufficient Voltage] est détecté, l’appareil ne revient pas à l’état de fonctionnement normal si la tension augmente par la suite. Assurez-vous que l’alimentation électrique est stable, puis débranchez le câble d’alimentation et rebranchez l’alimentation électrique.
-
Connecteur
LAN (réseau) (RJ-45)
Branchez un câble réseau (catégorie 5e ou supérieure) pour la communication réseau et l’alimentation PoE++* à l’appareil.
*PoE++ : Power over Ethernet Plus Plus. Conforme à la norme IEEE802.3bt (Type 4 Class 8). Pour plus de détails sur la connexion, consultez le mode d’emploi du dispositif d’alimentation.
Note
- Certaines fonctions sont limitées pendant le fonctionnement de PoE++. Pour plus de détails, consultez « Utilisation de l’alimentation PoE++ ».
A : Indication de l’état Speed LED
Affichage Vitesse de connexion Éteint Connexion 10 Mbps Connexion 100 Mbps Allumé en orange Connexion 1000 Mbps B : Indication de l’état Link/ACT LED
Affichage État de connexion Éteint Pas de liaison Clignotant vert Liaison établie, données actives Allumé en vert Liaison active Note
- Lorsque vous connectez ce produit à Internet, connectez-le via un système fournissant une fonction de protection, tel qu’un routeur ou un pare-feu. Si vous vous connectez sans cette protection, des problèmes de sécurité pourraient survenir.
-
Connecteur HDMI
Émet la vidéo depuis l’appareil comme un signal HDMI.
- Pour plus de détails, consultez « Connecteur HDMI OUT (connecteur Type A) » dans « Connexion des moniteurs externes et des dispositifs d’enregistrement ».
-
Connecteur SDI OUT 1 (12G) / Connecteur SDI OUT 2
Connecteur SDI OUT 1 (12G) : émet la vidéo depuis l’appareil comme un signal 12G/6G/3G/1.5G SDI.
Connecteur SDI OUT 2 : émet la vidéo depuis l’appareil comme un signal 3G/1.5G SDI.
- Pour plus de détails, consultez « Connecteur SDI OUT (Type BNC) » dans « Connexion des moniteurs externes et des dispositifs d’enregistrement ».
-
Connecteur OPTION
Permet de connecter un signal tally à partir d’un dispositif externe.
- Pour plus de détails, consultez « Connexion d’un signal tally ».
-
Connecteur GENLOCK
Permet d’émettre un signal de synchronisation externe.
- Pour plus de détails, consultez « Synchronisation de la phase du signal vidéo (Genlock) ».
-
Connecteur TC IN
Entrez un signal de code temporel de référence externe.
- Pour plus de détails, consultez « Verrouillage du code temporel sur d’autres dispositifs ».
-
Logement de carte CFexpress Type A / SD (A)
-
Logement de carte CFexpress Type A / SD (B)
Permet d’insérer le support d’enregistrement.
- Pour plus de détails, consultez « Insertion des cartes mémoire ».
-
Témoin d’accès A
-
Témoin d’accès B
L’indicateur est allumé ou clignote lorsque le support d’enregistrement est inséré.
- Pour plus de détails, consultez « Insertion des cartes mémoire ».

