Caractéristiques techniques

Généralités

Poids

  • Environ 3,5 kg (7 lb 11 oz)

Dimensions

Consultez « Dimensions externes ».

Besoins en alimentation

  • 12 V CC (XLR 4 broches)
  • PoE++ (conforme à la norme IEEE802.3bt, Type 4, Class 8)

Consommation électrique

  • 132 W (max) avec alimentation DC IN
  • PoE++ : 71,3 W (max) 

Température de fonctionnement

  • 0 °C à 40 °C (32 °F à 104 °F)

Température de stockage

  • –20 °C à +60 °C (–4 °F à +140 °F)

Format d’enregistrement (vidéo)

Format MP4 :

  • XAVC HS Long 422/420
  • XAVC S Long 422/420
  • XAVC S Intra

Format MXF :

  • XAVC Long 422/420
  • XAVC Intra

Format d’enregistrement (audio)

  • LPCM 24 bits, 48 kHz, 4 canaux

Fréquence d’images d’enregistrement

Format MP4 :

  • XAVC HS Long 422/420
    3840×2160/119.88P*, 100P*, 59.94P, 50P, 23.98P
  • XAVC S Long 422/420
    3840×2160/119.88P*, 100P*, 59.94P, 50P, 29.97P, 25P, 23.98P
    1920×1080/119.88P*, 100P*, 59.94P, 50P, 29.97P, 25P, 23.98P
  • XAVC S Intra
    3840×2160/59.94P, 50P, 29.97P, 25P, 23.98P
    1920×1080/59.94P, 50P, 29.97P, 25P, 23.98P
    * Lorsque la fonction ralenti et accéléré est activée, 119.88P et 100P ne peuvent pas être utilisés.

Format MXF :

  • XAVC Long 422
    1920×1080P/59.94P, 50P, 29.97P, 25P, 23.98P
    1920×1080i/59.94i, 50i
    1280×720P/59.94P, 50P
  • XAVC Long 420
    3840×2160P/59.94P, 50P, 29.97P, 25P, 23.98P
  • XAVC Intra
    3840×2160P/59.94P, 50P, 29.97P, 25P, 23.98P
    1920×1080P/59.94P, 50P, 29.97P, 25P, 23.98P
    1920×1080i/59.94i, 50i
    1280×720P/59.94P, 50P

Durées d’enregistrement/de lecture

  • XAVC HS Long 420
    3840×2160P/59.94P
    Environ 100 minutes (avec CEA-G160T)
  • XAVC S Long 420/XAVC Long 420
    3840×2160P/59.94P
    Environ 100 minutes (avec CEA-G160T)
    1920×1080P/59.94P
    Environ 270 minutes (avec CEA-G160T)
  • XAVC S Intra/XAVC Intra
    3840×2160P/59.94P
    Environ 25 minutes (avec CEA-G160T)
    1920×1080P/59.94P
    Environ 75 minutes (avec CEA-G160T)

Note

  • La durée d’enregistrement/lecture peut varier en fonction des conditions d’utilisation et des caractéristiques de mémoire. Les durées d’enregistrement et de lecture concernent un enregistrement continu en tant que plan unique. Les durées réelles peuvent être plus courtes selon le nombre de plans enregistrés.

Section d’entraînement panoramique/inclinaison

  • Plage/vitesse d’entraînement de panoramique : ±175°, 0,004 °/sec à 180 °/sec
  • Plage/vitesse d’entraînement d’inclinaison : −30° à 210°, 0,004 °/sec à 180 °/sec
  • Critère d’évaluation du bruit : NC25 ou moins
  • Nombre de positions prédéfinies : 100
    Le nombre de positions prédéfinies disponibles varie en fonction de la télécommande utilisée (application Web : 100, RM-IP500 : 100, télécommande infrarouge fournie : 3)

Section de caméra

Imageur

  • Capteur d’image ExmorRS CMOS 1,0 po

Nombre de pixels

  • 20,9M (total)
  • 14,0M (effectif)

Le nombre de pixels effectifs varie en fonction du mode de prise de vue et des réglages.

Mise au point automatique

  • Méthode de détection : détection de phase/détection de contraste

Filtres ND internes

  • [Clear] : aucun
  • 1 : 1/4ND
  • 2 : 1/16ND
  • 3 : 1/64ND
  • ND variable linéairement : 1/4ND à 1/128ND

Vitesse d’obturateur

  • 64 images à 1/8000 sec (23.98P)

Angle d’obturateur

  • 5,6° à 360°, 2 à 64 images

Ralenti et accéléré

  • XAVC S QFHD : 1 fps à 120 fps
  • XAVC S HD : 1 fps à 240 fps

Balance des blancs

  • 2000 K à 15000 K

Gain

  • –3 dB à +36 dB (incréments de 1 dB)

Apparence de base

  • [S-Cinetone], [ITU709], [709tone], [s709], [709(800%)], [S-Log3], [HLG Live], [HLG Mild], [HLG Natural]

Section objectif

  • Rapport de zoom : optique 20×, numérique 30× (résolution 4K) / 40× (résolution Full HD)
  • Distance focale : f = 7,71 à 154,21 mm, 24 à 480 mm (équivalent à 35 mm)
  • Diaphragme : Ouverture (nombre F) F2.8 à F4.5, ouverture minimale (nombre F) F11, fermée
  • Angle de vue horizontal : environ 75°
  • Distance minimale de prise de vue : 10 mm

Section audio

Fréquence d’échantillonnage

  • 48 kHz

Quantification

  • 24 bits

Réponse de fréquence

  • Mode MIC entrée XLR : 20 Hz à 20 kHz (±3 dB ou moins)
  • Mode LINE entrée XLR : 20 Hz à 20 kHz (±3 dB ou moins)

Plage dynamique

  • Mode MIC entrée XLR : 80 dB (typique)
  • Mode LINE entrée XLR : 90 dB (typique)

Distorsion

  • Mode MIC entrée XLR : 0,08% ou moins (niveau d’entrée –40 dBu)
  • Mode LINE entrée XLR : 0,08% ou moins (niveau d’entrée +14 dBu)

Section d’entrée/sortie

Entrées

Connecteur DC IN

  • XLR 4 broches, 11 à 17 V, 12 A (max)

Connecteur AUDIO IN

  • AUDIO IN 1 / AUDIO IN 2 : XLR 3 broches × 2, femelle

    Commutable LINE / MIC / MIC+48V

    MIC : référence –30 dBu à –80 dBu

  • MIC : mini-prise stéréo ø3,5 mm, compatible avec l’alimentation plug-in

Connecteur GENLOCK IN

  • Connecteur BNC, 1,0 Vp-p, 75 Ω

Connecteur TC IN

  • Connecteur BNC

Sorties

Connecteur SDI OUT 1 (12G) / Connecteur SDI OUT 2

  • SDI OUT 1 (12G) : sortie 12G-SDI type BNC, 12G-SDI / 6G-SDI / 3G-SDI (Level A/B) / HD-SDI
  • SDI OUT 2 : sortie 3G-SDI type BNC, 3G-SDI (Level A) / HD-SDI

Connecteur HDMI

  • Connecteur type A

Connecteur de sortie OPTICAL

  • Conforme à SFP+

    * Le même signal que le connecteur de sortie 12G-SDI est envoyé. L’appareil ne prend pas en charge l’entrée de signal optique.

Entrée/sortie

Connecteur LAN (réseau)

  • RJ-45, 1000BASE-T

Connecteur OPTION

  • Connecteur d’entrée/de sortie de signalisation RJ-45

Connecteur VISCA IN / connecteur VISCA OUT

  • Protocole de contrôle : VISCA RS-422

Section du logement de support

  • Logement de carte CFexpress Type A / SD (2)

Éléments fournis

  • Télécommande infrarouge (1)
  • Vignette de code QR (1)
  • Règlements de sécurité (2)
  • Livret de garantie (1)
  • Support de plafond (A) (1)
  • Support de plafond (B) (1)
  • Câble métallique antichute (1)
  • Vis +PSW M3×8 (6)
  • Vis en acier inoxydable pour câble métallique antichute +PSW M4×8 (1)

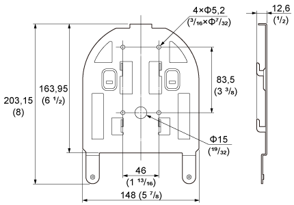
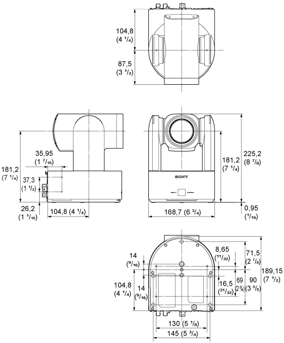
Dimensions externes

Les dimensions sont des valeurs approximatives.

Unité : mm (po.)

Boîtier de la caméra

Diagramme des dimensions du boîtier de la caméra

Support de plafond (B)

Diagramme des dimensions du support de plafond (B)

La conception et les caractéristiques techniques sont sujettes à modification sans préavis.

 
TP1001844411