Hilfe
Color Video Camera
BRC-AM7
JavaScript ist deaktiviert.
Bitte aktivieren Sie JavaScript, und laden Sie die Seite neu.
Zurück
Zurück zum Anfang
Drucken
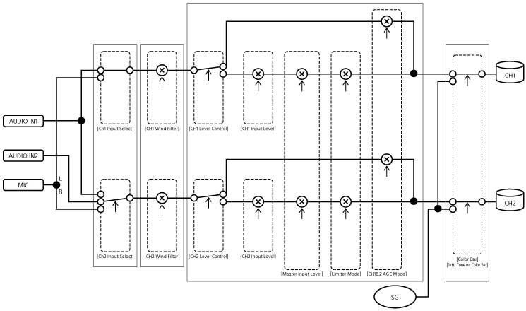
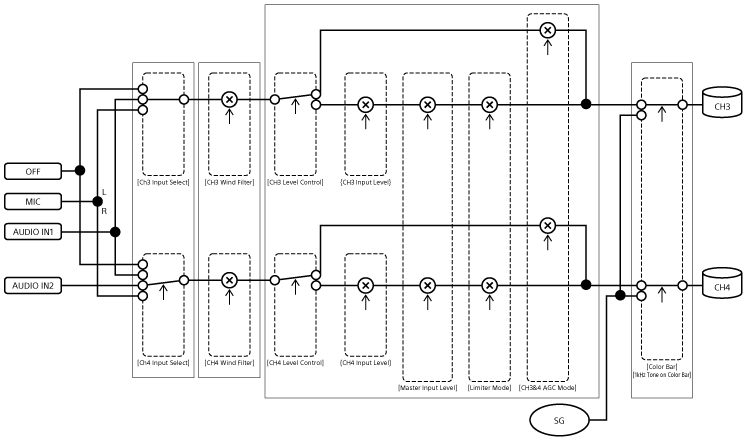
Blockschaltbilder
Audio Input
Audio Output
Zum Seitenanfang
TP1001869226
Überblick
Typische Anwendungen
Systemkonfiguration
Steuern eines einzelnen Geräts mithilfe der mitgelieferten Infrarot-Fernbedienung
Steuern eines einzelnen Geräts mithilfe eines Tablets oder Computers
Steuern eines einzelnen Geräts mithilfe einer externen Fernbedienung
Steuern mehrerer Geräte mithilfe einer externen Fernbedienung
Lage und Funktion der Teile
Vorderansicht
Anschlussblock
Seitenansicht
Unteransicht
Lage und Funktion der Elemente auf der Infrarot-Fernbedienung (mitgeliefert)
Bildschirm der Web-App
Übersicht über den Bildschirm der Web-App
Struktur des gemeinsamen Bereichs der Bildschirme
Struktur des Live-Betriebsbildschirms
Struktur des Einstellungsbildschirms PTZ AFR
Struktur des Wiedergabe-Betriebsbildschirms
Struktur des Einstellungsbildschirms
Kameramenü
Anzeige des Kamerabildschirms
Vorbereitung
Montieren des Geräts
Aufrechte Montage an einer festen Stelle
Aufrechte Montage an einer hoch gelegenen, festen Stelle
Montage an einer Decke
Anschließen der Kabel
Verbinden des Geräts per Kabel mit einem Netzwerkgerät
Verbindung mit dem Gerät mithilfe einer Fernbedienung (Option) über RS-422 herstellen
Anschließen einer Stromversorgung
Verwendung von Gleichspannung
Verwenden der Stromversorgung über PoE++
Zurücksetzen der Schwenk-/Neigefunktionen
Konfiguration vor der Aufzeichnung
Initialisieren des Geräts mithilfe der Web-App
Von einem Webbrowser aus auf die Web-App zugreifen
Initialisieren des Geräts
Geräteeinstellungen zurücksetzen
Konfigurieren der Grundfunktionen
Vorbereiten von Speicherkarten
Speicherkarten
Empfohlene Speicherkarten
Einsetzen von Speicherkarten
Auswerfen von Speicherkarten
Formatieren (Initialisieren) von Speicherkarten
Überprüfen der verbleibenden Aufzeichnungszeit
Wiederherstellen von Speicherkarten
Aufnehmen
Grundfunktionen
Starten/Stoppen der Aufzeichnung
Wechseln zwischen Speicherkarten
Prüfen des Tons
Festlegen von Zeitdaten
Prüfen der Aufnahme (Rec Review)
Anpassen des Bildausschnitts
Bildschirm zum Anpassen des Bildausschnitts
Anpassen der Aufnahmerichtung
Anpassen der Aufnahmerichtung mithilfe der Web-App
Einstellen der Schwenk-/Neigegeschwindigkeit
Einstellen der Schwenk-/Neigebeschleunigung
Anpassen der Aufnahmerichtung mithilfe der mitgelieferten Infrarot-Fernbedienung
Einstellen des Zooms
Einstellen des Zoomtyps
Einstellen der Funktion Tele Convert
Zoom mithilfe der Web-App einstellen
Zoomgeschwindigkeit mithilfe der Web-App einstellen
Einstellen des Zooms mithilfe der mitgelieferten Infrarot-Fernbedienung
Speichern/Wiederherstellen der Schwenk-/Neige-/Zoomposition der Kamera
Speichern/Wiederherstellen der Schwenk-/Neige-/Zoomposition und Fokuseinstellung mithilfe der Web-App
Umbenennen einer Voreinstellungsposition mithilfe der Web-App
Ersetzen einer gespeicherten Voreinstellungsposition durch eine neue mithilfe der Web-App
Löschen einer gespeicherten Voreinstellungsposition mithilfe der Web-App
Synchronisieren von Schwenk-/Neigevorgang und Zoom-/Fokusvorgang beim Aufrufen einer Voreinstellungsposition
Ändern der Übergangsgeschwindigkeit (Schwenken-Neigen/Zoom/Fokus) beim Aufrufen einer Voreinstellungsposition
Ändern der Übergangsdauer (Schwenken-Neigen/Zoom) beim Aufrufen einer Voreinstellungsposition
Automatische Personenverfolgung nach Aufrufen einer Voreinstellungsposition starten
Einstellungen der PTZ-Bildausschnitt-Steuerung nach Aufrufen einer Voreinstellungsposition wiederherstellen
Speichern/Wiederherstellen von Schwenk-/Neige- und Zoomposition mithilfe der mitgelieferten Infrarot-Fernbedienung
Automatische Bildausschnitt-Steuerung der Kamera (PTZ Auto Framing)
Informationen zur PTZ-Bildausschnitt-Steuerung
Bildschirmanzeige der Web-App während PTZ-Bildausschnitt-Steuerung
Konfigurieren der Anfangseinstellungen für PTZ-Bildausschnitt-Steuerung (Modus „Person“)
Motive für automatische Verfolgung angeben (manueller Verfolgungsstart „Person“)
Motive an bestimmter Position auswählen und automatisch verfolgen (automatischer Verfolgungsstart „Person“)
Ballsport (Basketball) automatisch aus erhöhter Position verfolgen
Voreinstellungsrahmen für PTZ-Bildausschnitt-Steuerung aufrufen
Voreinstellungsrahmen für PTZ-Bildausschnitt-Steuerung umbenennen
Voreinstellungsrahmen für PTZ-Bildausschnitt-Steuerung bearbeiten
Einen Voreinstellungsrahmen für die PTZ-Bildausschnitt-Steuerung durch eine neue Komposition ersetzen
Voreinstellungsrahmen für PTZ-Bildausschnitt-Steuerung zurücksetzen
Ändern der Anzahl zu verfolgender Personen während der PTZ-Bildausschnitt-Steuerung
Ziel der Automatiksteuerung für PTZ-Bildausschnitt-Steuerung und Geschwindigkeit/Empfindlichkeit während der Verfolgung ändern
Speichern und Laden von Konfigurationsdaten der PTZ-Bildausschnitt-Steuerung
Speichern einer PTZ AFR-Datei
Laden einer PTZ AFR-Datei
PTZ-Bildausschnitt-Steuerung mithilfe der mitgelieferten Infrarot-Fernbedienung
Status der PTZ-Bildausschnitt-Steuerung aus der Ferne prüfen
Einstellen des Fokus
Bildschirm für die Anpassung des Fokus
Manuelle Einstellung des Fokus (manueller Fokus)
Fokus manuell mithilfe der Web-App einstellen
Fokus manuell mit der mitgelieferten Infrarot-Fernbedienung einstellen
Fokus durch Angabe einer Fokusposition anpassen (Spot Focus)
Autofokus vorübergehend verwenden (Autofokus auf Tastendruck (AF))
Automatische Einstellung des Fokus (Autofokus)
Fokus automatisch mithilfe der Web-App einstellen
Fokus automatisch mit der mitgelieferten Infrarot-Fernbedienung einstellen
Einstellen des Bereichs und der Position für den Autofokus (Fokusbereich)
Schnelles Wechseln des Fokusbereichs (Fokuseinstellung)
Fokusbereichsrahmen mittels Touch-Bedienung bewegen (Fokus-Berührbereich)
Anpassen des Autofokusbetriebs (AF-Übergangsgeschwindigkeit, AF-Motivwechselempfindlichkeit)
Manuelles Einstellen des Autofokusziels (AF Assist) mithilfe der Web-App
Manuelle Fokussierung während Autofokus mithilfe der mitgelieferten Infrarot-Fernbedienung
Vorübergehende Verwendung des manuellen Fokus während Autofokus (manueller Fokus auf Tastendruck)
Erkennen und AF-Verfolgen einer Person
Ein bestimmtes Motiv mit AF verfolgen (Echtzeitverfolgungs-AF)
Hinweise zum Aufnehmen
Anpassung der Flanschbrennweite
Anpassen der Helligkeit
Bildschirm für die Anpassung der Helligkeit
Einstellen des Zielpegels für die automatische Helligkeitseinstellung
Anpassen der Blende
Automatisches Anpassen der Blende
Manuelles Anpassen der Blende
Anpassen der Verstärkung
Automatische Verstärkungsanpassung
Manuelle Verstärkungsanpassung
Anpassen der Verschlusszeit
Automatische Anpassung der Verschlusszeit
Manuelle Anpassung der Verschlusszeit
Anpassen des Lichtpegels (ND-Filter)
Informationen zum ND-Filter
Einstellung im Voreinstellungsmodus
Automatische Einstellung im variablen Modus
Manuelle Einstellung im variablen Modus
Anpassung für natürliche Farben (Weißabgleich)
Bildschirm für die Anpassung des Weißabgleichs
Automatischer Weißabgleich
Manueller Weißabgleich
Ausführen des automatischen Weißabgleichs
Konfigurieren der Bildstabilisierung
Verwenden der Bildstabilisierung
Konfigurieren der aufzunehmenden Audiosignale
Bildschirm zur Audiokonfiguration
Wählen des Audioeingangsgeräts
Automatische Einstellung des Audioaufzeichnungspegels
Manuelle Einstellung des Audioaufzeichnungspegels
Nützliche Funktionen
Verwenden des Direktmenüs
Belegbare Tasten
Zeitlupe & Zeitraffer
Intermittierende Videoaufzeichnung (Interval Rec)
Aufzeichnen gepufferter Bilder (Picture Cache Rec)
Gleichzeitige Aufnahme auf Speicherkarten A und B (2-slot Simul Rec)
Videosignalmonitor
Clipkennzeichnungen
Proxy-Aufzeichnung
Überblick zur Proxy-Aufzeichnung
Aufnehmen eines Proxy
Aufnehmen mit dem gewünschten Look
Überblick zum Look
Auswählen eines Looks
Importieren eines gewünschten grundlegenden Looks
Anpassen des Looks
Einen Look als Szenendatei speichern
Löschen eines grundlegenden Looks
Eine Szenendatei umbenennen
Den Look mit einer anderen Kamera teilen
Eine im internen Speicher befindliche Szenendatei auf einem externen Gerät speichern
Eine auf einem externen Gerät gespeicherte Szenendatei in den internen Speicher laden
Aufnehmen mit Look-Anpassung in der Postproduktion
Aufnehmen mit Look-Anpassung in der Postproduktion
LUT auf SDI2-Ausgang/HDMI-Ausgang und Streaming anwenden
Ändern einer LUT
Speichern und Laden von Konfigurationsdaten
Überblick zum Speichern und Laden von Konfigurationsdaten
Speichern einer ALL-Datei
Laden einer ALL-Datei
Netzwerkfunktionen
Übertragen von Dateien
Informationen zur Dateiübertragung
Registrieren eines Ziels für die Dateiübertragung
Aufgezeichnete Proxy-Clips nacheinander übertragen
Auswählen und Hochladen einer Datei
Hochladen eines Proxy-Clips auf einer Speicherkarte über die Miniaturbildanzeige
Hochladen eines Originalclips auf einer Speicherkarte über die Miniaturbildanzeige
Prüfen des Dateiübertragungsstatus
Hochladen mithilfe einer sicheren FTP-Übertragung
Konfigurieren des Streaming
Informationen zum Streaming
Einstellen des Streaming-Formats
Festlegen des Videocodec für das Streaming
Festlegen des Audiocodec für das Streaming
Starten/Stoppen des Streaming
Miniaturbildanzeige
Miniaturbildanzeige
Wiedergeben von Clips und andere Clip-Vorgänge
Abspielen der aufgezeichneten Clips
Vorgänge mit aufgezeichneten Clips
Kameramenü und detaillierte Einstellungen
Konfiguration des Kameramenüs
Bedienen des Kameramenüs
Bedienen des Kameramenüs
Eingeben einer Zeichenfolge
User-Menü
[User]
Edit User-Menü
[Edit User]
Shooting-Menü
[ISO/Gain]
[ND Filter]
[Shutter]
[Auto Exposure]
[White]
[White Setting]
[Offset White]
[Focus]
[S&Q Motion]
[LUT On/Off]
[NIGHTSHOT]
[
Soft Skin Effect
]
[Noise Suppression]
[Flicker Reduce]
[Image Stabilization]
Project-Menü
[Base Setting]
[Rec Format]
[Flexible ISO Setting]
[Simul Rec]
[Proxy Rec]
[
Interval Rec
]
[
Picture Cache Rec
]
[SDI/HDMI Rec Control]
[Assignable Button]
Paint/Look-Menü
[Scene File]
[Base Look]
[Reset Paint Settings]
[Black]
[Knee]
[Detail]
[Matrix]
[Multi Matrix]
Pan-Tilt-Menü
[P/T Acceleration]
TC/Media-Menü
[Timecode]
[TC Display]
[Users Bit]
[HDMI TC Out]
[Clip Name Format]
[Update Media]
[Format Media]
[Media Life]
Monitoring-Menü
[Output Format]
[Display On/Off]
[Video Signal Monitor]
[Marker]
Audio-Menü
[Audio Input]
[Audio Output]
Thumbnail-Menü
[Display Clip Properties]
[Set Clip Flag]
[Lock/Unlock Clip]
[Delete Clip]
[Copy Clip]
[Transfer Clip]
[Transfer Clip (Proxy)]
[Filter Clips]
[Customize View]
Technical-Menü
[Color Bars]
[Genlock]
[Tally]
[Rec Review]
[Zoom]
[Lens]
[APR]
[Measurement]
Network-Menü
[Wired LAN]
[File Transfer]
Maintenance-Menü
[Language]
[Hours Meter]
Einstellungen und Standardwerte des Shooting-Menüs
Einstellungen und Standardwerte für [ISO/Gain]
Einstellungen und Standardwerte für [AGC Limit]
Einstellungen [Video Format] / [Quality] / [Bit Rate]
Für jeden Aufnahmemodus gespeicherte Bildqualitätseinstellungen
Webmenü und detaillierte Einstellungen
Konfiguration des Webmenüs
Funktionen des Webmenüs
Shooting-Menü
[Focus]
Project-Menü
[Base Setting]
[Rec Format]
[Simul Rec]
[Proxy Rec]
[
Interval Rec
]
[
Picture Cache Rec
]
[All File]
Paint/Look-Menü
[
Scene File
]
[Base Look]
Pan-Tilt-Menü
[P/T Speed]
[P/T Acceleration]
[P/T Range Limit]
[P/T Direction]
[P/T Preset]
Monitoring-Menü
[Output Format]
[Output Display]
Audio-Menü
[Audio Input]
[Audio Output]
Technical-Menü
[Tracking Data Output]
[Tracking Data]
[Tally]
[Tele Convert]
[IR Remote]
[RCP/MSU]
Network-Menü
[Camera Name]
[User]
[Wired LAN]
[File Transfer]
[
FTP Server 1
], [
FTP Server 2
], [
FTP Server 3
]
[SSL]
[SSH]
[Referer Check]
[Brute Force Attack Protection]
Stream-Menü
[Stream]
[Video Stream]
[Audio Stream]
Maintenance-Menü
[Language]
[Clock Set]
[Reset]
[Information]
[System Log]
[HTTP Access Log]
[Service]
[Software]
Anschließen externer Geräte
Anschließen externer Monitore und Aufnahmegeräte
Anschließen einer RCP/MSU (Option)
Verbinden mit RCP/MSU/CNA-2
1:1-Verbindung zwischen Gerät und RCP
Verwenden des Geräts in einer Umgebung mit mehreren Kameras mit MSU/CNA-2/Software zur Kamerafernsteuerung
Liste unterstützter Funktionen
Betrieb mit einer Fernbedienung RM-IP500 (Option)
Betrieb mit einer Fernbedienung RM-IP500 (Option)
Verbinden einer Fernbedienung RM-IP500 über kabelgebundenes LAN
Verwenden des Camera Remote SDK
Informationen zum Camera Remote SDK
Synchronisierung mit einem externen Gerät
Informationen zur Synchronisierung mit einem externen Gerät
Synchronisieren der Phase des Videosignals (Genlock)
Synchronisieren des Zeitcodes mit anderen Geräten
Anschließen eines externen Mikrofons oder Audiogeräts
Verwalten und Bearbeiten von Clips auf einem Computer
Ausgeben eines faseroptischen Signals
Zuführen eines Tally-Signals
Ausgabe von Verfolgungsdaten
Anhang
Vorsichtsmaßnahmen bei der Verwendung
Ausgabeformate und Beschränkungen
Fehlerbehebung
Betriebsmeldungen
Liste der Menüelemente
In Voreinstellungspositionen gespeicherte Elemente
Blockschaltbilder
Lizenzen
Technische Daten
Marken