Technische Daten
Allgemeines
Gewicht
- ca. 3,5 kg
Abmessungen
Siehe „Äußere Abmessungen“.
Betriebsspannung
- 12 V DC (XLR 4-polig)
- PoE++ (IEEE802.3bt, entspricht Type 4, Class 8)
Leistungsaufnahme
- 132 W (max.) mit DC IN-Stromversorgung
- PoE++: max. 71,3 W
Betriebstemperatur
- 0 °C bis 40 °C
Lagertemperatur
- –20 °C bis +60 °C
Aufzeichnungsformat (Video)
MP4-Format:
- XAVC HS Long 422/420
- XAVC S Long 422/420
- XAVC S Intra
MXF-Format:
- XAVC Long 422/420
- XAVC Intra
Aufzeichnungsformat (Audio)
- LPCM 24 Bit, 48 kHz, 4 Kanal
Bildrate bei der Aufzeichnung
MP4-Format:
- XAVC HS Long 422/420
3840×2160/119.88P*, 100P*, 59.94P, 50P, 23.98P - XAVC S Long 422/420
3840×2160/119.88P*, 100P*, 59.94P, 50P, 29.97P, 25P, 23.98P
1920×1080/119.88P*, 100P*, 59.94P, 50P, 29.97P, 25P, 23.98P - XAVC S Intra
3840×2160/59.94P, 50P, 29.97P, 25P, 23.98P
1920×1080/59.94P, 50P, 29.97P, 25P, 23.98P
* Wenn Zeitlupe & Zeitraffer aktiviert ist, können 119.88P und 100P nicht verwendet werden.
MXF-Format:
- XAVC Long 422
1920×1080P/59.94P, 50P, 29.97P, 25P, 23.98P
1920×1080i/59.94i, 50i
1280×720P/59.94P, 50P - XAVC Long 420
3840×2160P/59.94P, 50P, 29.97P, 25P, 23.98P - XAVC Intra
3840×2160P/59.94P, 50P, 29.97P, 25P, 23.98P
1920×1080P/59.94P, 50P, 29.97P, 25P, 23.98P
1920×1080i/59.94i, 50i
1280×720P/59.94P, 50P
Aufnahme-/Wiedergabedauer
- XAVC HS Long 420
3840×2160P/59.94P
ca. 100 Minuten (mit CEA-G160T) - XAVC S Long 420/XAVC Long 420
3840×2160P/59.94P
ca. 100 Minuten (mit CEA-G160T)
1920×1080P/59.94P
ca. 270 Minuten (mit CEA-G160T) - XAVC S Intra/XAVC Intra
3840×2160P/59.94P
ca. 25 Minuten (mit CEA-G160T)
1920×1080P/59.94P
ca. 75 Minuten (mit CEA-G160T)
Hinweis
- Die Aufnahme- bzw. Wiedergabezeit kann aufgrund der Nutzungsbedingungen und Speichereigenschaften schwanken. Die Aufnahme- und Wiedergabedauern gelten für kontinuierliche Aufzeichnung als ein einziger Clip. Die tatsächlichen Dauern können je nach Anzahl der aufgezeichneten Clips kürzer sein.
Bereich Schwenk-/Neigeantrieb
- Bereich/Geschwindigkeit des Schwenkantriebs: ±175°, 0,004 °/s bis 180 °/s
- Bereich/Geschwindigkeit des Neigeantriebs: −30° bis 210°, 0,004 °/s bis 180 °/s
- NC-Wert: NC25 oder geringer
- Anzahl Voreinstellungspositionen: 100
Die Anzahl der verfügbaren Voreinstellungspositionen variiert je nach verwendeter Fernbedienung (Webanwendung: 100, RM-IP500: 100, mitgelieferte Infrarot-Fernbedienung: 3)
Bereich Kamera
Bildgebungsgerät
- ExmorRS-CMOS-Bildsensor, 1,0 Zoll
Anzahl der Pixel
- 20,9 Mio. (gesamt)
- 14,0 Mio. (effektiv)
Die Anzahl effektiver Pixel hängt vom Aufnahmemodus und den Einstellungen ab.
Autofokus
- Erkennungsmethode: Phasenerkennung/Kontrasterkennung
Interne ND-Filter
- [Clear]: Kein
- 1: 1/4ND
- 2: 1/16ND
- 3: 1/64ND
- Linear variabler ND-Filter: 1/4ND bis 1/128ND
Verschlusszeit
- 64 Einzelbilder bis 1/8000 s (23.98P)
Verschlusswinkel
- 5,6° bis 360°, 2 bis 64 Einzelbilder
Zeitlupe & Zeitraffer
- XAVC S QFHD: 1 fps bis 120 fps
- XAVC S HD: 1 fps bis 240 fps
Weißabgleich
- 2000 K bis 15000 K
Verstärkung
- –3 dB bis +36 dB (in Schritten von 1 dB)
Grundlegender Look
- [S-Cinetone], [ITU709], [709tone], [s709], [709(800%)], [S-Log3], [HLG Live], [HLG Mild], [HLG Natural]
Bereich Objektiv
- Zoomverhältnis: Optisch 20×, Digital 30× (4K-Auflösung) / 40× (Full HD-Auflösung)
- Brennweite: f = 7,71 bis 154,21 mm, 24 bis 480 mm (35-mm-Äquivalent)
- Blende: Geöffnete Blende (F-Zahl) F2.8 bis F4.5, kleinste Blende (F-Zahl) F11, geschlossen
- Horizontaler Bildwinkel: ca. 75°
- Minimaler Aufnahmeabstand: 10 mm
Bereich Audio
Abtastrate
- 48 kHz
Quantisierung
- 24 Bit
Frequenzantwort
- XLR-Eingang, MIC-Modus: 20 Hz bis 20 kHz (±3 dB oder weniger)
- XLR-Eingang, LINE-Modus: 20 Hz bis 20 kHz (±3 dB oder weniger)
Dynamikbereich
- XLR-Eingang, MIC-Modus: 80 dB (typ.)
- XLR-Eingang, LINE-Modus: 90 dB (typ.)
Verzerrung
- XLR-Eingang, MIC-Modus: 0,08% oder weniger (Eingangspegel –40 dBu)
- XLR-Eingang, LINE-Modus: 0,08% oder weniger (Eingangspegel +14 dBu)
Bereich Eingänge/Ausgänge
Eingänge
DC IN-Anschluss
- XLR 4-polig, 11 bis 17 V, 12 A (max.)
AUDIO IN-Anschluss
- AUDIO IN 1 / AUDIO IN 2: XLR 3-polig × 2, Buchse
LINE / MIC / MIC+48V schaltbar
MIC: Referenz –30 dBu bis –80 dBu
- MIC: Stereo-Minibuchse ø3,5 mm, kompatibel mit Plug-in-Stromversorgung
GENLOCK IN-Anschluss
- BNC-Anschluss, 1,0 Vp-p, 75 Ω
Anschluss TC IN
- BNC-Anschluss
Ausgänge
Anschluss SDI OUT 1 (12G) / Anschluss SDI OUT 2
- SDI OUT 1 (12G): 12G-SDI-Ausgang BNC-Ausführung, 12G-SDI / 6G-SDI / 3G-SDI (Level A/B) / HD-SDI
- SDI OUT 2: 3G-SDI-Ausgang BNC-Ausführung, 3G-SDI (Level A) / HD-SDI
Anschluss HDMI
- Anschluss Typ A
OPTICAL-Ausgangsanschluss
- SFP+-konform
* Es wird das gleiche Signal wie am 12G-SDI-Ausgangsanschluss ausgegeben. Das Gerät unterstützt keine optische Signaleingabe.
Eingang/Ausgang
LAN-Anschluss (Netzwerk)
- RJ-45, 1000BASE-T
OPTION-Anschluss
- RJ-45, Tally-Ein-/Ausgangsanschluss
Anschluss VISCA IN / Anschluss VISCA OUT
- Steuerprotokoll: VISCA RS-422
Bereich Medieneinschub
- Einschub für CFexpress Type A / SD-Karte (2)
Lieferumfang
- Infrarot-Fernbedienung (1)
- QR-Codeaufkleber (1)
- Sicherheitsbestimmungen (2)
- Garantieheft (1)
- Deckenhalterung (A) (1)
- Deckenhalterung (B) (1)
- Drahtseil zum Fallschutz (1)
- Schrauben +PSW M3×8 (6)
- Edelstahlschraube +PSW M4×8 für Drahtseil zum Fallschutz (1)
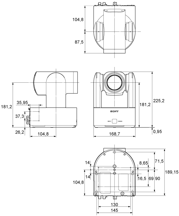
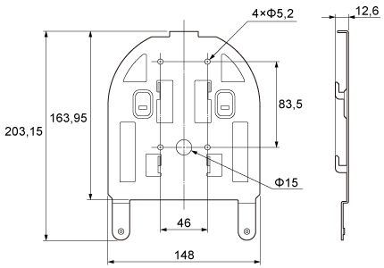
Äußere Abmessungen
Abmessungen sind ungefähre Werte.
Einheit: mm
Kameragehäuse
Deckenhalterung (B)
Gestaltung und technische Daten können jederzeit ohne Ankündigung geändert werden.
TP1001869228

