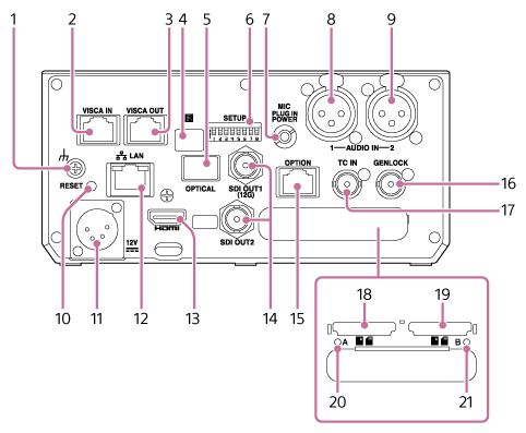
Anschlussblock
In diesem Thema werden die Lage und Funktion von Elementen am Anschlussblock des Geräts beschrieben.
-
Anschluss
(Erdung)
Verbinden Sie diesen Anschluss mit der Erdung in Form eines Erdungskontakts einer Steckdose oder einer Erdungsschiene.
-
Anschluss VISCA IN
Verbinden Sie diesen Anschluss mit einer Fernbedienung (Option).
Beim Anschließen mehrerer Kameras verbinden Sie diesen Anschluss mit dem Anschluss VISCA RS-422 OUT der vorhergehenden Kamera.
-
Anschluss VISCA OUT
Beim Anschließen mehrerer Kameras verbinden Sie diesen Anschluss mit dem Anschluss VISCA RS-422 IN der nächsten Kamera.
-
Sensor für Infrarot-Fernbedienung (Rückseite)
Infrarot-Sensor für die mitgelieferte Infrarot-Fernbedienung.
-
OPTICAL-Ausgangsanschluss
Gibt ein in das optische Format konvertierte Signal des Anschlusses SDI OUT1 (12G) aus, falls ein SFP+-Modul (Option) angeschlossen ist.
- Einzelheiten siehe „Ausgeben eines faseroptischen Signals“.
-
SETUP-Schalter
Zum Konfigurieren der folgenden Einstellungen.
Schalter 1, 2: Wählt die Infrarot-Fernbedienung (mitgeliefert) aus, mit der die Bedienung erfolgen soll.
Einstellung Schalter 1 Einstellung Schalter 2 Beschreibung OFF (Standard) OFF (Standard) Empfängt Vorgänge von der Infrarot-Fernbedienung (mitgeliefert) mit der ID 1.
Standardeinstellung.OFF ON Empfängt Vorgänge von der Infrarot-Fernbedienung (mitgeliefert) mit der ID 2. ON OFF Empfängt Vorgänge von der Infrarot-Fernbedienung (mitgeliefert) mit der ID 3. ON ON Reserviert Schalter 3: Legt fest, welche Einstellungen beim Drücken des RESET-Schalters zurückgesetzt werden sollen.
Einstellung Beschreibung OFF (Standard) Nur die Netzwerkverbindungseinstellungen werden zurückgesetzt. Die Netzwerkeinstellungen, Sicherheitseinstellungen und Benutzerinformationen (Benutzername und Passwort) des Geräts werden zurückgesetzt. ON Alle Einstellungen werden auf Standardwerte zurückgesetzt. Schalter 4: Aktiviert/deaktiviert VISCA und die VISCA over IP-Kommunikation. Die Einstellungen werden übernommen, sobald die Kamera eingeschaltet wird.
In Stellung ON bringen, um das Gerät bei Verbindung mit einer Fernbedienung RM-IP500 zu verwenden.
Einstellung Beschreibung OFF (Standard) Keine Reaktion auf VISCA-Befehle. ON VISCA-Befehle werden angenommen. Hinweis
- Falls das Administrator-Passwort nicht konfiguriert wurde, ist die VISCA-Kommunikation unabhängig von der Schalterstellung deaktiviert. Einzelheiten zum Konfigurieren des Administrator-Passworts siehe „Initialisieren des Geräts“.
Schalter 5: Legt die Baudrate des Anschlusses VISCA IN/VISCA OUT fest. Die Einstellungen werden übernommen, sobald die Kamera eingeschaltet wird.
Einstellung Beschreibung OFF (Standard) Legt die Baudrate 9600 bps fest. ON Legt die Baudrate 38400 bps fest. Schalter 6, 7: reserviert. Nicht verwendet.
Schalter 8: Legt die IP-Adresse auf einen bestimmten Wert fest.
Einstellung Beschreibung OFF (Standard) Der Benutzer legt die IP-Adresse fest. ON Legt die IP-Adresse des Geräts beim Start auf 192.168.0.100 fest (Modus mit fester IP-Adresse). Hinweis
- Wenn die IP-Adresse nach dem Start im Webmenü geändert wird, stellen Sie diesen Schalter auf OFF.
-
Anschluss MIC (Stereo ø3,5 mm)
Zum Anschließen eines Mikrofons mit ø3,5-mm-Stereo-Ministecker (3-polig).
-
Anschluss AUDIO IN 1 (XLR-Anschluss, 3-polig)
-
Anschluss AUDIO IN 2 (XLR-Anschluss, 3-polig)
Zum Zuführen des Signals eines externen Mikrofons oder Audiogeräts.
- Einzelheiten siehe „Anschließen eines externen Mikrofons oder Audiogeräts“.
-
RESET-Schalter
Mindestens 5 Sekunden lang mithilfe einer Bleistiftspitze oder ähnlichem Gegenstand gedrückt halten, um die Einstellungen des Geräts auf Standardwerte zurückzusetzen.
Sie können mithilfe des SETUP-Schalters 3 auswählen, ob nur die Netzwerkverbindungseinstellungen oder alle Einstellungen zurückgesetzt werden sollen.
-
Anschluss DC IN (XLR-Anschluss, 4-polig)
Gleichspannungseingang (XLR-Stecker, 4-polig) zum Anschließen einer externen Stromversorgung an das Gerät. Unterstützt eine Eingangsspannung von 12 V DC (11 V bis 17 V).
Nr. Signal 1 GND 2 n.v. 3 n.v. 4 DC IN (11 V bis 17 V) Hinweis
- Falls das Stromversorgungskabel sehr lang ist, tritt aufgrund der Last ein Spannungsabfall auf. Stellen Sie sicher, dass die Eingangsspannung am Stromversorgungsanschluss nicht unter 12 V fällt, bevor Sie das Gerät in Betrieb nehmen.
- Das Gerät überwacht die Spannung. Wenn sie unter 11,5 V fällt, wird [Voltage Low] erkannt und eine Warnung über die Web-App, die Aufnahme-/Tally-Anzeige und die Anzeige POWER/Anzeige NETWORK angezeigt.
- Wenn sie unter 11,0 V fällt, wird [Insufficient Voltage] erkannt, verschiedene Funktionen werden eingestellt, und eine Warnung wird über die Web-App, die Aufnahme-/Tally-Anzeige und die Anzeige POWER/Anzeige NETWORK angezeigt. Wenn [Insufficient Voltage] erkannt wird, wechselt das Gerät bei wieder ansteigender Spannung nicht in den normalen Betriebszustand. Stellen Sie eine stabile Stromversorgung sicher, trennen Sie dann das Stromversorgungskabel und schließen Sie die Stromversorgung wieder an.
-
LAN-Anschluss (Netzwerk; RJ-45)
Schließen Sie hier ein Netzwerkkabel (Kategorie 5e oder höher) zur Netzwerkkommunikation und zur PoE++*-Stromversorgung des Geräts an.
*PoE++: Power over Ethernet Plus Plus. Gemäß IEEE802.3bt (Type 4, Class 8). Einzelheiten zum Herstellen der Verbindung finden Sie in der Bedienungsanleitung zum Stromversorgungsgerät.
Hinweis
- Einige Funktionen sind während des PoE++-Betriebs eingeschränkt. Einzelheiten siehe „Verwenden der Stromversorgung über PoE++“.
A: LED-Anzeige für Geschwindigkeit
Anzeige Verbindungsgeschwindigkeit Erloschen 10-Mbit/s-Verbindung 100-Mbit/s-Verbindung Leuchtet orange 1000-Mbit/s-Verbindung B: LED-Anzeige für Link/ACT-Status
Anzeige Verbindungsstatus Erloschen Keine Verbindung Blinkt grün Verbindung hergestellt, Daten aktiv Leuchtet grün Aktive Verbindung Hinweis
- Schließen Sie dieses Produkt beim Verbinden mit dem Internet über ein System an, das eine Schutzfunktion bietet, wie etwa ein Router oder eine Firewall. Andernfalls können Sicherheitsprobleme auftreten.
-
Anschluss HDMI
Gibt das Video vom Gerät als HDMI-Signal aus.
- Einzelheiten siehe „Anschluss HDMI OUT (Type A)“ unter „Anschließen externer Monitore und Aufnahmegeräte“.
-
Anschluss SDI OUT 1 (12G) / Anschluss SDI OUT 2
Anschluss SDI OUT 1 (12G): Gibt das Video vom Gerät als 12G/6G/3G/1.5G-SDI-Signal aus.
Anschluss SDI OUT 2: Gibt das Video vom Gerät als 3G/1.5G-SDI-Signal aus.
- Einzelheiten siehe „Anschluss SDI OUT (BNC-Ausführung)“ unter „Anschließen externer Monitore und Aufnahmegeräte“.
-
OPTION-Anschluss
An diesem Anschluss führen Sie ein Tally-Signal eines externen Geräts zu.
- Einzelheiten siehe „Zuführen eines Tally-Signals“.
-
GENLOCK-Anschluss
Zum Zuführen eines externen Synchronisationssignals.
- Einzelheiten siehe „Synchronisieren der Phase des Videosignals (Genlock)“.
-
Anschluss TC IN
An diesem Anschluss führen Sie ein externes Referenz-Zeitcodesignal zu.
- Einzelheiten siehe „Anwenden des Zeitcodes auf andere Geräte“.
-
Einschub für CFexpress Type A / SD-Karte (A)
-
Einschub für CFexpress Type A / SD-Karte (B)
Zum Einsetzen von Aufnahmemedien.
- Einzelheiten siehe „Einsetzen von Speicherkarten“.
-
Zugriffsanzeige A
-
Zugriffsanzeige B
Die Anzeige leuchtet oder blinkt, wenn das Aufnahmemedium eingesetzt wird.
- Einzelheiten siehe „Einsetzen von Speicherkarten“.

