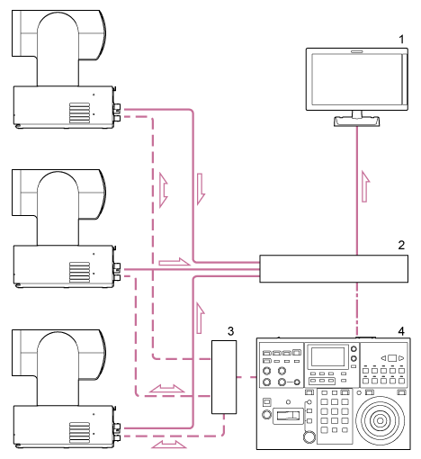
Steuern mehrerer Geräte mithilfe einer externen Fernbedienung
VISCA over IP-Verbindung
Sie können bis zu 100 Geräte mithilfe einer einzelnen Fernbedienung fernbedienen.
Videosignal
Fernsteuersignal
Tally-/Kontaktsignal
Signalweg
-
Videomonitor
-
Videoumschalter
-
Ethernet-Hub
-
Fernbedienung RM-IP500
TP1001868955

