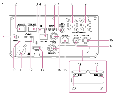
Pannello connettori
Questo argomento descrive la posizione e la funzione dei componenti del pannello connettori dell’unità.
-
Connessione di terra
Collegare a terra collegando questo connettore al morsetto di terra di una presa di corrente oppure a un opportuno dispersore di terra.
-
Connettore VISCA IN
Consente il collegamento di un telecomando (opzione).
Per il collegamento di più telecamere, collegare al connettore VISCA RS-422 OUT della telecamera precedente.
-
Connettore VISCA OUT
Per il collegamento di più telecamere, collegare al connettore VISCA RS-422 IN della telecamera successiva.
-
Sensore del telecomando a infrarossi (posteriore)
Sensore a infrarossi per il telecomando a infrarossi fornito in dotazione.
-
Connettore di uscita OPTICAL
Quando è connesso un modulo SFP+ (opzionale), emette in uscita un segnale di connettore SDI OUT1 (12G) convertito in formato ottico.
- Per informazioni dettagliate, vedere “Emissione di un segnale su fibra ottica”.
-
Selettori SETUP
Consentono di configurare le impostazioni indicate di seguito.
Selettore 1, 2: Seleziona il telecomando (fornito) che eseguirà le operazioni.
Impostazione del selettore 1 Impostazione del selettore 2 Descrizione OFF (predefinito) OFF (predefinito) Riceve i comandi dal telecomando a infrarossi (in dotazione) con ID telecomando 1.
Impostazione predefinita.OFF ON Riceve i comandi dal telecomando a infrarossi (in dotazione) con ID telecomando 2. ON OFF Riceve i comandi dal telecomando a infrarossi (in dotazione) con ID telecomando 3. ON ON Riservato Selettore 3: Specifica quali impostazioni vengono ripristinate con la pressione del pulsante RESET.
Impostazione Descrizione OFF (predefinito) Ripristina solo le impostazioni della connessione di rete. Vengono ripristinate solo le impostazioni di rete, le impostazioni di sicurezza e le impostazioni utente (nome utente e password) dell’unità. ON Ripristina i valori predefiniti di fabbrica di tutte le impostazioni. Selettore 4: Abilita o disabilita le modalità di comunicazione VISCA e VISCA over IP. Le impostazioni vengono applicate al momento dell’accensione della telecamera.
Spostare sulla posizione ON per utilizzare l’unità con la connessione a un telecomando RM-IP500.
Impostazione Descrizione OFF (predefinito) Non risponde ai comandi VISCA. ON Accetta i comandi VISCA. Nota
- Se non è stata configurata una password amministratore, la comunicazione VISCA rimane disabilitata, indipendentemente dalla posizione del selettore. Per informazioni dettagliate sulla configurazione della password amministratore, vedere “Inizializzazione dell’unità”.
Selettore 5: Imposta la velocità di trasmissione (baud rate) per i connettori VISCA IN/VISCA OUT. Le impostazioni vengono applicate al momento dell’accensione della telecamera.
Impostazione Descrizione OFF (predefinito) Imposta il baud rate su 9600 bps. ON Imposta il baud rate su 38400 bps. Selettori 6, 7: Riservati. Non utilizzati.
Selettore 8: Imposta l’indirizzo IP su un valore specifico.
Impostazione Descrizione OFF (predefinito) L’utente imposta l’indirizzo IP. ON Imposta l’indirizzo IP dell’unità su 192.168.0.100 all’avvio (modalità indirizzo IP fisso). Nota
- Se l’indirizzo IP viene modificato dopo l’avvio nel menu Web, impostare questo selettore sulla posizione OFF.
-
Connettore MIC (stereo ø3,5 mm)
Consente il collegamento di un microfono con mini jack stereo da ø3,5 mm (3 poli).
-
Connettore AUDIO IN 1 (connettore tipo XLR, 3 pin)
-
Connettore AUDIO IN 2 (connettore tipo XLR, 3 pin)
Consente di fornire in entrata il segnale proveniente da un dispositivo audio o microfono esterno.
- Per informazioni dettagliate, vedere “Collegamento di un microfono esterno o di un dispositivo audio esterno”.
-
Pulsante RESET
Premere per almeno 5 secondi utilizzando la punta di una penna o un oggetto analogo per ripristinare le impostazioni dell’unità sui valori predefiniti di fabbrica.
È possibile scegliere se reimpostare solo le impostazioni della connessione di rete oppure tutte le impostazioni mediante il selettore SETUP 3.
-
Connettore DC IN (connettore tipo XLR, 4 pin)
Connettore DC IN (ingresso alimentazione c.c.) per il collegamento all’unità di una sorgente di alimentazione esterna (XLR, 4 pin, maschio). Consente la fornitura di una tensione di ingresso 12 V c.c. (da 11 V a 17 V).
N. Segnale 1 GND 2 NC 3 NC 4 DC IN (da 11 V a 17 V) Nota
- Se il cavo di alimentazione si estende per una lunga distanza, avrà luogo una caduta di tensione a causa del carico. Controllare che la tensione di ingresso al connettore di alimentazione non scenda al di sotto di 12 V prima di utilizzare l’unità.
- L’unità monitora la tensione. Se scende al di sotto di 11,5 V, viene rilevata una condizione di [Voltage Low] e viene visualizzato un avvertimento tramite l’app Web, l’indicatore registrazione/tally e gli indicatori POWER e NETWORK.
- Se scende al di sotto di 11,0 V, viene rilevata una condizione di [Insufficient Voltage], alcune funzioni si arrestano e viene visualizzato un avvertimento tramite l’app Web, l’indicatore registrazione/tally e gli indicatori POWER e NETWORK. Dopo il rilevamento della condizione di [Insufficient Voltage] l’unità non tornerà allo stato di funzionamento normale anche se successivamente la tensione ritorna a un valore sufficiente. Assicurarsi che l’alimentazione sia stabile, quindi scollegare e poi ricollegare il cavo di alimentazione.
-
Connettore
LAN (rete) (RJ-45)
Consente il collegamento di un cavo di rete (categoria 5e o superiore) per la comunicazione di rete e l’alimentazione PoE++* all’unità.
*PoE++: Power over Ethernet Plus Plus. Conforme a IEEE802.3bt (Type 4 Class 8). Per informazioni dettagliate sulla connessione, fare riferimento alle istruzioni per l’uso del dispositivo di alimentazione.
Nota
- Alcune funzioni sono limitate quando l’unità opera con alimentazione PoE++. Per informazioni dettagliate, fare riferimento a “Utilizzo dell’alimentazione PoE++”.
A: Indicatore di stato LED velocità
Indicazione Velocità della connessione Spento Connessione 10 Mbps Connessione 100 Mbps Luce fissa arancione Connessione 1000 Mbps B: Indicatore di stato LED Link/ACT
Indicazione Stato della connessione Spento Nessun collegamento Lampeggiante verde Collegamento stabilito, dati attivi Luce fissa verde Collegamento attivo Nota
- Il collegamento del prodotto a Internet deve essere realizzato mediante un sistema in grado di fornire funzioni di protezione, ad esempio un router o un firewall. In caso di collegamento senza tale protezione si potrebbero verificare problemi di sicurezza.
-
Connettore HDMI
Fornisce in uscita come segnale HDMI il video proveniente dall’unità.
- Per informazioni dettagliate, vedere “Connettore HDMI OUT (Type A)” in “Connessione di monitor e dispositivi di registrazione esterni”.
-
Connettore SDI OUT 1 (12G) / connettore SDI OUT 2
Connettore SDI OUT 1 (12G): Fornisce in uscita il video proveniente dall’unità in formato di segnale 12G/6G/3G/1.5G SDI.
Connettore SDI OUT 2: Fornisce in uscita il video proveniente dall’unità in formato di segnale 3G/1.5G SDI.
- Per informazioni dettagliate, vedere “Connettore SDI OUT (tipo BNC)” in “Connessione di monitor e dispositivi di registrazione esterni”.
-
Connettore OPTION
Consente il collegamento di un segnale tally proveniente da un dispositivo esterno.
- Per informazioni dettagliate, vedere “Connessione di un segnale di tally”.
-
Connettore GENLOCK
Consente di fornire in entrata un segnale di sincronizzazione esterno.
- Per informazioni dettagliate, vedere “Sincronizzazione della fase del segnale video (Genlock)”.
-
Connettore TC IN
Consente l’ingresso di un segnale di codice temporale esterno di riferimento.
- Per informazioni dettagliate, vedere “Sincronizzazione del codice temporale con altri dispositivi”.
-
Slot per scheda CFexpress Type A o scheda SD (A)
-
Slot per scheda CFexpress Type A o scheda SD (B)
Slot per l’inserimento delle schede di registrazione.
- Per informazioni dettagliate, vedere “Inserimento delle schede di memoria”.
-
Indicatore di accesso A
-
Indicatore di accesso B
L’indicatore si illumina con luce fissa o lampeggiante quando è inserita una scheda per la registrazione.
- Per informazioni dettagliate, vedere “Inserimento delle schede di memoria”.

