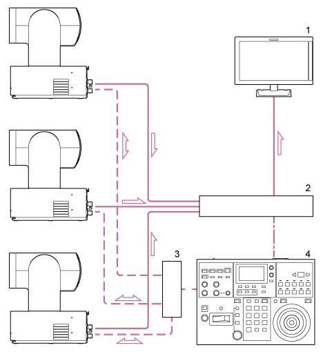
Comando di più unità tramite un telecomando esterno
Connessione VISCA over IP
È possibile comandare fino a 100 unità da remoto utilizzando un singolo dispositivo di comando a distanza.
Segnale video
Segnale di comando a distanza
Segnale tally/contatto
Direzione del segnale
-
Monitor video
-
Switcher video
-
Hub Ethernet
-
Telecomando RM-IP500
TP1001869236

