Guida
Color Video Camera
BRC-AM7
JavaScript è disabilitato.
Abilita JavaScript e ricarica la pagina.
Indietro
Torna all'inizio
Stampa
Diagrammi a blocchi
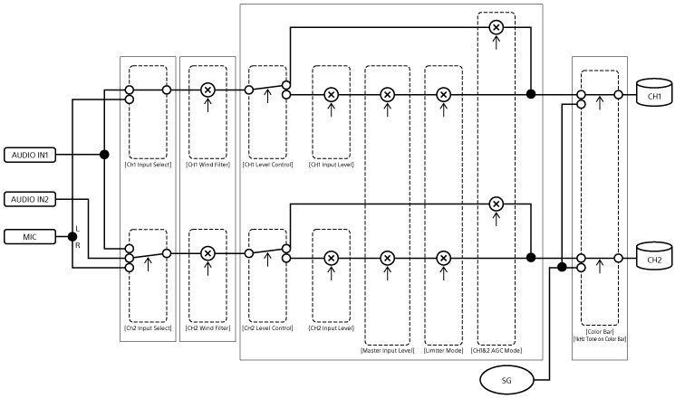
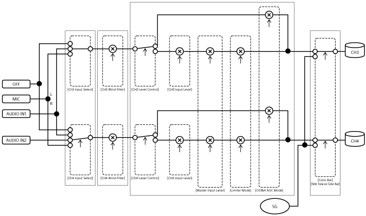
Audio Input
Audio Output
Vai all'inizio della pagina
TP1001869507
Descrizione generale
Tipiche applicazioni d’uso
Configurazione del sistema
Comando di una singola unità utilizzando il telecomando a infrarossi in dotazione
Comando di una singola unità utilizzando un tablet o un computer
Controllo di una singola unità tramite un telecomando esterno
Comando di più unità tramite un telecomando esterno
Posizione e funzione delle parti
Vista anteriore
Pannello connettori
Vista laterale
Vista dal basso
Posizione e funzione delle parti del telecomando a infrarossi (fornito in dotazione)
Schermata dell’app Web
Schermata dell’app Web – Descrizione generale
Struttura dell’area comune delle schermate
Struttura della schermata delle operazioni live
Struttura della schermata delle impostazioni PTZ AFR
Struttura della schermata delle operazioni di riproduzione
Struttura della schermata delle impostazioni
Menu della telecamera
Significato delle indicazioni a schermo
Operazioni preliminari
Montaggio dell’unità
Montaggio verticale in una posizione fissa
Montaggio verticale in una posizione fissa elevata
Montaggio a soffitto
Collegamento dei cavi
Connessione dell’unità a un dispositivo di rete tramite connessione cablata
Collegamento all’unità di un telecomando (opzionale) tramite RS-422
Collegamento dell’alimentazione
Alimentazione in corrente continua
Alimentazione PoE++
Reset di pan e tilt
Configurazione prima della ripresa
Inizializzazione dell’unità tramite l’app Web
Accesso all’app Web tramite un browser Web
Inizializzazione dell’unità
Reset delle impostazioni dell’unità
Configurazione delle operazioni di base
Preparazione delle schede di memoria
Schede di memoria
Schede di memoria raccomandate
Inserimento delle schede di memoria
Espulsione di una scheda di memoria
Formattazione (inizializzazione) di schede di memoria
Controllo del tempo di registrazione rimanente
Ripristino delle schede di memoria
Ripresa
Operazioni di base
Avvio e arresto della registrazione
Passaggio da una scheda di memoria all’altra
Controllo dell’audio
Specifica dei dati temporali
Rivedere una registrazione (Rec Review)
Regolazione dell’inquadratura
Schermata di regolazione dell’inquadratura
Regolazione della direzione di ripresa
Regolazione della direzione di ripresa tramite l’app Web
Impostazione della velocità di pan e tilt
Impostazione dell’accelerazione del movimento di pan e tilt
Regolazione della direzione di ripresa utilizzando il telecomando a infrarossi fornito in dotazione
Regolazione dello zoom
Impostazione del tipo di zoom
Impostazione di Tele Convert
Regolazione dello zoom tramite l’app Web
Impostazione della velocità operativa dello zoom tramite l’app Web
Regolazione dello zoom utilizzando il telecomando a infrarossi fornito in dotazione
Salvataggio e ripristino delle posizioni di pan, tilt e zoom della telecamera
Salvataggio e ripristino delle posizioni di pan, tilt e zoom e dell’impostazione della messa a fuoco tramite l’app Web
Rinomina delle posizioni di preset tramite l’app Web
Sostituzione di una posizione di preset salvata con una nuova posizione tramite l’app Web
Eliminazione di una posizione di preset salvata tramite l’app Web
Sincronizzazione dei movimenti di pan e tilt e delle operazioni di zoom e messa a fuoco durante il ripristino di una posizione di preset
Modifica della velocità di transizione (pan-tilt/zoom/fuoco) durante il ritorno a una posizione di preset
Modifica del tempo di transizione (pan-tilt/zoom) durante il ritorno a una posizione di preset
Avvio automatico del seguimento di una persona dopo il ripristino di una posizione preimpostata
Ripristino delle impostazioni dell’inquadratura automatica PTZ dopo il ripristino di una posizione preimpostata
Salvataggio e ripristino della posizione di pan e tilt e della posizione di zoom tramite il telecomando a infrarossi fornito in dotazione
Inquadratura automatica della telecamera (inquadratura automatica PTZ)
Inquadratura automatica PTZ
Visualizzazione della schermata dell’app Web durante l’inquadratura automatica PTZ
Configurazione delle impostazioni iniziali dell’inquadratura automatica PTZ (modalità “Persona”)
Specifica dei soggetti per il seguimento automatico (modalità di avvio manuale del seguimento delle persone)
Selezione e seguimento automatico dei soggetti in una posizione specificata (modalità di avvio automatico del seguimento delle persone)
Seguimento automatico degli sport con la palla (pallacanestro) da una posizione rialzata
Richiamo di un’inquadratura preimpostata per l’inquadratura automatica PTZ
Ridenominazione di un’inquadratura preimpostata per l’inquadratura automatica PTZ
Modifica delle inquadrature preimpostate per l’inquadratura automatica PTZ
Sostituzione di un’inquadratura preimpostata per l’inquadratura automatica PTZ con una nuova composizione
Ripristino di un’inquadratura preimpostata per l’inquadratura automatica PTZ
Modifica del numero di persone da seguire durante l’inquadratura automatica PTZ
Modifica dell’estensione del controllo automatico per l’inquadratura automatica PTZ e la velocità/sensibilità durante il seguimento
Salvataggio e caricamento dei dati di configurazione dell’inquadratura automatica PTZ
Salvataggio di un file AFR PTZ
Caricamento di un file AFR PTZ
Inquadratura automatica PTZ utilizzando il telecomando a infrarossi fornito
Controllo da remoto dello stato dell’inquadratura automatica PTZ
Regolazione della messa a fuoco
Schermata di regolazione della messa a fuoco
Regolazione manuale della messa a fuoco (messa a fuoco manuale)
Regolazione manuale della messa a fuoco tramite l’app Web
Regolazione manuale della messa a fuoco utilizzando il telecomando a infrarossi fornito in dotazione
Messa a fuoco specificando una posizione di messa a fuoco (Spot Focus)
Utilizzo della funzione di messa a fuoco automatica temporanea (messa a fuoco automatica con pressione pulsante (AF))
Regolazione automatica della messa a fuoco (messa a fuoco automatica)
Regolazione automatica della messa a fuoco tramite l’app Web
Regolazione automatica della messa a fuoco utilizzando il telecomando a infrarossi fornito in dotazione
Impostazione dell’area di messa a fuoco automatica e della sua posizione (area di messa a fuoco)
Modifica rapida dell’area di messa a fuoco (impostazioni della messa a fuoco)
Spostamento del riquadro dell’area di messa a fuoco tramite touchscreen (area di messa a fuoco touch)
Regolazione dell’operazione di messa a fuoco (Velocità di transizione AF, Sensibilità al cambiamento del soggetto AF)
Selezione manuale del soggetto della messa a fuoco (AF Assist) tramite l’app Web
Messa a fuoco manuale durante la messa a fuoco automatica utilizzando il telecomando a infrarossi fornito in dotazione
Messa a fuoco manuale temporanea durante la messa a fuoco automatica (messa a fuoco manuale con pressione pulsante)
Rilevamento e seguimento AF di una persona
Seguimento AF di un soggetto specificato (Seguimento AF in tempo reale)
Note sulle riprese
Regolazione della distanza focale di flangia
Regolazione della luminosità
Schermata di regolazione della luminosità
Impostazione del livello ottimale per la regolazione automatica della luminosità
Regolazione del diaframma
Regolazione automatica del diaframma
Regolazione manuale del diaframma
Regolazione del guadagno
Regolazione automatica del guadagno
Regolazione manuale del guadagno
Regolazione dell’otturatore
Regolazione automatica dell’otturatore
Regolazione manuale dell’otturatore
Regolazione del livello di luce (filtro ND)
Informazioni sul filtro ND
Regolazione in modalità Preset
Regolazione automatica in modalità variabile
Regolazione manuale in modalità variabile
Come ottenere colori naturali (bilanciamento del bianco)
Schermata di regolazione del bilanciamento del bianco
Regolazione automatica del bilanciamento del bianco
Regolazione manuale del bilanciamento del bianco
Esecuzione del bilanciamento automatico del bianco
Configurazione della stabilizzazione dell’immagine
Utilizzo della stabilizzazione dell’immagine
Configurazione dell’audio da registrare
Schermata di configurazione dell’audio
Selezione del dispositivo di ingresso audio
Regolazione automatica del livello di registrazione audio
Regolazione manuale del livello di registrazione audio
Funzioni utili
Utilizzo del Direct Menu
Pulsanti programmabili
Slow & Quick Motion
Registrazione di video a intervalli (Interval Rec)
Registrazione di immagini preregistrate nella cache (Picture Cache Rec)
Registrazione simultanea sulle schede di memoria A e B (Simul Rec su 2 slot)
Monitor segnale video
Flag dei clip
Registrazione proxy
Descrizione generale della registrazione proxy
Registrazione di proxy
Ripresa con il look desiderato
Descrizione generale dei look
Selezione di un look
Importazione del look di base desiderato
Personalizzazione di un look
Memorizzazione di un look come file di scena
Eliminazione di un look di base
Rinomina di un file di scena
Condivisione del look con un’altra telecamera
Salvataggio di un file di scena dalla memoria interna a un dispositivo esterno
Caricamento nella memoria interna di un file di scena salvato su un dispositivo esterno
Ripresa con regolazione del look in post-produzione
Ripresa con regolazione del look in post-produzione
Applicazione di una LUT a uscita SDI2, uscita HDMI e streaming
Modifica di una LUT
Salvataggio e caricamento dei dati di configurazione
Panoramica sul salvataggio e sul caricamento dei dati di configurazione
Salvataggio di un file ALL
Caricamento di un file ALL
Funzioni di rete
Trasferimento dei file
Informazioni sul trasferimento di file
Registrazione di una destinazione di trasferimento file
Trasferimento in sequenza dei clip proxy registrati
Selezione di file e upload
Upload dalla schermata delle miniature di clip proxy contenuti in una scheda di memoria
Upload dalla schermata delle miniature di file originale contenuti in una scheda di memoria
Controllo dello stato del trasferimento del file
Upload tramite Secure FTP
Configurazione dello streaming
Informazioni sullo streaming
Impostazione del formato di streaming
Impostazione del codec video per lo streaming
Impostazione del codec audio per lo streaming
Avvio e arresto dello streaming
Schermata delle miniature
Schermata delle miniature
Riproduzione di clip e altre operazioni sui clip
Riproduzione dei clip registrati
Operazioni sui clip registrati
Menu della telecamera e impostazioni dettagliate
Configurazione del menu della telecamera
Utilizzo del menu della telecamera
Utilizzo del menu della telecamera
Immissione di una stringa di caratteri
Menu User
[User]
Menu Edit User
[Edit User]
Menu Shooting
[ISO/Gain]
[ND Filter]
[Shutter]
[Auto Exposure]
[White]
[White Setting]
[Offset White]
[Focus]
[S&Q Motion]
[LUT On/Off]
[NIGHTSHOT]
[
Soft Skin Effect
]
[Noise Suppression]
[Flicker Reduce]
[Image Stabilization]
Menu Project
[Base Setting]
[Rec Format]
[Flexible ISO Setting]
[Simul Rec]
[Proxy Rec]
[
Interval Rec
]
[
Picture Cache Rec
]
[SDI/HDMI Rec Control]
[Assignable Button]
Menu Paint/Look
[Scene File]
[Base Look]
[Reset Paint Settings]
[Black]
[Knee]
[Detail]
[Matrix]
[Multi Matrix]
Menu Pan-Tilt
[P/T Acceleration]
Menu TC/Media
[Timecode]
[TC Display]
[Users Bit]
[HDMI TC Out]
[Clip Name Format]
[Update Media]
[Format Media]
[Media Life]
Menu Monitoring
[Output Format]
[Display On/Off]
[Video Signal Monitor]
[Marker]
Menu Audio
[Audio Input]
[Audio Output]
Menu Thumbnail
[Display Clip Properties]
[Set Clip Flag]
[Lock/Unlock Clip]
[Delete Clip]
[Copy Clip]
[Transfer Clip]
[Transfer Clip (Proxy)]
[Filter Clips]
[Customize View]
Menu Technical
[Color Bars]
[Genlock]
[Tally]
[Rec Review]
[Zoom]
[Lens]
[APR]
[Measurement]
Menu Network
[Wired LAN]
[File Transfer]
Menu Maintenance
[Language]
[Hours Meter]
Impostazioni e valori predefiniti del menu Shooting
Impostazioni e valori predefiniti di [ISO/Gain]
Impostazioni e valori predefiniti di [AGC Limit]
Impostazioni di [Video Format] / [Quality] / [Bit Rate]
Impostazioni di qualità dell’immagine salvate per ciascuna modalità di ripresa
Menu Web e impostazioni dettagliate
Configurazione del menu Web
Utilizzo del menu Web
Menu Shooting
[Focus]
Menu Project
[Base Setting]
[Rec Format]
[Simul Rec]
[Proxy Rec]
[
Interval Rec
]
[
Picture Cache Rec
]
[All File]
Menu Paint/Look
[
Scene File
]
[Base Look]
Menu Pan-Tilt
[P/T Speed]
[P/T Acceleration]
[P/T Range Limit]
[P/T Direction]
[P/T Preset]
Menu Monitoring
[Output Format]
[Output Display]
Menu Audio
[Audio Input]
[Audio Output]
Menu Technical
[Tracking Data Output]
[Tracking Data]
[Tally]
[Tele Convert]
[IR Remote]
[RCP/MSU]
Menu Network
[Camera Name]
[User]
[Wired LAN]
[File Transfer]
[
FTP Server 1
], [
FTP Server 2
], [
FTP Server 3
]
[SSL]
[SSH]
[Referer Check]
[Brute Force Attack Protection]
Menu Stream
[Stream]
[Video Stream]
[Audio Stream]
Menu Maintenance
[Language]
[Clock Set]
[Reset]
[Information]
[System Log]
[HTTP Access Log]
[Service]
[Software]
Connessione di un dispositivo esterno
Connessione di monitor e dispositivi di registrazione esterni
Connessione di un RCP/MSU (opzione)
Connessione con RCP/MSU/CNA-2
Connessione uno a uno tra l’unità e un RCP
Utilizzo dell’unità in ambienti multitelecamera con MSU, CNA-2 o Software di comando a distanza della telecamera
Elenco delle funzioni supportate
Utilizzo del Telecomando RM-IP500 (opzionale)
Utilizzo del Telecomando RM-IP500 (opzionale)
Connessione di un telecomando RM-IP500 tramite LAN cablata
Utilizzo di Camera Remote SDK
Informazioni su Camera Remote SDK
Sincronizzazione con un dispositivo esterno
Sincronizzazione con un dispositivo esterno
Sincronizzazione della fase del segnale video (Genlock)
Sincronizzazione del codice temporale con altri dispositivi
Collegamento di un microfono esterno o di un dispositivo audio esterno
Gestione ed editing di clip con un computer
Emissione di un segnale su fibra ottica
Connessione di un segnale di tally
Emissione in uscita dei dati di tracking
Appendice
Precauzioni per l’uso
Formati di uscita e limitazioni
Ricerca e risoluzione dei problemi
Messaggi di errore e avvisi
Elenco delle voci di menu
Impostazioni salvate per le posizioni di preset
Diagrammi a blocchi
Licenze
Specifiche tecniche
Marchi di fabbrica