Specifiche tecniche
Generale
Peso
- Circa 3,5 kg
Dimensioni
Vedere “Dimensioni esterne”.
Alimentazione
- 12 Vcc (XLR 4 pin)
- PoE++ (conforme a IEEE802.3bt, Type 4, Class 8)
Potenza assorbita
- 132 W (max) con alimentazione DC IN
- PoE++: 71,3 W (max)
Temperatura di funzionamento
- Da 0 °C a 40 °C
Temperatura di conservazione
- Da –20 °C a +60 °C
Formato di registrazione video
Formato MP4:
- XAVC HS Long 422/420
- XAVC S Long 422/420
- XAVC S Intra
Formato MXF:
- XAVC Long 422/420
- XAVC Intra
Formato di registrazione audio
- LPCM 24 bit, 48 kHz, 4 canali
Frequenza di fotogrammi di registrazione
Formato MP4:
- XAVC HS Long 422/420
3840×2160/119.88P*, 100P*, 59.94P, 50P, 23.98P - XAVC S Long 422/420
3840×2160/119.88P*, 100P*, 59.94P, 50P, 29.97P, 25P, 23.98P
1920×1080/119.88P*, 100P*, 59.94P, 50P, 29.97P, 25P, 23.98P - XAVC S Intra
3840×2160/59.94P, 50P, 29.97P, 25P, 23.98P
1920×1080/59.94P, 50P, 29.97P, 25P, 23.98P
* Quando è attiva la modalità Slow & Quick Motion non è possibile utilizzare 119.88P e 100P.
Formato MXF:
- XAVC Long 422
1920×1080P/59.94P, 50P, 29.97P, 25P, 23.98P
1920×1080i/59.94i, 50i
1280×720P/59.94P, 50P - XAVC Long 420
3840×2160P/59.94P, 50P, 29.97P, 25P, 23.98P - XAVC Intra
3840×2160P/59.94P, 50P, 29.97P, 25P, 23.98P
1920×1080P/59.94P, 50P, 29.97P, 25P, 23.98P
1920×1080i/59.94i, 50i
1280×720P/59.94P, 50P
Tempo di registrazione e/o riproduzione
- XAVC HS Long 420
3840×2160P/59.94P
Circa 100 minuti (con CEA-G160T) - XAVC S Long 420/XAVC Long 420
3840×2160P/59.94P
Circa 100 minuti (con CEA-G160T)
1920×1080P/59.94P
Circa 270 minuti (con CEA-G160T) - XAVC S Intra/XAVC Intra
3840×2160P/59.94P
Circa 25 minuti (con CEA-G160T)
1920×1080P/59.94P
Circa 75 minuti (con CEA-G160T)
Nota
- I tempi di registrazione e riproduzione potrebbero variare a seconda delle condizioni di utilizzo e delle caratteristiche della memoria. I tempi di registrazione e di riproduzione si riferiscono alla registrazione continua di un unico clip. I tempi effettivi potrebbero essere inferiori a seconda del numero di clip registrati.
Sezione azionamento pan/tilt
- Escursione/velocità azionamento movimento rotazione orizzontale (pan): ±175°, da 0,004 °/sec a 180 °/sec
- Escursione/velocità movimento inclinazione verticale (tilt): da −30° a 210°, da 0,004 °/sec a 180 °/sec
- Classificazione del criterio di rumorosità: NC25 o inferiore
- Numero di posizioni di preset: 100
Il numero di posizioni di preset disponibili varia a seconda del comando a distanza utilizzato (applicazione Web: 100, RM-IP500: 100, telecomando a infrarossi in dotazione: 3)
Sezione telecamera
Dispositivo di imaging
- Sensore di immagine CMOS ExmorRS da 1,0 pollici
Numero di pixel
- 20,9M (totali)
- 14,0M (effettivi)
Il numero di pixel effettivi varia a seconda della modalità di ripresa e delle impostazioni.
Messa a fuoco automatica
- Metodo di rilevamento: Rilevamento di fase/rilevamento del contrasto
Filtri ND interni
- [Clear]: Nessuno
- 1: 1/4ND
- 2: 1/16ND
- 3: 1/64ND
- ND a variazione lineare: Da 1/4ND a 1/128ND
Velocità otturatore
- Da 64 fotogrammi a 1/8000 sec (23.98P)
Angolo otturatore
- Da 5,6° a 360°, da 2 a 64 fotogrammi
Slow & Quick Motion
- XAVC S QFHD: Da 1 fps a 120 fps
- XAVC S HD: Da 1 fps a 240 fps
Bilanciamento del bianco
- Da 2000 K a 15000 K
Guadagno
- Da –3 dB a +36 dB (in incrementi di 1 dB)
Look di base
- [S-Cinetone], [ITU709], [709tone], [s709], [709(800%)], [S-Log3], [HLG Live], [HLG Mild], [HLG Natural]
Sezione ottica
- Rapporto di zoom: Ottico 20×, digitale 30× (risoluzione 4K) / 40× (risoluzione Full HD)
- Lunghezza focale: f = Da 7,71 a 154,21 mm, da 24 a 480 mm (equivalente 35 mm)
- Diaframma: Aperto (numero F) da F2.8 a F4.5, apertura minima (numero F) F11, chiuso
- Angolo di campo orizzontale: circa 75°
- Distanza minima di ripresa: 10 mm
Sezione audio
Frequenza di campionamento
- 48 kHz
Quantizzazione
- 24 bit
Risposta di frequenza
- Modalità MIC ingresso XLR: Da 20 Hz a 20 kHz (±3 dB o inferiore)
- Modalità LINE ingresso XLR: Da 20 Hz a 20 kHz (±3 dB o inferiore)
Gamma dinamica
- Modalità MIC ingresso XLR: 80 dB (tipico)
- Modalità LINE ingresso XLR: 90 dB (tipico)
Distorsione
- Modalità MIC ingresso XLR: 0,08% o inferiore (livello di ingresso –40 dBu)
- Modalità LINE ingresso XLR: 0,08% o inferiore (livello di ingresso +14 dBu)
Sezione ingressi/uscite
Ingressi
Connettore DC IN
- XLR 4 pin, da 11 a 17 V, 12 A (max)
Connettore AUDIO IN
- AUDIO IN 1 / AUDIO IN 2: XLR 3 pin × 2, femmina
Selezionabile LINE / MIC / MIC+48V
MIC: Riferimento da –30 dBu a –80 dBu
- MIC: Mini jack stereo ø3,5 mm, compatibile con alimentazione plug-in
Connettore GENLOCK IN
- Connettore BNC, 1,0 Vp-p, 75 Ω
Connettore TC IN
- Connettore BNC
Uscite
Connettore SDI OUT 1 (12G) / connettore SDI OUT 2
- SDI OUT 1 (12G): Uscita 12G-SDI tipo BNC, 12G-SDI / 6G-SDI / 3G-SDI (Level A/B) / HD-SDI
- SDI OUT 2: Uscita 3G-SDI tipo BNC, 3G-SDI (Level A) / HD-SDI
Connettore HDMI
- Connettore tipo A
Connettore di uscita OPTICAL
- Conforme a SFP+
* Viene emesso lo stesso segnale del connettore di uscita 12G-SDI. L’unità non supporta l’ingresso di segnale ottico.
Ingressi/uscite
Connettore LAN (rete)
- RJ-45, 1000BASE-T
Connettore OPTION
- Connettore di ingresso/uscita tally (RJ-45)
Connettore VISCA IN / connettore VISCA OUT
- Protocollo di comando: VISCA RS-422
Sezione slot supporti di memoria
- Slot per schede CFexpress Type A / SD (2)
Accessori forniti
- Telecomando a infrarossi (1)
- Adesivo con codice QR (1)
- Normative di sicurezza (2)
- Libretto di garanzia (1)
- Staffa per montaggio a soffitto (A) (1)
- Staffa per montaggio a soffitto (B) (1)
- Cavetto anticaduta (1)
- Viti +PSW M3×8 (6)
- Vite +PSW M4×8 in acciaio inox per il cavetto anticaduta (1)
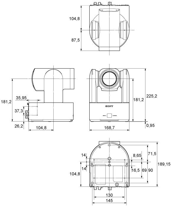
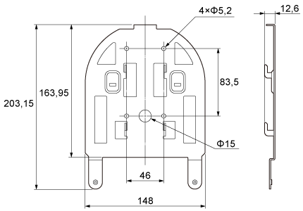
Dimensioni esterne
Le dimensioni indicate sono approssimative.
Unità: mm
Corpo della telecamera
Staffa per montaggio a soffitto (B)
Design e caratteristiche tecniche soggette a modifiche senza preavviso.

