Specifications
General
Mass
- Approx. 4.6 kg (10 lb 2.3 oz) (body only)
- Approx. 6.0 kg (13 lb 3.6 oz) (including SELP28135G lens)
Dimensions
See “External dimensions.”
Power requirements
- 19.5 V DC
- PoE++ (IEEE802.3bt, Type 4, Class 8 compliant)
Power consumption
- 19.5 V DC: 80.0 W (max)
- PoE++: 71.3 W (max)
Operating temperature
- 0 °C to 40 °C (32 °F to 104 °F)
Storage temperature
- −20 °C to +60 °C (−4 °F to +140 °F)
Recording format (video)
- XAVC Intra
XAVC-I 4K/QFHD mode: VBR, 600 Mbps (max) bit rate, MPEG-4 AVC/H.264
XAVC-I HD mode: CBG, 223 Mbps (max), MPEG-4 AVC/H.264
- XAVC Long
XAVC-L QFHD mode: VBR, 150 Mbps (max) bit rate, MPEG-4 H.264/AVC
XAVC-L HD 50 mode: VBR, 50 Mbps (max), MPEG-4 H.264/AVC
XAVC-L HD 35 mode: VBR, 35 Mbps (max), MPEG-4 H.264/AVC
Recording format (audio)
- LPCM 24-bit, 48 kHz, 4-channel
Recording frame rate
- XAVC Intra
XAVC-I 4K mode: 4096×2160/59.94P, 50P, 29.97P, 25P, 24P, 23.98P
XAVC-I QFHD mode: 3840×2160/59.94P, 50P, 29.97P, 25P, 23.98P
XAVC-I HD mode: 1920×1080/59.94P, 50P, 29.97P, 25P, 23.98P
- XAVC Long
XAVC-L QFHD mode: 3840×2160/59.94P, 50P, 29.97P, 25P, 23.98P
XAVC-L HD 50 mode: 1920×1080/59.94P, 50P, 29.97P, 25P, 23.98P
XAVC-L HD 35 mode: 1920×1080/59.94P, 50P, 29.97P, 25P, 23.98P
Recording/playback time
- XAVC Intra
XAVC-I QFHD mode: 59.94P, Approx. 30 minutes (using CEA-G160T)
XAVC-I HD mode: 59.94P, Approx. 78 minutes (using CEA-G160T)
- XAVC Long
XAVC-L QFHD mode: 59.94P, Approx. 115 minutes (using CEA-G160T)
XAVC-L HD 50 mode: 59.94P, Approx. 155 minutes (using CEA-G80T)
XAVC-L HD 35 mode: 59.94P, Approx. 210 minutes (using CEA-G80T)
Note
- The recording/playback time may vary due to usage conditions and memory characteristics. The recording and playback times are for a continuous recording as a single clip. The actual times may be shorter, depending on the number of clips recorded.
Pan/tilt drive section
- Minimum pan speed: 0.02 deg./s
- Minimum tilt speed: 0.02 deg./s
- Maximum pan speed: 60 deg./s
- Maximum tilt speed: 60 deg./s
- Pan range: −170 deg. to + 170 deg.
- Tilt range: −30 deg. to +195 deg.
- Noise criterion rating: NC35 or lower
- Preset positions: 100
Camera section
Imaging device
- 35mm full frame (35.6 × 23.8 mm), Exmor R CMOS sensor
Number of pixels
- Approx. 12.9 megapixels (total pixels)
- Approx. 10.3 megapixels (effective pixels)
Auto focus
- Detection method: Phase detection/contrast detection
Internal ND filters
- CLEAR: OFF
- 1: 1/4ND
- 2: 1/16ND
- 3: 1/64ND
- Linearly variable ND: 1/4ND to 1/128ND
ISO sensitivity
- ISO 800/12800 (Cine EI mode, D55 Light source)
Lens mount
- E-mount
Latitude
- 15+ stop
Shutter speed
- 64F to 1/8000 sec. (23.98P)
Shutter angle
- 5.6° to 360°, 2 to 64 frames
Slow & Quick Motion
- XAVC QFHD: 1 fps to 120 fps
- XAVC HD: 1 fps to 240 fps
- XAVC 4K: 1 fps to 60 fps
- XAVC HD (S35): 1 fps to 120 fps
White balance
- 2000 K to 15000 K
Gain
- −3 dB to +30 dB (1 dB increments)
Base look
- S-Cinetone, Standard, Still, ITU709, 709tone, s709, 709(800%), S-Log3, HLG Live, HLG Natural
Audio section
Sampling frequency
- 48 kHz
Quantization
- 24-bit
Frequency response
- XLR input MIC mode: 20 Hz to 20 kHz (±3 dB or less)
- XLR input LINE mode: 20 Hz to 20 kHz (±3 dB or less)
Dynamic range
- XLR input MIC mode: 80 dB (Typical)
- XLR input LINE mode: 90 dB (Typical)
Distortion
- XLR input MIC mode: 0.08% or lower (−40 dBu input level)
- XLR input LINE mode: 0.08% or lower (+14 dBu input level)
Input/output section
Inputs
DC IN
- EIAJ compliant, 19.5 V DC
AUDIO IN
- XLR type, 5-pin, female
LINE / MIC / MIC+48V switchable
MIC: Reference −30 dBu to −80 dBu
GENLOCK IN
- BNC connector, 1.0 Vp-p, 75 Ω
TC IN
- BNC connector
Outputs
SDI OUT
- BNC connector, 12G-SDI, 6G-SDI, 3G-SDI (Level A/B), HD-SDI
HDMI
- Type-A connector
OPTICAL output connector
- SFP+ compliant
* The unit does not support optical signal input.
Input/output
LAN connector
- RJ-45, 1000BASE-T
OPTION connector
- RJ-45 tally input/output connector
Media slot section
- CFexpress Type A / SD card slot (2)
Supplied accessories
- AC adaptor (1)
- Power cord (1)
- Infrared remote control (1)
- Body cap (1) (attached to the unit)
- HDMI cable retaining plate (1)
- Before Using This Unit (1)
- Warranty booklet (1)
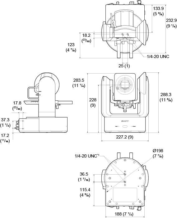
External dimensions
Dimensions are approximate values.
Unit: mm (inches)
Camera body
*1Tripod screw
Ceiling bracket
Design and specifications are subject to change without notice.

